Комплектующие на подвесной двигатель Suzuki модель 1999 года - Throttle body
вконтакте

Контактный телефон: +7 (981) 121-46-93, +7 (800) 200-90-76 , Email: parts-katalog@yandex.ru, где купить

 
 

  Логин:

Пароль:

Регистрация

www.partskatalog.ru Все каталоги Запчасти Mercury Запчасти Suzuki Запчасти Tohatsu Запчасти Honda Контакты

назад Раздел:   вперёд

Вернуться к выбору узлов мотора


ДЕТАЛИРОВКА ДЛЯ МОДЕЛИ: SUZUKI DF50TLX(X/Y) X

Дроссель газа


Год выпуска двигателя: 1999

Номер на
рисунке
АртикулНаименованиеQTYКол-во
на складе
Цена
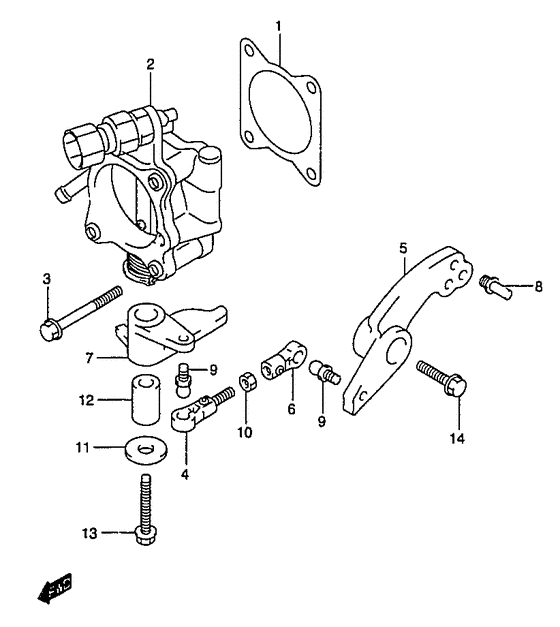
113421-87J00-000

Прокладка корпуса дросселя - Gasket, Throttle Body (Gasket, throttle body # ) (Прокладка дросселя)

под заказ400 руб.
213300-87J00-000

Корпус дросселя - Body Assy, Throttle (Body, throttle # W/ctp switch # ) (Корпус дросселя)

под заказ88320 руб.
301550-06507-000

Болт - Bolt (Bolt (chrome))

под заказ210 руб.
413510-87J00-000

Тяга дросселя - Rod, Throttle (Шпилька)

под заказ1660 руб.
519121-87J00-000

Рычаг управления дросселем - Lever, Throttle Control (Lever, throttle control # ) (Рукоятка дросселя)

под заказ1840 руб.
619131-95502-000

Коннектор - Connector (Connector, oil pump no.2 # ) (Коннектор)

21 шт530 руб.
719148-87J00-000

Рычаг дросселя - Lever, Throttle (Рукоятка дросселя)

под заказ1490 руб.
867473-99E00-000

Штифт коннектора - Pin, Connector

под заказ780 руб.
867473-89J00-000

   (актуальный код замены) Штифт коннектора - Pin, Connector

под заказ780 руб.
867473-89J00-000

Штифт коннектора - Pin, Connector (Штифт)

под заказ780 руб.
909119-05010-000

Стержень - Pivot (Pivot, throttle lever # Pivot; # ) (Bolt)

под заказ500 руб.
1009140-05005-000

Гайка - Nut (Гайка)

10 шт270 руб.
1109160-06046-000

Шайба (6.5x20x1.5) - Washer (65x20x15) (Washer (6.5x20x1.5) # Washer (6.5x20x1.5); # ) (Шайба)

20 шт150 руб.
1209180-06186-000

Проставка (6.2x12.6x21) - Spacer (62x126x21) (Spacer, throttle lever no.2 # Spacer (6.2x12.6x21); # ) (Кольцо/шайба)

4 шт610 руб.
1301550-06357-000

Болт - Bolt (Bolt, throttle lever no.2 # ) (Bolt)

9 шт210 руб.
1401550-06257-000

Болт - Bolt (Bolt)

под заказ180 руб.


Время выполнения запроса 1.6761040687561 сек.

 
 

данный сайт носит информационный характер и не является публичной офертой

склад запчастей для водомоторной техники