Купить запчасти на двигатель Suzuki DF50QHS/L; DF50TS/L модель 1999 года - Fuel tank - Топливный бак
вконтакте

Контактный телефон: +7 (981) 121-46-93, +7 (800) 200-90-76 , Email: parts-katalog@yandex.ru, где купить

 
 

  Логин:

Пароль:

Регистрация

www.partskatalog.ru Все каталоги Запчасти Mercury Запчасти Suzuki Запчасти Tohatsu Запчасти Honda Контакты



УВАЖАЕМЫЕ КЛИЕНТЫ!
C 19 ДЕКАБРЯ 2025 ПО 02 МАРТА 2026 ГОДА ОТДЕЛ ЗАПЧАСТЕЙ И СЕРВИС РАБОТАТЬ НЕ БУДУТ
ПРОДАЖА ЛОДОЧНЫХ МОТОРОВ В ШТАТНОМ РЕЖИМЕ
ОБ ИЗМЕНЕНИЯХ В ГРАФИКЕ РАБОТЫ ЧИТАЙТЕ НА САЙТА



назад Раздел:   вперёд

Вернуться к выбору узлов мотора


ДЕТАЛИРОВКА ДЛЯ МОДЕЛИ: SUZUKI DF50QHL X

Топливный бак


Код модели двигателя: DF50QHS/L; DF50TS/L

Год выпуска двигателя: 1999

Цвет: Shadow Black Metallic

Номер на
рисунке
АртикулНаименованиеQTYКол-во
на складе
Цена
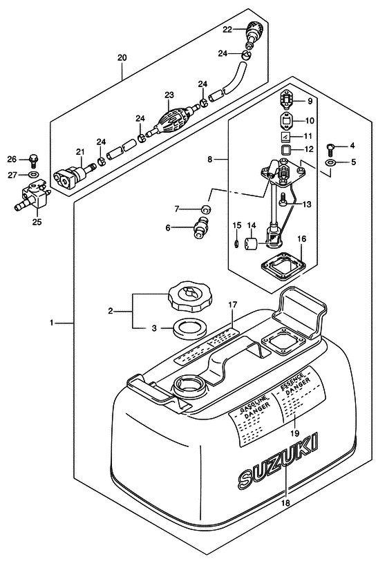
165800-92824-000

Запчасть снята с производства - The Spare Part Is Laid Off (6.3 U.S GAL/5.3 IMP GAL # )

под заказ0 руб.
265510-92D00-000

Крышка горловины топливного бака, в сборе - Cap Assy, Fuel Tank (Cap assy, separate tank # ) (Крышка топливного бака)

под заказ0 руб.
365561-92D00-000

Прокладка - Gasket (Gasket, tank cap # ) (Прокладка)

под заказ0 руб.
402142-06167-000

Винт - Screw (Screw # ) (Винт крестовый 6x16)

8 шт110 руб.
509168-06026-000

Прокладка (6.4x11.5x0.8) - Gasket (64x115x08) (Gasket (6.4x11.5x0.8))

под заказ240 руб.
665740-95500-000

Разъем топливного коннектора - Plug, Fuel Connector (Connector, fuel # ) (Соединитель топливный)

под заказ2720 руб.
665740-95501-000

   (актуальный код замены) Разъем топливного коннектора - Plug, Fuel Connector

под заказ2720 руб.
709168-12015-000

Прокладка (12.2x21x0.8) - Gasket (122x21x08)

под заказ350 руб.
709168-12015-XC0

   (актуальный код замены) Прокладка (12.2x21x0.8) - Gasket (12.2x21x0.8)

под заказ350 руб.
709168-12015-XC0

Прокладка (12.2x21x0.8) - Gasket (122x21x08) (Gasket, 12.2x21x0.8)

под заказ350 руб.
865850-92D01-000

Прибор - измеритель уровня топлива - Gauge Assy, Fuel (Gauge assy, fuel # ) (Датчик топлива)

под заказ0 руб.
965855-92D10-000

Крышка прибора - Cover, Gauge (Крышка)

под заказ0 руб.
1065854-92D20-000

Прокладка - Gasket (Прокладка)

под заказ0 руб.
1165853-92D00-000

Lens - Lens (Линза)

под заказ0 руб.
1265854-92D30-000

Запчасть снята с производства - The Spare Part Is Laid Off

под заказ0 руб.
1303222-04083-000

Винт - Screw

под заказ140 руб.
1303221-0408A-000

   (актуальный код замены) Винт - Screw

под заказ140 руб.
1303221-0408A-000

Винт - Screw (Болт)

под заказ140 руб.
1465864-92D00-000

Запчасть снята с производства - The Spare Part Is Laid Off

под заказ0 руб.
1565866-92D00-000

Push Гайка - Push Nut (Nut, push # ) (Гайка нажимная)

под заказ0 руб.
1665871-92D00-000

Прокладка, Fuel Gauge - Gasket, Fuel Gauge (Прокладка топливного подъемика)

под заказ660 руб.
1765317-95260-000

Маркировка, Fuel Колпачокacity (24l) - Mark, Fuel Capacity (24l) (Mark, fuel capacity (24l) # ) (Маркировка топливной емкости)

под заказ0 руб.
1861441-98500-000

Маркировка, Ornament - Mark, Ornament (Маркировка орнамент)

под заказ0 руб.
1965316-93331-000

Маркировка, Fuel Caution - Mark, Fuel Caution (Mark, fuel caution # ) (Маркировка топлива)

под заказ0 руб.
2065700-87J11-000

Топливный шланг (от бака до коннектораector) - Hose, Fuel (tank To Connector)

под заказ13590 руб.
2065700-87J19-000

   (актуальный код замены) Топливный шланг (от бака до коннектора) - Hose, Fuel (tank To Conn)

под заказ13590 руб.
2065700-87J15-000

Топливный шланг (от бака до коннектораector) - Hose, Fuel (tank To Connector) (Hose, fuel (tank to conn))

под заказ13590 руб.
2065700-87J19-000

   (актуальный код замены) Топливный шланг (от бака до коннектора) - Hose, Fuel (tank To Conn)

под заказ13590 руб.
2165750-87J11-000

Разъём топливного шланга - Socket, Fuel Hose (Переходник топливный)

9 шт2930 руб.
21SF80212-7

   (не оригинальный аналог) Коннектор топливный SUNFINE тип Suzuki, Johnson, Evinrude, OMC, Honda, 9мм, 775641

под заказ1240 руб.
2265750-95500-000

Разъём топливного шланга - Socket, Fuel Hose (Socket, fuel hose (in) # ) (Гнездо топливного шланга)

под заказ3700 руб.
2265750-95501-000

   (актуальный код замены) Разъём топливного шланга - Socket, Fuel Hose

2 шт3700 руб.
22SF80211-4

   (не оригинальный аналог) Коннектор топливный SUNFINE тип Suzuki, Mercury, Evinrude, Tohatsu, 10мм 3GF-70281-0

под заказ1880 руб.
2365770-95504-000

Запчасть снята с производства - The Spare Part Is Laid Off

под заказ0 руб.
2365770-95505-000

   (актуальный код замены) Запчасть снята с производства - The Spare Part Is Laid Off

под заказ0 руб.
2465781-98500-000

Зажим топливного шланга - Clip, Fuel Hose (Крепёж шланга)

9 шт350 руб.
2565720-986B0-000

Разъем топливного коннектора - Plug, Fuel Connector (<-65720-986A0 # )

под заказ5810 руб.
2565720-986L0-000

   (актуальный код замены) Разъем топливного коннектора - Plug, Fuel Connector

5 шт6330 руб.
2565720-986L0-000

Разъем топливного коннектора - Plug, Fuel Connector (Plug, fuel connector)

5 шт6330 руб.
2609103-06237-000

Болт (6x12.5) - Bolt (6x125) (Bolt, fuel connector plug # <-65729-986A0 <-65729-986B0 # ) (Bolt (6x12.5))

под заказ260 руб.
2709160-06085-000

Шайба (6.5x15x1) - Washer (65x15x1) (Washer (6.5x15x1.0) # ) (Шайба)

под заказ120 руб.


Время выполнения запроса 0.93077301979065 сек.

 
 

данный сайт носит информационный характер и не является публичной офертой

склад запчастей для водомоторной техники