Подобрать оригинальные запчасти на лодочный мотор Сузуки DF50QHS/L; DF50TS/L модель 1999 года - Опции: приборы
вконтакте

Контактный телефон: +7 (981) 121-46-93, +7 (800) 200-90-76 , Email: parts-katalog@yandex.ru, где купить

 
 

  Логин:

Пароль:

Регистрация

www.partskatalog.ru Все каталоги Запчасти Mercury Запчасти Suzuki Запчасти Tohatsu Запчасти Honda Контакты



УВАЖАЕМЫЕ КЛИЕНТЫ!
C 19 ДЕКАБРЯ 2025 ПО 02 МАРТА 2026 ГОДА ОТДЕЛ ЗАПЧАСТЕЙ И СЕРВИС РАБОТАТЬ НЕ БУДУТ
ПРОДАЖА ЛОДОЧНЫХ МОТОРОВ В ШТАТНОМ РЕЖИМЕ
ОБ ИЗМЕНЕНИЯХ В ГРАФИКЕ РАБОТЫ ЧИТАЙТЕ НА САЙТА



назад Раздел:   вперёд

Вернуться к выбору узлов мотора


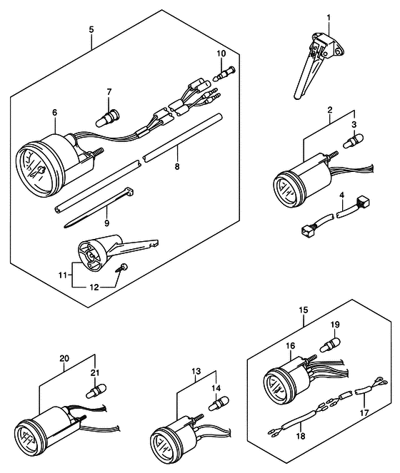
ДЕТАЛИРОВКА ДЛЯ МОДЕЛИ: SUZUKI DF50QHL X

Опции: приборы


Код модели двигателя: DF50QHS/L; DF50TS/L

Год выпуска двигателя: 1999

Цвет: Shadow Black Metallic

Номер на
рисунке
АртикулНаименованиеQTYКол-во
на складе
Цена
134190-87D00-000

Датчик спидометра - Sender, Speedometer (Sender, speedometer # ) (Сенсор спидометра)

под заказ5810 руб.
234800-90J02-000

Прибор - трим - Meter Assy, Trim (Meter, trim # MODEL:02~04 # ) (Тримметр)

под заказ13780 руб.
234800-92E00-000

Прибор - трим - Meter Assy, Trim (Meter assy, trim # ) (Trim gauge)

под заказ21360 руб.
309471-12180-000

Лампочка (12v3.4w, T6.5) - Bulb (12v34w, T65) (Bulb)

под заказ0 руб.
436682-92E00-000

Провод указателя трима (l: 6500) - Wire, Trim Meter Ext (l:6500) (Wire, trim gauge ext # TYPE:QH # ) (Проводка)

2 шт10800 руб.
534102-92E00-000

Спидометр Set (80m / h) - Speedometer Set (80m/h) (MAX 130KM/H # ) (Комплект спидометра)

под заказ0 руб.
534102-92E10-000

Спидометр Set (50m / h) - Speedometer Set (50m/h) (MAX 80KM/H # ) (Комплект спидометра)

под заказ0 руб.
534102-92E20-000

Спидометр Set (45knot) - Speedometer Set (45knot) (MAX 45KNOTS # ) (Комплект спидометра)

под заказ0 руб.
634100-92E00-000

Спидометр (80m / h) - Speedometer (80m/h) (MAX 130KM/H # ) (СП)

под заказ0 руб.
634100-92E10-000

Спидометр (50m / h) - Speedometer (50m/h) (MAX 80KM/H # ) (СП)

под заказ0 руб.
634100-92E20-000

Спидометр (45knot) - Speedometer (45knot) (MAX 45KNOTS # ) (СП)

под заказ0 руб.
709471-12179-000

Лампочка (12v3.4w, T10) - Bulb (12v34w, T10) (Bulb)

под заказ570 руб.
834191-92E00-000

Трубка - Tube (Трубка прессуры водной)

под заказ3150 руб.
909407-14407-000

Струбцина (l: 145) - Clamp (l:145) (Band # ) (Clamp (l:145))

9 шт230 руб.
1036615-96300-000

Клемма - Terminal (Контакт)

под заказ120 руб.
1134190-95500-000

Датчик спидометра - Sender, Speedometer (Сенсор спидометра)

под заказ8260 руб.
1203112-06303-000

Винт - Screw

под заказ240 руб.
1203112-0630B-000

   (актуальный код замены) Винт - Screw

под заказ240 руб.
1203112-0630B-000

Винт - Screw (SCREW)

под заказ240 руб.
1334600-92E00-000

Прибор - вольтметр - Meter Assy, Voltage (Meter assy, voltage # ) (Вольтметр)

под заказ0 руб.
1409471-12180-000

Лампочка (12v3.4w, T6.5) - Bulb (12v34w, T65) (Bulb)

под заказ0 руб.
1534300-92E01-000

Прибор - измеритель уровня топлива - Gauge Assy, Fuel (Датчик топлива)

под заказ22850 руб.
1634320-92E01-000

Gauge, Fuel - Gauge, Fuel (Датчик топлива)

под заказ0 руб.
1734310-92E00-000

Lead в сборе, Fuel, Gauge - Lead Assy, Fuel, Gauge (Проводка датчика топлива)

под заказ8640 руб.
1834360-92E00-000

Adapter Comp, Fuel Gauge - Adapter Comp, Fuel Gauge (Adapter, fuel gauge # ) (Адаптер)

под заказ3870 руб.
1909471-12180-000

Лампочка (12v3.4w, T6.5) - Bulb (12v34w, T65) (Bulb)

под заказ0 руб.
2034500-92E00-000

Прибор - счётчик мото-часов - Meter Assy, Hour (Meter assy, hour # ) (Часы)

под заказ0 руб.
2109471-12180-000

Лампочка (12v3.4w, T6.5) - Bulb (12v34w, T65) (Bulb)

под заказ0 руб.


Время выполнения запроса 1.0035591125488 сек.

 
 

данный сайт носит информационный характер и не является публичной офертой

склад запчастей для водомоторной техники