| |
 |
|
 |
Вернуться к выбору узлов мотора
ДЕТАЛИРОВКА ДЛЯ МОДЕЛИ: SUZUKI DF50QHLY(X/Y) Y
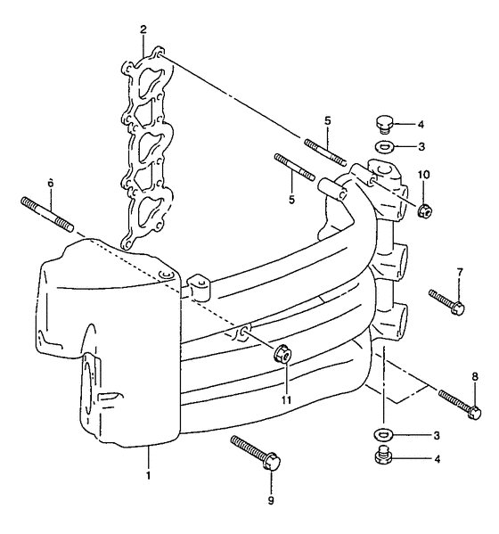
Впускной коллектор
Код модели двигателя: DF50QHS/L; DF50TS/L
Год выпуска двигателя: 2000
Регион: General Export No.1 ,Код региона: P01
Цвет: Shadow Black Metallic
Номер на рисунке | Артикул | Наименование | QTY | Кол-во на складе | Цена |
| 1 | 13111-87J00-000 | | | под заказ | нет сведений |
| 1 | 01550-08167-000 | Болт - Bolt (Bolt (8x16) # ) (Bolt) | | 8 шт | 210 руб. |
| 1 | 09403-18406-000 | Струбцина - Clamp (Clamp) | | под заказ | 480 руб. |
| 1 | 09403-18413-000 | (актуальный код замены) Струбцина (id: 21) - Clamp (id:21) | | под заказ | 480 руб. |
| 1 | 09404-08205-000 | Струбцина (l: 45 T: 0.6) - Clamp (l:45 T:06) (Clamp (l:62) # ) (Clamp (l:62)) | | под заказ | 170 руб. |
| 1 | 09404-08211-000 | (актуальный код замены) Струбцина (l: 45 T: 0.6) - Clamp (l:45 T:0.6) | | под заказ | 170 руб. |
| 1 | 13111-87J03-000 | Впускной коллектор - Manifold, Intake (Коллектор впускной) | | под заказ | 61920 руб. |
| 2 | 13129-87J00-000 | Изолятор впускного коллектора - Insulator, Intake Manifold (Insulator, intake manifold # ) (Insulator, intak) | | 1 шт | 5570 руб. |
| 3 | 09168-12013-000 | Прокладка (11.8x22x1.2) - Gasket (118x22x12) (Gasket, union # ) (Прокладка) | | 10 шт | 260 руб. |
| 4 | 09247-12104-000 | Заглушка (12x9) - Plug (12x9) (Заглушка T D C) | | под заказ | 210 руб. |
| 5 | 01421-06407-000 | Болт под шпильку - Bolt, Stud (Bolt, stud # ) (Болт) | | под заказ | 240 руб. |
| 6 | 01421-08457-000 | Болт под шпильку - Bolt, Stud (Болт заклепка) | | под заказ | 360 руб. |
| 7 | 01550-06407-000 | Болт - Bolt (Bolt (chrome)) | | 4 шт | 210 руб. |
| 8 | 01550-06507-000 | Болт - Bolt (Bolt (chrome)) | | под заказ | 210 руб. |
| 9 | 01550-08557-000 | Болт - Bolt (Bolt) | | под заказ | 260 руб. |
| 10 | 08316-10067-000 | Гайка - Nut (Гайка) | | под заказ | 170 руб. |
| 11 | 08316-10087-000 | Гайка - Nut (Nut (chrome)) | | 14 шт | 170 руб. |
Время выполнения запроса 2.0100681781769 сек. |
|