Запчасти на подвесной двигатель SUZUKI модель 2002 года - Трансмиссия
вконтакте

Контактный телефон: +7 (981) 121-46-93, +7 (800) 200-90-76 , Email: parts-katalog@yandex.ru, где купить

 
 

  Логин:

Пароль:

Регистрация

www.partskatalog.ru Все каталоги Запчасти Mercury Запчасти Suzuki Запчасти Tohatsu Запчасти Honda Контакты



УВАЖАЕМЫЕ КЛИЕНТЫ!
C 19 ДЕКАБРЯ 2025 ПО 02 МАРТА 2026 ГОДА ОТДЕЛ ЗАПЧАСТЕЙ И СЕРВИС РАБОТАТЬ НЕ БУДУТ
ПРОДАЖА ЛОДОЧНЫХ МОТОРОВ В ШТАТНОМ РЕЖИМЕ
ОБ ИЗМЕНЕНИЯХ В ГРАФИКЕ РАБОТЫ ЧИТАЙТЕ НА САЙТА



назад Раздел:   вперёд

Вернуться к выбору узлов мотора


ДЕТАЛИРОВКА ДЛЯ МОДЕЛИ: SUZUKI DF50WQHLK2(E1) K2

Трансмиссия


Год выпуска двигателя: 2002

Номер на
рисунке
АртикулНаименованиеQTYКол-во
на складе
Цена
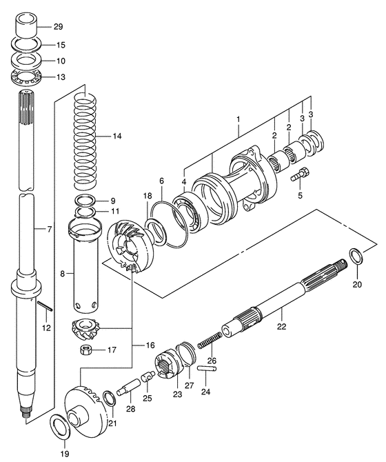
156120-94321-0EP

Корпус, Вал гребного винта (чёрный) - Housing, Propeller Shaft (black) (Housing, prop shaft bearing (black) # Housing, prop shaft bearing (black); # ) (Обойма гребного вала)

18 шт24240 руб.
1SK56120-94321-0EP

   (не оригинальный аналог) Обойма гребного вала Skipper для Suzuki DT40, DF40-50, DF40A-60A

0 шт8394 руб.
209263-22020-000

Подшипник (22.2x28.5x19) - Bearing (222x285x19) (Bearing # ) (Подшипник 22X28X19)

5 шт2090 руб.
2SK09263-22020

   (не оригинальный аналог) Подшипник игольчатый гребного вала Skipper для Suzuki DT40, DF40-50, DF40A-60A

0 шт1850 руб.
2B1412KOYO

   (подбор по маркировке) Подшипник KOYO B1412(22.225x28.575x19.05 мм)

под заказ0
309289-22007-000

Сальник (22x35x5) - Seal, Oil (22x35x5) (Seal, oil; # ) (Сальник гребного вала)

151 шт560 руб.
3SK09289-22007

   (не оригинальный аналог) Сальник гребного вала Skipper для Suzuki Модели техники: DT40, DF40-50, DF40A-60A

0 шт95 руб.
3SC-OL302

   (не оригинальный аналог) Сальник редуктора Suzuki SC-OL302

под заказ230 руб.
409262-35070-000

Подшипник (35x62x14) - Bearing (35x62x14) (Подшипник)

12 шт5080 руб.
4TAB007CV47NTN

   (подбор по маркировке) Подшипник NTN TAB007CV47(35*62*14 мм)

под заказ0
509117-08047-000

Болт (8x30) - Bolt (8x30) (Bolt (8x30); # ) (Болт 8X30)

10 шт520 руб.
509116-08122-000

Болт (8x30) - Bolt (8x30) (Bolt (8x30); Model:10 # ) (Bolt (8x30))

8 шт350 руб.
609280-75001-000

Уплотнительное кольцо (d: 3.3, Id: 75) - O Ring (d:33, Id:75) (O ring (d:3.8 id:75) # O ring (d:3.8, id:75); # ) (O ring (d:3.3, id:75.0))

94 шт370 руб.
6SK09280-75001

   (не оригинальный аналог) Кольцо уплотнительное обоймы гребного вала Skipper для Suzuki Модели техники: DT40HP, DF40-50HP, DF40A-60A

0 шт141 руб.
757110-87J10-000

Вал привода (s) - Shaft, Drive (s) (Shaft, drive (S) # Shaft, drive (s); # ) (Торсионный вал)

2 шт48850 руб.
757110-87J00-000

Вал привода (l) - Shaft, Drive (l) (Shaft, drive (L) # Shaft, drive (l); # ) (Торсионный вал)

под заказ51500 руб.
757110-87J20-000

Вал привода (x) - Shaft, Drive (x) (Shaft, drive (x); # ) (Вал ведущий)

под заказ67200 руб.
857133-94400-000

Пружина корпуса приводного вала - Housing, Drive Shaft Spring (Housing, drive shaft spring # ) (Обойма пружины)

9 шт1530 руб.
909160-24020-000

Шайба (24x33x2.5) - Washer (24x33x25) (Washer (24x33x2.5) # Washer (24x33x2.5); # ) (Шайба)

3 шт580 руб.
1009160-26015-000

Шайба (26.2x42x4) - Washer (262x42x4) (Washer (26.2x42x4.0) # Washer (26.2x42x4.0); # ) (Шайба)

4 шт2350 руб.
1109166-25006-000

Шайба - Washer (Шайба)

7 шт470 руб.
1209205-03019-000

Стопор пружины (3x10) - Pin, Spring (3x10) (Pin, tilt lock # ) (Pin)

47 шт140 руб.
1309263-25062-000

Подшипник (25x42x5) - Bearing (25x42x5) (Bearing # ) (Bearing)

10 шт8360 руб.
1409440-30005-000

Пружина - Spring (Пружина)

7 шт700 руб.
1509181-30186-000

Регулировочная шайба (30x42x0.5) - Shim (30x42x05) (Shim (t:0.5); Drive shaft adjust # ) (Шайба T:0.5)

5 шт270 руб.
1509181-30187-000

Регулировочная шайба (30x42x0.6) - Shim (30x42x06) (Shim (t:0.6) # Shim (t:0.6); Drive shaft adjust # ) (Шайба (0, 6))

13 шт270 руб.
1509181-30188-000

Регулировочная шайба (30x42x0.7) - Shim (30x42x07) (Shim (t:0.7) # Shim (t:0.7); Drive shaft adjust # ) (Шайба (0, 7))

8 шт270 руб.
1509181-30190-000

Регулировочная шайба (30x42x0.8) - Shim (30x42x08) (Shim (t:0.8); Drive shaft adjust # ) (Шайба T:0.8)

18 шт300 руб.
1509181-30192-000

Регулировочная шайба (30x42x0.9) - Shim (30x42x09) (Shim (t:0.9); Drive shaft adjust # ) (Шайба (0, 9))

8 шт270 руб.
1657300-87851-000

Комплект шестерёнок - Pinion & Gear Set

под заказ48960 руб.
1657300-88810-000

   (актуальный код замены) Комплект шестерёнок - Pinion & Gear Set

10 шт51670 руб.
1657300-88810-000

Комплект шестерёнок - Pinion & Gear Set (PINION / GEAR SET)

10 шт51670 руб.
1709140-12034-000

Гайка - Nut (Гайка)

10 шт270 руб.
1808221-35455-000

Регулировочная шайба - Shim (Shim (35x45x0.5) # Shim (t:0.5); Reverse backup # ) (Shim)

17 шт270 руб.
1809181-35131-000

Регулировочная шайба (35x46x0.6) - Shim (35x46x06) (Shim (35x45x0.6) # Shim (t:0.6); Reverse backup # ) (Шайба (0, 6))

8 шт300 руб.
1809181-35132-000

Регулировочная шайба (35x46x0.7) - Shim (35x46x07) (Shim (35x46x0.7) # Shim (t:0.7); Reverse backup # ) (Шайба (0, 7))

20 шт360 руб.
1808221-35456-000

Регулировочная шайба - Shim (Shim (35x45x0.8) # Shim (t:0.8); Reverse backup # ) (Shim)

7 шт240 руб.
1809181-35136-000

Регулировочная шайба (35x46x0.9) - Shim (35x46x09) (Shim (35x45x0.9) # Shim (t:0.9); Reverse backup # ) (Шайба (0, 9))

11 шт240 руб.
1808211-35451-000

Шайба - Washer (Shim (35x45x1.0) # Shim (t:1.0); Reverse backup # ) (Thrust washer)

19 шт290 руб.
1909181-30186-000

Регулировочная шайба (30x42x0.5) - Shim (30x42x05) (Shim (t:0.5); Forward backup # ) (Шайба T:0.5)

5 шт270 руб.
1909181-30187-000

Регулировочная шайба (30x42x0.6) - Shim (30x42x06) (Shim (t:0.6) # Shim (t:0.6); Forward backup # ) (Шайба (0, 6))

13 шт270 руб.
1909181-30188-000

Регулировочная шайба (30x42x0.7) - Shim (30x42x07) (Shim (t:0.7) # Shim (t:0.7); Forward backup # ) (Шайба (0, 7))

8 шт270 руб.
1909181-30190-000

Регулировочная шайба (30x42x0.8) - Shim (30x42x08) (Shim (t:0.8); Forward backup # ) (Шайба T:0.8)

18 шт300 руб.
1909181-30192-000

Регулировочная шайба (30x42x0.9) - Shim (30x42x09) (Shim (t:0.9); Forward backup # ) (Шайба (0, 9))

8 шт270 руб.
2009160-22018-000

Шайба (22.2x28x1.8) - Washer (222x28x18) (Washer (t:1.8) # Washer (t:1.8); Prop sft thrust # ) (Шайба (1, 8))

17 шт650 руб.
2009160-22019-000

Шайба (22.5x28x1.9) - Washer (225x28x19) (Washer (t:1.9) # Washer (t:1.9); Prop sft thrust # ) (Шайба (1, 9))

7 шт290 руб.
2009160-22020-000

Шайба (22.5x28x2) - Washer (225x28x2) (Washer (t:2.0) # Washer (t:2.0); Prop sft thrust # ) (Шайба (0, 2))

10 шт290 руб.
2009160-22021-000

Шайба (22.5x28x2.1) - Washer (225x28x21) (Washer (t:2.1) # Washer (t:2.1); Prop sft thrust # ) (Шайба (2, 1))

13 шт350 руб.
2009160-22022-000

Шайба (22.5x28x2.2) - Washer (225x28x22) (Washer (t:2.2) # Washer (t:2.2); Prop sft thrust # ) (Шайба (2, 2))

2 шт290 руб.
2009160-22023-000

Шайба (22.5x28x2.3) - Washer (225x28x23) (Washer (t:2.3) # Washer (t:2.3); Prop sft thrust # ) (Шайба (2, 3))

4 шт290 руб.
2108211-20263-000

Шайба - Washer (Washer (t:2.0); # ) (Шайба)

10 шт170 руб.
2257610-94402-000

Вал гребного винта - Shaft, Propeller (SHAFT, PROPELLER)

9 шт22560 руб.
2257610-94403-000

   (актуальный код замены) Вал Comp, Гребной винт - Shaft Comp, Propeller

под заказ22560 руб.
22SK57610-94402

   (не оригинальный аналог) Вал гребной Skipper для Suzuki DT40, DF40-50, DF40A-60A Модели техники: DT40, DF40-50, DF40A-60A

0 шт6847 руб.
2357621-87J02-000

Переключатель собачки сцепления - Shifter, Clutch Dog (Переключатель)

2 шт11760 руб.
2357621-87J03-000

   (актуальный код замены) Переключатель собачки сцепления - Shifter, Clutch Dog

6 шт11760 руб.
23SK57621-87J02

   (не оригинальный аналог) Муфта переключения передач Skipper для Suzuki DT40, DF40-50, DF40A-DF60A

0 шт2236 руб.
2409202-05022-000

Штифт (5.5x38.5) - Pin (55x385) (Pin, clutch dog shifter; # ) (Сухарь)

35 шт370 руб.
24SK09202-05022

   (не оригинальный аналог) Штифт шестерни переключения передач Skipper для Suzuki DT40-60/DF40-50

0 шт176 руб.
2557634-88L00-000

Штифт толкателя - Pin, Push (Pin, push; # ) (Pin, push)

под заказ850 руб.
2609440-08034-000

Пружина - Spring (Spring, return # Spring, return; # ) (Пружина)

18 шт290 руб.
2609440-08043-000

Пружина - Spring (Df40:780223~, df50:780555~ # ) (Пружина)

8 шт190 руб.
2709440-40002-000

Пружина - Spring (Spring, dog; # ) (Пружина возвратная)

15 шт270 руб.
2857631-95302-000

Тяга толкателя - Rod, Push

под заказ1300 руб.
2857631-95303-000

   (актуальный код замены) Тяга толкателя - Rod, Push

1 шт1400 руб.
2857631-95303-000

Тяга толкателя - Rod, Push (Rod, push)

1 шт1400 руб.
2957130-94301-000

Втулка вала передачи - Bush, Drive Shaft (Bush, dirve shaft # Bush, drive shaft; Df40, 50, type:l, df40:~422327, df50:~423474 # ) (Втулка вала)

11 шт1000 руб.


Время выполнения запроса 1.2608969211578 сек.

 
 

данный сайт носит информационный характер и не является публичной офертой

склад запчастей для водомоторной техники