Купить запчасти на лодочный мотор Suzuki модель 2007 года - Катушка зажигания - Ignition coil
вконтакте

Контактный телефон: +7 (981) 121-46-93, +7 (800) 200-90-76 , Email: parts-katalog@yandex.ru, где купить

 
 

  Логин:

Пароль:

Регистрация

www.partskatalog.ru Все каталоги Запчасти Mercury Запчасти Suzuki Запчасти Tohatsu Запчасти Honda Контакты



УВАЖАЕМЫЕ КЛИЕНТЫ!
C 19 ДЕКАБРЯ 2025 ПО 02 МАРТА 2026 ГОДА ОТДЕЛ ЗАПЧАСТЕЙ И СЕРВИС РАБОТАТЬ НЕ БУДУТ
ПРОДАЖА ЛОДОЧНЫХ МОТОРОВ В ШТАТНОМ РЕЖИМЕ
ОБ ИЗМЕНЕНИЯХ В ГРАФИКЕ РАБОТЫ ЧИТАЙТЕ НА САЙТА



назад Раздел:   вперёд

Вернуться к выбору узлов мотора


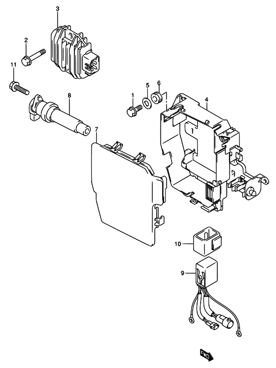
ДЕТАЛИРОВКА ДЛЯ МОДЕЛИ: SUZUKI DF50TL K7

Катушка зажигания


Год выпуска двигателя: 2007

Номер на
рисунке
АртикулНаименованиеQTYКол-во
на складе
Цена
101550-06127-000

Болт - Bolt (Bolt, rect # ) (Bolt)

10 шт180 руб.
201580-06257-000

Болт - Bolt (Bolt)

под заказ210 руб.
332800-38F10-000

Выпрямитель в сборе - Rectifier Assy (Rectifier/regulator # ) (Rectifier assy)

1 шт24240 руб.
3SM-01118

   (не оригинальный аналог) Реле регулятор напряжения Yamaha/Kawasaki/Suzuki SM-01118

под заказ9200 руб.
432890-87J21-000

Держатель электрических частей - Holder, Electric Parts (Корпус)

под заказ4420 руб.
509160-06054-000

Шайба (6.5x22x1.6) - Washer (65x22x16) (Washer (6.5x22x1.6) # ) (Шайба)

под заказ120 руб.
609320-12011-000

Подушка - Cushion (Cushion # ) (Валик)

под заказ150 руб.
609320-12090-000

   (актуальный код замены) Подушка (11.8x25x7.5) - Cushion (11.8x25x7.5)

под заказ150 руб.
732891-87J10-000

Крышка держателя электрических частей - Cover, Elec Parts Holder (Крышка электрической коробки)

1 шт3120 руб.
833410-87J01-000

Катушка зажигания - Coil, Ignition (Катушка зажигания)

10 шт16520 руб.
938410-93J00-000

Реле управления гидроподъёмом двигателя - Relay Assy, Ptt

под заказ12580 руб.
938410-93J12-000

   (актуальный код замены) Реле управления гидроподъёмом двигателя - Relay Assy, Ptt

19 шт13700 руб.
938410-93J12-000

Реле управления гидроподъёмом двигателя - Relay Assy, Ptt (Relay assy, ptt)

19 шт13700 руб.
938410-93J11-000

Реле управления гидроподъёмом двигателя - Relay Assy, Ptt (MODEL:06~10 # )

под заказ12580 руб.
938410-93J12-000

   (актуальный код замены) Реле управления гидроподъёмом двигателя - Relay Assy, Ptt

19 шт13700 руб.
938410-93J12-000

Реле управления гидроподъёмом двигателя - Relay Assy, Ptt (Relay assy, ptt)

19 шт13700 руб.
1038415-93J00-000

Держатель реле двигателя гидроподъёма - Holder, Ptt Relay (Держатель реле)

под заказ580 руб.
1101550-06207-000

Болт - Bolt (Bolt (chrome))

17 шт220 руб.


Время выполнения запроса 2.4276490211487 сек.

 
 

данный сайт носит информационный характер и не является публичной офертой

склад запчастей для водомоторной техники