Купить оригинальные запчасти на подвесной двигатель Suzuki DF50AQHS/L; DF50AT(H)S/L модель 2011 года - Трансмиссия
вконтакте

Контактный телефон: +7 (981) 121-46-93, +7 (800) 200-90-76 , Email: parts-katalog@yandex.ru, где купить

 
 

  Логин:

Пароль:

Регистрация

www.partskatalog.ru Все каталоги Запчасти Mercury Запчасти Suzuki Запчасти Tohatsu Запчасти Honda Контакты



УВАЖАЕМЫЕ КЛИЕНТЫ!
C 19 ДЕКАБРЯ 2025 ПО 02 МАРТА 2026 ГОДА ОТДЕЛ ЗАПЧАСТЕЙ И СЕРВИС РАБОТАТЬ НЕ БУДУТ
ПРОДАЖА ЛОДОЧНЫХ МОТОРОВ В ШТАТНОМ РЕЖИМЕ
ОБ ИЗМЕНЕНИЯХ В ГРАФИКЕ РАБОТЫ ЧИТАЙТЕ НА САЙТА



назад Раздел:   вперёд

Вернуться к выбору узлов мотора


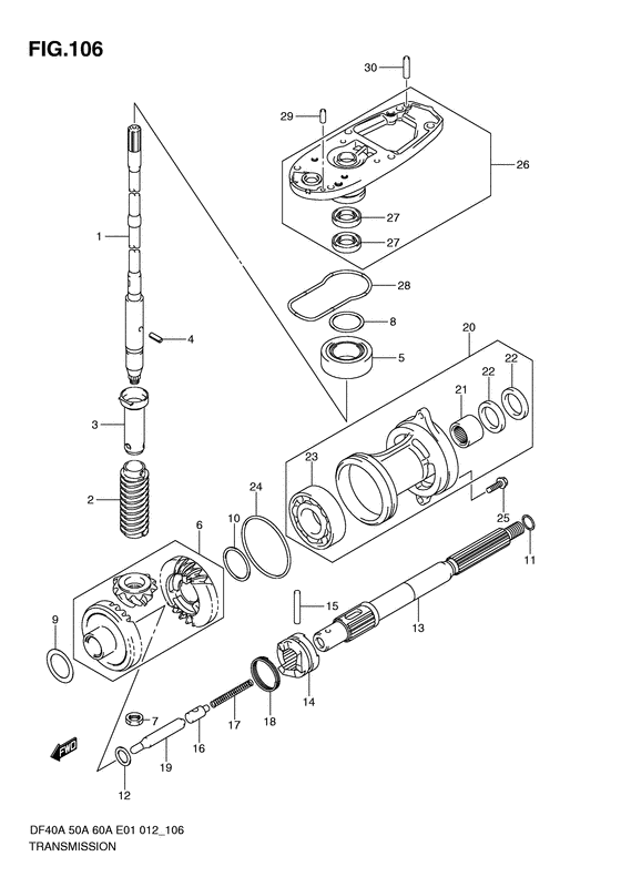
ДЕТАЛИРОВКА ДЛЯ МОДЕЛИ: SUZUKI DF50ATHL(E01) PRD

Трансмиссия


Код модели двигателя: DF50AQHS/L; DF50AT(H)S/L

Год выпуска двигателя: 2011

Регион: General Export No.1 ,Код региона: P01

Цвет: Shadow Black Metallic

Номер на
рисунке
АртикулНаименованиеQTYКол-во
на складе
Цена
157110-88L12-000

Вал привода (l) - Shaft, Drive (l) (Shaft assy, drive (l); W/transom (l) # ) (Shaft, drive (l))

1 шт39010 руб.
157110-88L22-000

Вал привода (x) - Shaft, Drive (x) (Shaft assy, drive (x); W/transom (x) # ) (Shaft, drive (x))

под заказ41280 руб.
257133-88L00-000

Воротник приводного вала - Collar, Drive Shaft

под заказ1420 руб.
257133-88L01-000

   (актуальный код замены) Воротник приводного вала - Collar, Drive Shaft

под заказ1530 руб.
257133-88L01-000

Воротник приводного вала - Collar, Drive Shaft (Collar, drive shaft)

под заказ1530 руб.
357133-94400-000

Пружина корпуса приводного вала - Housing, Drive Shaft Spring (Housing, drive shaft spring # ) (Обойма пружины)

9 шт1530 руб.
409205-03019-000

Стопор пружины (3x10) - Pin, Spring (3x10) (Pin, tilt lock # Spring; # ) (Pin)

47 шт140 руб.
509265-20015-000

Подшипник (20x42x15) - Bearing (20x42x15) (Bearing assy (20x42x15); # ) (Bearing assy, 20x42x15)

14 шт4540 руб.
532004JRKOYO

   (подбор по маркировке) Подшипник KOYO 32004JR(20*42*15 мм)

2 шт460 руб.
657300-87851-000

Комплект шестерёнок - Pinion & Gear Set

под заказ48960 руб.
657300-88810-000

   (актуальный код замены) Комплект шестерёнок - Pinion & Gear Set

10 шт51670 руб.
657300-88810-000

Комплект шестерёнок - Pinion & Gear Set (PINION / GEAR SET)

10 шт51670 руб.
709140-12034-000

Гайка - Nut (Гайка)

10 шт270 руб.
809181-35101-000

Регулировочная шайба (35x42x0.5) - Shim (35x42x05) (Shim (t:0.5) # Shim (35x42x0.5); Drive shaft adjust # ) (Shim (35x42x0.50))

под заказ310 руб.
809181-33001-000

Регулировочная шайба (33.5x41.8x0.55) - Shim (335x418x055) (Washer (t:1.5) # Shim (33.5x41.8x0.55); # ) (Шайба 33.5X41.8X)

18 шт320 руб.
809181-33002-000

Регулировочная шайба (33.5x41.8x0.6) - Shim (335x418x06) (Shim (t:0.6) # Shim (33.5x41.8x0.6); # ) (Шайба 33.5X41.8X)

11 шт300 руб.
809181-33003-000

Регулировочная шайба (33.5x41.8x0.65) - Shim (335x418x065) (Waserh (t:0.65) # Shim (33.5x41.8x0.65); # ) (Шайба 33.5X41.8X)

7 шт300 руб.
809181-33004-000

Регулировочная шайба (33.5x41.8x0.7) - Shim (335x418x07) (Shim (t:0.7) # Shim (33.5x41.8x0.7); # ) (Шайба 33.5X41.8X)

9 шт300 руб.
809181-33005-000

Регулировочная шайба (33.5x41.8x0.75) - Shim (335x418x075) (Washer (t:0.75) # Shim (33.5x41.8x0.75); # ) (Шайба 33.5X41.8X)

9 шт320 руб.
809181-33006-000

Регулировочная шайба (33.5x41.8x0.8) - Shim (335x418x08) (Shim (t:0.8) # Shim (33.5x41.8x0.8); # ) (Шайба 33.5X41.8X)

2 шт300 руб.
809181-33007-000

Регулировочная шайба (33.5x41.8x0.85) - Shim (335x418x085) (Washer (t:0.85) # Shim (33.5x41.8x0.85); # ) (Шайба 33.5X41.8X)

под заказ300 руб.
809181-33008-000

Регулировочная шайба (33.5x41.8x0.9) - Shim (335x418x09) (Shim (t:0.9) # Shim (33.5x41.8x0.9); # ) (Шайба 33.5X41.8X)

7 шт300 руб.
809181-33009-000

Регулировочная шайба (33.5x41.8x0.95) - Shim (335x418x095) (Washer (t:0.95) # Shim (33.5x41.8x0.95); # ) (Шайба 33.541.8X0)

под заказ300 руб.
809181-35110-000

Регулировочная шайба (35x42x1) - Shim (35x42x1) (Shim (35x42x1); # ) (Shim (35x42x1.00))

под заказ360 руб.
909181-30186-000

Регулировочная шайба (30x42x0.5) - Shim (30x42x05) (Shim (30x42x0.5); Forward backup # ) (Шайба T:0.5)

5 шт270 руб.
909181-30187-000

Регулировочная шайба (30x42x0.6) - Shim (30x42x06) (Shim (t:0.6) # Shim (30x42x0.6); # ) (Шайба (0, 6))

13 шт270 руб.
909181-30188-000

Регулировочная шайба (30x42x0.7) - Shim (30x42x07) (Shim (t:0.7) # Shim (30x42x0.7); # ) (Шайба (0, 7))

8 шт270 руб.
909181-30190-000

Регулировочная шайба (30x42x0.8) - Shim (30x42x08) (Shim (30x42x0.8); # ) (Шайба T:0.8)

18 шт300 руб.
909181-30192-000

Регулировочная шайба (30x42x0.9) - Shim (30x42x09) (Shim (30x42x0.9); # ) (Шайба (0, 9))

8 шт270 руб.
1008221-35455-000

Регулировочная шайба - Shim (Shim (35x45x0.5) # Reverse backup # ) (Shim)

17 шт270 руб.
1009181-35131-000

Регулировочная шайба (35x46x0.6) - Shim (35x46x06) (Shim (35x45x0.6) # Shim (35x46x0.6); # ) (Шайба (0, 6))

8 шт300 руб.
1009181-35132-000

Регулировочная шайба (35x46x0.7) - Shim (35x46x07) (Shim (35x46x0.7) # Shim (35x46x0.7); # ) (Шайба (0, 7))

20 шт360 руб.
1008221-35456-000

Регулировочная шайба - Shim (Shim (35x45x0.8) # ) (Shim)

7 шт240 руб.
1009181-35136-000

Регулировочная шайба (35x46x0.9) - Shim (35x46x09) (Shim (35x45x0.9) # Shim (35x46x0.9); # ) (Шайба (0, 9))

11 шт240 руб.
1008211-35451-000

Шайба - Washer (Shim (35x45x1.0) # Washer; # ) (Thrust washer)

19 шт290 руб.
1109160-22018-000

Шайба (22.2x28x1.8) - Washer (222x28x18) (Washer (t:1.8) # Washer (22.2x28x1.8); Prop shaft thrust # ) (Шайба (1, 8))

17 шт650 руб.
1109160-22019-000

Шайба (22.5x28x1.9) - Washer (225x28x19) (Washer (t:1.9) # Washer (22.5x28x1.9); # ) (Шайба (1, 9))

7 шт290 руб.
1109160-22020-000

Шайба (22.5x28x2) - Washer (225x28x2) (Washer (t:2.0) # Washer (22.5x28x2); # ) (Шайба (0, 2))

10 шт290 руб.
1109160-22021-000

Шайба (22.5x28x2.1) - Washer (225x28x21) (Washer (t:2.1) # Washer (22.5x28x2.1); # ) (Шайба (2, 1))

13 шт350 руб.
1109160-22022-000

Шайба (22.5x28x2.2) - Washer (225x28x22) (Washer (t:2.2) # Washer (22.5x28x2.2); # ) (Шайба (2, 2))

2 шт290 руб.
1109160-22023-000

Шайба (22.5x28x2.3) - Washer (225x28x23) (Washer (t:2.3) # Washer (22.5x28x2.3); # ) (Шайба (2, 3))

4 шт290 руб.
1208211-20263-000

Шайба - Washer (Washer; # ) (Шайба)

10 шт170 руб.
1357610-94402-000

Вал гребного винта - Shaft, Propeller (SHAFT, PROPELLER)

9 шт22560 руб.
1357610-94403-000

   (актуальный код замены) Вал Comp, Гребной винт - Shaft Comp, Propeller

под заказ22560 руб.
13SK57610-94402

   (не оригинальный аналог) Вал гребной Skipper для Suzuki DT40, DF40-50, DF40A-60A Модели техники: DT40, DF40-50, DF40A-60A

0 шт6847 руб.
1457621-87J02-000

Переключатель собачки сцепления - Shifter, Clutch Dog (Переключатель)

2 шт11760 руб.
1457621-87J03-000

   (актуальный код замены) Переключатель собачки сцепления - Shifter, Clutch Dog

6 шт11760 руб.
14SK57621-87J02

   (не оригинальный аналог) Муфта переключения передач Skipper для Suzuki DT40, DF40-50, DF40A-DF60A

0 шт2236 руб.
1509202-05022-000

Штифт (5.5x38.5) - Pin (55x385) (Сухарь)

35 шт370 руб.
15SK09202-05022

   (не оригинальный аналог) Штифт шестерни переключения передач Skipper для Suzuki DT40-60/DF40-50

0 шт176 руб.
1657634-88L00-000

Штифт толкателя - Pin, Push (Pin, push; # ) (Pin, push)

под заказ850 руб.
1709440-08043-000

Пружина - Spring (Пружина)

8 шт190 руб.
1809440-40002-000

Пружина - Spring (Пружина возвратная)

15 шт270 руб.
1957631-95303-000

Тяга толкателя - Rod, Push (Rod, push)

1 шт1400 руб.
2056120-94321-0EP

Корпус, Вал гребного винта (чёрный) - Housing, Propeller Shaft (black) (Housing, prop shaft bearing (black) # Housing, prop shaft bearing (black); # ) (Обойма гребного вала)

18 шт24240 руб.
20SK56120-94321-0EP

   (не оригинальный аналог) Обойма гребного вала Skipper для Suzuki DT40, DF40-50, DF40A-60A

0 шт8394 руб.
2109263-22020-000

Подшипник (22.2x28.5x19) - Bearing (222x285x19) (Bearing # Bearing (22.2x28.5x19); # ) (Подшипник 22X28X19)

5 шт2090 руб.
21SK09263-22020

   (не оригинальный аналог) Подшипник игольчатый гребного вала Skipper для Suzuki DT40, DF40-50, DF40A-60A

0 шт1850 руб.
21B1412KOYO

   (подбор по маркировке) Подшипник KOYO B1412(22.225x28.575x19.05 мм)

под заказ0
2209289-22007-000

Сальник (22x35x5) - Seal, Oil (22x35x5) (Oil seal (22x35x5); # ) (Сальник гребного вала)

151 шт560 руб.
22SK09289-22007

   (не оригинальный аналог) Сальник гребного вала Skipper для Suzuki Модели техники: DT40, DF40-50, DF40A-60A

0 шт95 руб.
22SC-OL302

   (не оригинальный аналог) Сальник редуктора Suzuki SC-OL302

под заказ230 руб.
2309262-35070-000

Подшипник (35x62x14) - Bearing (35x62x14) (Bearing (35x62x14); # ) (Подшипник)

12 шт5080 руб.
23TAB007CV47NTN

   (подбор по маркировке) Подшипник NTN TAB007CV47(35*62*14 мм)

под заказ0
2409280-75001-000

Уплотнительное кольцо (d: 3.3, Id: 75) - O Ring (d:33, Id:75) (O ring (d:3.8 id:75) # O ring (d:3.3, id:75); # ) (O ring (d:3.3, id:75.0))

94 шт370 руб.
24SK09280-75001

   (не оригинальный аналог) Кольцо уплотнительное обоймы гребного вала Skipper для Suzuki Модели техники: DT40HP, DF40-50HP, DF40A-60A

0 шт141 руб.
2509116-08122-000

Болт (8x30) - Bolt (8x30) (Bolt (8x30); # ) (Bolt (8x30))

8 шт350 руб.
2656130-87J10-0EP

Корпус подшипника приводного вала (чёрный) - Housing, Drive Shaft Brg (black) (Housing, drive shaft bearing (black); # ) (Housing, drive shaft bearing ( black))

под заказ22040 руб.
2656130-87J12-0EP

   (актуальный код замены) Корпус подшипника приводного вала - Housing, Drive Sft Brg

под заказ22040 руб.
2709282-17005-000

Сальник (17x32x6) - Seal, Oil (17x32x6) (Oil seal (17x32x6); # ) (Сальник)

302 шт690 руб.
27SK09282-17005

   (не оригинальный аналог) Сальник ведущего вала Skipper для Suzuki Модели техники: DT40, DF40-50, DF40A-60A

0 шт124 руб.
27SC-OL098

   (не оригинальный аналог) Сальник редуктора Suzuki SC-OL098

2 шт240 руб.
2855122-88L00-000

Кольцо сальника редуктора - Ring, Gear Case Seal (Ring, gear case seal)

21 шт820 руб.
2909202-06025-000

Штифт (6x17) - Pin (6x17) (Pin (6x17) # ) (Pin)

под заказ160 руб.
3009202-06027-000

Штифт (6x23) - Pin (6x23) (Pin (6x23) # ) (Pin)

под заказ160 руб.


Время выполнения запроса 1.5851888656616 сек.

 
 

данный сайт носит информационный характер и не является публичной офертой

склад запчастей для водомоторной техники