Запчасти на лодочный мотор Suzuki DF50AQHS/L; DF50AT(H)S/L модель 2011 года - Swivel bracket
вконтакте

Контактный телефон: +7 (981) 121-46-93, +7 (800) 200-90-76 , Email: parts-katalog@yandex.ru, где купить

 
 

  Логин:

Пароль:

Регистрация

www.partskatalog.ru Все каталоги Запчасти Mercury Запчасти Suzuki Запчасти Tohatsu Запчасти Honda Контакты



УВАЖАЕМЫЕ КЛИЕНТЫ!
C 19 ДЕКАБРЯ 2025 ПО 02 МАРТА 2026 ГОДА ОТДЕЛ ЗАПЧАСТЕЙ И СЕРВИС РАБОТАТЬ НЕ БУДУТ
ПРОДАЖА ЛОДОЧНЫХ МОТОРОВ В ШТАТНОМ РЕЖИМЕ
ОБ ИЗМЕНЕНИЯХ В ГРАФИКЕ РАБОТЫ ЧИТАЙТЕ НА САЙТА



назад Раздел:   вперёд

Вернуться к выбору узлов мотора


ДЕТАЛИРОВКА ДЛЯ МОДЕЛИ: SUZUKI DF50ATL/DF50ATHL FROM 05003F-210001~ (E01)

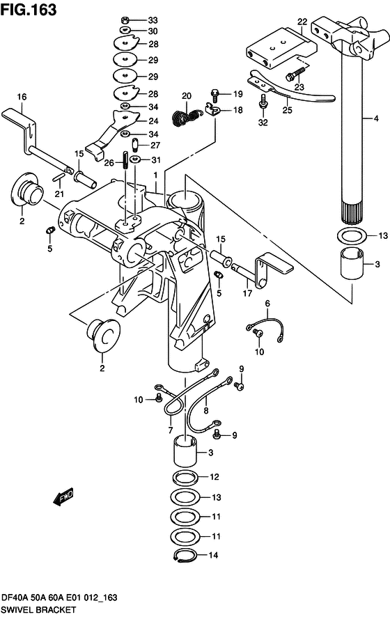
Поворотный кронштейн


Код модели двигателя: DF50AQHS/L; DF50AT(H)S/L

Год выпуска двигателя: 2011

Регион: General Export No.1 ,Код региона: P01

Цвет: Shadow Black Metallic

Номер на
рисунке
АртикулНаименованиеQTYКол-во
на складе
Цена
143111-88L20-0EP

Поворотный кронштейн - Bracket, Swivel (W/TRANSOM (X) UP TO VIN.212189 # )

под заказ104640 руб.
143111-88L21-0EP

   (актуальный код замены) Поворотный кронштейн - Bracket, Swivel

под заказ104640 руб.
143111-88L21-0EP

Поворотный кронштейн - Bracket, Swivel (Bracket, swivel (l) (black))

под заказ104640 руб.
143111-88L21-0EP

Поворотный кронштейн - Bracket, Swivel (W/TRANSOM (X) FROM VIN.212190 # ) (Bracket, swivel (l) (black))

под заказ104640 руб.
243211-87J00-000

Втулка поворотного кронштейна - Bush, Swivel Bracket (Втулка шарнирного соединения)

10 шт1020 руб.
343711-89J10-000

Втулка рулевой системы - Bush, Steering (Втулка управления)

23 шт1430 руб.
443750-88L20-0EP

Кронштейн рулевого управления (чёрный) - Bracket, Steering (black) (W/TRANSOM (L) # )

под заказ57120 руб.
443750-88L22-0EP

   (актуальный код замены) Кронштейн, Strg (l, X) (чёрный) - Bracket, Strg (l, X) (black)

под заказ57120 руб.
443750-88L21-0EP

Кронштейн рулевого управления (чёрный) - Bracket, Steering (black) (Bracket, steering)

под заказ57120 руб.
443750-88L22-0EP

   (актуальный код замены) Кронштейн, Strg (l, X) (чёрный) - Bracket, Strg (l, X) (black)

под заказ57120 руб.
522511-99011-000

Ниппель смазки - Nipple, Grease (Ниппель)

9 шт400 руб.
636894-95201-000

Lead (l: 165) - Lead (l:165) (Провод)

под заказ1170 руб.
736895-87D01-000

Lead (l: 210) - Lead (l:210) (Провод)

1 шт1420 руб.
836895-87D01-000

Lead (l: 210) - Lead (l:210) (Провод)

1 шт1420 руб.
909125-06063-000

Винт (6x10) - Screw (6x10) (Винт 6X10 (SUS))

6 шт190 руб.
1029125-93J10-000

Винт - Screw (Screw (5x8) # ) (Болт)

под заказ150 руб.
1009125-05050-000

   (актуальный код замены) Винт (5x8) - Screw (5x8)

под заказ150 руб.
1109160-39003-000

Шайба (39.5x58x0.3) - Washer (395x58x03) (Шайба)

8 шт390 руб.
1209282-39001-000

Сальник (39x51x5) - Seal, Oil (39x51x5) (Seal, oil # ) (Сальник 39X51X)

22 шт690 руб.
1309160-39002-000

Шайба (39.5x58x1) - Washer (395x58x1) (Шайба)

27 шт390 руб.
1409380-38003-000

Стопорное кольцо - Circlip (Circlip)

5 шт600 руб.
1541226-97E00-000

Втулка рычаша блокировки наклона - Bush, Tilt Lock Lever (Bush, tilt lock lever # ) (Втулка ручки блокировки)

2 шт490 руб.
1641270-89J10-000

Правый рычаг блокировки наклона - Lever, Tilt Lock Stbd (Lever, tilt lock stbd)

под заказ4280 руб.
1641270-89J11-000

   (актуальный код замены) Правый рычаг блокировки наклона - Lever, Tilt Lock Stbd

под заказ4280 руб.
1741280-89J04-000

Левый рычаг блокировки наклона - Lever, Tilt Lock Port (Lever, tilt lock port)

под заказ3630 руб.
1845731-96312-000

Кронштейн, Пружина - Bracket, Spring (Bracket, spring)

под заказ530 руб.
1909116-06094-000

Болт (6x15) - Bolt (6x15) (Болт 6X15)

20 шт270 руб.
2041230-97E10-000

Пружина фиксатора наклона - Spring, Tilt Lock (Spring, tilt lock # ) (Пружина)

под заказ2280 руб.
2109205-03012-000

Стопор пружины (3x16) - Pin, Spring (3x16) (Pin, gear # ) (Штифт L:16)

12 шт190 руб.
2243755-87L12-0EP

Удлинитель, Strng Brkt - Extension, Strng Brkt (Extension, steering bracket)

под заказ15940 руб.
2309116-10150-000

Болт (10x55) - Bolt (10x55) (Болт 10X55)

9 шт1270 руб.
2443411-88L00-000

Регулировка рулевой системы - Adjuster, Steering (Adjuster, steering)

под заказ2960 руб.
2443411-88L02-000

   (актуальный код замены) Регулировка рулевой системы - Adjuster, Steering

под заказ2960 руб.
2543415-88L00-000

Пластина рулевого управления Регулятор - Plate, Steering Adjuster (Plate, steering adjuster)

под заказ3220 руб.
2643512-88L00-000

Резьбовой вал регулировки рулевого управления - Shaft, Strg Adjuster Thread (Shaft, strg adj thread)

под заказ1900 руб.
2743513-88L00-000

Болт регулировки рулевого управления - Bolt, Steering Adjuster (Bolt, steering adjuster)

под заказ1150 руб.
2843514-88L00-000

Пластина фрикциона регулировки рулевого управления - Plate, Strg Adjuster Friction (Plate, strg adjuster friction)

под заказ740 руб.
2943515-88L00-000

Шайба фрикциона регулировки рулевой системы Пластина - Washer, Strg Adj Friction Plate (Washer, strg adj friction plate)

под заказ1820 руб.
3043516-88L00-000

Шайба фрикциона регулировки рулевого управления - Washer, Strg Adjuster Friction (Washer, strg adjuster friction)

под заказ580 руб.
3143517-88L00-000

Проставка регулятора рулевой системы - Spacer, Steering Adjuster (Spacer, steering adjuster)

под заказ600 руб.
3209116-06094-000

Болт (6x15) - Bolt (6x15) (Болт 6X15)

20 шт270 руб.
3309159-08059-000

Гайка - Nut (Nut, clutch lever # ) (Гайка)

13 шт390 руб.
3409161-08011-000

Шайба (8.2x18x1.2) - Washer (82x18x12) (Washer (8.2x18x1.2) # ) (Washer 8.2 x18x)

под заказ150 руб.
3522511-99011-000

Ниппель смазки - Nipple, Grease (FROM VIN.212190 NOT ILLUSTRATED # ) (Ниппель)

9 шт400 руб.


Время выполнения запроса 1.3034431934357 сек.

 
 

данный сайт носит информационный характер и не является публичной офертой

склад запчастей для водомоторной техники