| |
 |
|
 |
Вернуться к выбору узлов мотора
ДЕТАЛИРОВКА ДЛЯ МОДЕЛИ: SUZUKI DF60ATL/DF60ATHL/DT60AQHL FROM 06002F-310001~ (E01,E40)
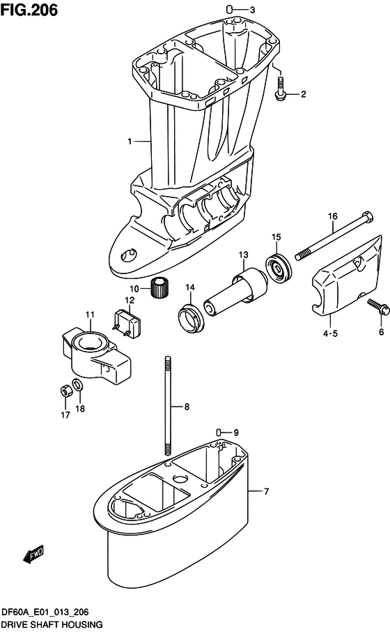
Корпус вала передачи
Код модели двигателя: DF60AT(H)S/L/X; DF60AQHS/L/X; DF60AWT(H)S/L/X; DF60AWQHL/X
Год выпуска двигателя: 2013
Регион: General Export No.1/Costa Rica ,Код региона: P01
Цвет: Shadow Black Metallic
Номер на рисунке | Артикул | Наименование | QTY | Кол-во на складе | Цена |
| 1 | 52111-88L10-0EP | Корпус вала передачи (l / x) чёрный - Housing, Drive Shaft (l/x) Black (Housing, drive shaft (l, x)) | | под заказ | 61920 руб. |
| 2 | 09116-10176-000 | Болт (10x44) - Bolt (10x44) (Bolt, 10x44) | | 4 шт | 760 руб. |
| 3 | 09202-08006-000 | Штифт (8x12) - Pin (8x12) (Pin, knock # ) (Pin) | | под заказ | 280 руб. |
| 4 | 54221-88L00-0EP | Крышка нижней опоры Stbd - Cover, Lower Mount Stbd (Cover, lower mount stbd) | | под заказ | 7350 руб. |
| 4 | 54221-88L20-0EP | (актуальный код замены) Крышка нижней опоры Stbd - Cover, Lower Mount Stbd | | под заказ | 7350 руб. |
| 5 | 54231-88L00-0EP | Крышка нижней опоры Port - Cover, Lower Mount Port | | под заказ | 7350 руб. |
| 5 | 54231-88L10-0EP | (актуальный код замены) Крышка нижней опоры Port - Cover, Lower Mount Port | | под заказ | 7350 руб. |
| 5 | 54231-88L01-0EP | Крышка нижней опоры Port - Cover, Lower Mount Port (Cover, lower mount port) | | под заказ | 7350 руб. |
| 5 | 54231-88L10-0EP | (актуальный код замены) Крышка нижней опоры Port - Cover, Lower Mount Port | | под заказ | 7350 руб. |
| 6 | 09116-10176-000 | Болт (10x44) - Bolt (10x44) (Bolt, 10x44) | | 4 шт | 760 руб. |
| 7 | 52131-88L00-0EP | Удлинитель копуса - Case, Extension (W/TRANSOM (X) # ) (Case, extension) | | под заказ | 33120 руб. |
| 8 | 09108-08254-000 | Болт под шпильку - Bolt, Stud (W/TRANSOM (X) # ) (Болт) | | под заказ | 1470 руб. |
| 9 | 09202-06023-000 | Штифт (6x10) - Pin (6x10) (W/TRANSOM (X) # ) (Pin) | | 6 шт | 290 руб. |
| 10 | 57130-94301-000 | Втулка вала передачи - Bush, Drive Shaft (Bush, dirve shaft # W/TRANSOM (X) # ) (Втулка вала) | | 11 шт | 1000 руб. |
| 11 | 54211-87J10-0EP | Нижний кронштейн Крепление - Bracket, Lower Mount | | под заказ | 15840 руб. |
| 11 | 54211-87J30-0EP | (актуальный код замены) Нижний кронштейн Крепление - Bracket, Lower Mount | | под заказ | 15840 руб. |
| 11 | 54211-87J30-0EP | Нижний кронштейн Крепление - Bracket, Lower Mount (Bracket, lower mount) | | под заказ | 15840 руб. |
| 12 | 54151-88L00-000 | Крепление нижнего упора - Mount, Lwr Thrust (Mount, lower thrust) | | 1 шт | 940 руб. |
| 12 | 54151-88L01-000 | (актуальный код замены) Крепление нижнего упора - Mount, Lower Thrust | | 1 шт | 940 руб. |
| 13 | 54160-88L10-000 | Крепление, Lwr - Mount, Lwr (Mount, lower) | | под заказ | 7680 руб. |
| 14 | 54167-87L01-000 | Крепление, Lwr Side - Mount, Lwr Side (Mount, lower side) | | под заказ | 730 руб. |
| 15 | 54180-88L00-000 | Демфер переднего стопора - Damper, Forward Stopper (Damper, forward stopper) | | под заказ | 2520 руб. |
| 15 | 54180-88L01-000 | (актуальный код замены) Демфер переднего стопора - Damper, Forward Stopper | | 2 шт | 3410 руб. |
| 16 | 54166-95J02-000 | Болт, Lwr Крепление - Bolt, Lwr Mount (Bolt, lower mount) | | под заказ | 3700 руб. |
| 17 | 09159-12014-000 | Гайка - Nut (Гайка) | | 18 шт | 370 руб. |
| 18 | 54114-90J01-000 | Шайба, Mt Болт (12.5x22x3.0) - Washer, Mt Bolt (125x22x30) (Washer, lwr mt bolt, 12.5x22x3.0) | | под заказ | 1160 руб. |
| 18 | 54114-90J10-000 | (актуальный код замены) Шайба болта верхнего крепежа - Washer, Upper Mount Bolt | | под заказ | 1160 руб. |
Время выполнения запроса 1.8532049655914 сек. |
|