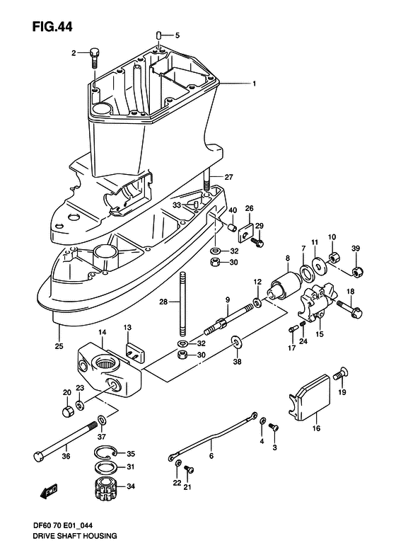
Комплектующие на подвесной лодочный мотор SUZUKI DF60TL - Корпус вала передачи / Drive shaft housing
вконтакте

Контактный телефон: +7 (981) 121-46-93, +7 (800) 200-90-76 , Email: parts-katalog@yandex.ru, где купить

 
 

  Логин:

Пароль:

Регистрация

www.partskatalog.ru Все каталоги Запчасти Mercury Запчасти Suzuki Запчасти Tohatsu Запчасти Honda Контакты



УВАЖАЕМЫЕ КЛИЕНТЫ!
C 19 ДЕКАБРЯ 2025 ПО 02 МАРТА 2026 ГОДА ОТДЕЛ ЗАПЧАСТЕЙ И СЕРВИС РАБОТАТЬ НЕ БУДУТ
ПРОДАЖА ЛОДОЧНЫХ МОТОРОВ В ШТАТНОМ РЕЖИМЕ
ОБ ИЗМЕНЕНИЯХ В ГРАФИКЕ РАБОТЫ ЧИТАЙТЕ НА САЙТА



назад Раздел:   вперёд

Вернуться к выбору узлов мотора


ДЕТАЛИРОВКА ДЛЯ МОДЕЛИ: SUZUKI DF60TL W

Корпус вала передачи


Код модели двигателя: DF60TL

Год выпуска двигателя: 1998

Цвет: Shadow Black Metallic

Номер на
рисунке
АртикулНаименованиеQTYКол-во
на складе
Цена
152111-99E00-0EP

(->2111-99E01-0EP USED WITH 09202-07001 # )

под заказнет сведений
109202-07001-000

Штифт (7x10) - Pin (7x10) (Pin, dowel # ) (Pin)

под заказ160 руб.
109202-07006-000

   (актуальный код замены) Штифт (7x10) - Pin (7x10)

под заказ160 руб.
152111-99E03-0EP

Корпус вала передачи - Housing, Drive Shaft (Копрус торсионного вала (черный))

под заказ0 руб.
152111-99E03-0EP

Корпус вала передачи - Housing, Drive Shaft (DF60:971962~MODEL:05 DF70:973164~MODEL:05 # ) (Копрус торсионного вала (черный))

под заказ0 руб.
152111-99E10-0EP

Корпус вала передачи (черный цвет) - Housing, Drive Shaft (black) (DF60:510599~ DF70:512084~ # ) (Копрус торсионного вала (черный))

под заказ0 руб.
209117-10034-000

Болт (10x44) - Bolt (10x44)

под заказ610 руб.
209116-10176-000

   (актуальный код замены) Болт (10x44) - Bolt (10x44)

4 шт760 руб.
209116-10176-000

Болт (10x44) - Bolt (10x44) (Bolt, 10x44)

4 шт760 руб.
209117-10058-000

Болт (10x44) - Bolt (10x44) (MODEL:05~09 # )

под заказ610 руб.
209116-10176-000

   (актуальный код замены) Болт (10x44) - Bolt (10x44)

4 шт760 руб.
209116-10176-000

Болт (10x44) - Bolt (10x44) (Bolt, 10x44)

4 шт760 руб.
329125-93J10-000

Винт - Screw (Screw (5x8) # <-9125-05050 # ) (Болт)

под заказ150 руб.
309125-05050-000

   (актуальный код замены) Винт (5x8) - Screw (5x8)

под заказ150 руб.
409161-05114-000

Шайба (5.2x11x1) - Washer (52x11x1) (Washer (5.2x11.0x1.0) # ~MODEL:00 # ) (Шайба)

под заказ290 руб.
509202-08006-000

Штифт (8x12) - Pin (8x12) (Pin, knock # ) (Pin)

под заказ280 руб.
636894-95201-000

Lead (l: 165) - Lead (l:165) (Провод)

под заказ1170 руб.
754121-87D00-000

Стопор - Stopper (Damper, reverse stopper lower # ) (Демпфер нижний)

под заказ520 руб.
754121-87D01-000

   (актуальный код замены) Демфер обратного стопора нижний - Damper, Reverse Stopper Lower

под заказ520 руб.
854160-87E11-000

Крепление, Lwr - Mount, Lwr (Опора нижняя)

под заказ10180 руб.
954166-87E00-000

Запчасть снята с производства - The Spare Part Is Laid Off (DF60:~421094 DF70:~421589 ->4200-87840-0EP CONTENTS BRACKET, LOWER MOUNT BOLT, LOWER MOUNT (09100-12087X2) WASHER, LOWER MOUNT (09100-12098X2) # )

под заказ0 руб.
1009140-12029-000

Гайка - Nut (DF60:~421094 DF70:~421589 # ) (Гайка)

под заказ310 руб.
1109160-12065-000

Шайба (12x40x3) - Washer (12x40x3) (Washer (12x40x3.0) # ) (Шайба)

под заказ470 руб.
1109160-12112-000

Шайба (12x40x3) - Washer (12x40x3) (DF60:510198~ DF70:510873~ # ) (Шайба)

под заказ410 руб.
1209160-12066-000

Шайба (12.5x22x2.5) - Washer (125x22x25) (Washer (12.5x22x2.5) # DF60:~421094 DF70:~421589 # ) (Шайба)

19 шт150 руб.
1354151-94400-000

Крепление нижнего упора - Mount, Lwr Thrust

под заказ730 руб.
1354151-99E00-000

   (актуальный код замены) Крепление нижнего упора - Mount, Lwr Thrust

под заказ730 руб.
1354151-99E00-000

Крепление нижнего упора - Mount, Lwr Thrust (Опора нижняя)

под заказ730 руб.
1354151-99E00-000

Крепление нижнего упора - Mount, Lwr Thrust (MODEL:06~09 # ) (Опора нижняя)

под заказ730 руб.
1454211-87E00-0EP

(->4211-87E01-0EP USED WITH 09125-05050 # )

под заказнет сведений
1409125-05050-000

Винт (5x8) - Screw (5x8) (Винт 5X8)

под заказ150 руб.
1409161-05114-000

Шайба (5.2x11x1) - Washer (52x11x1) (Washer (5.2x11.0x1.0) # ) (Шайба)

под заказ290 руб.
1454200-87842-0EP

Кронштейн Set, Lwr Крепление - Bracket Set, Lwr Mount (Bracket set, lower mount)

под заказ20360 руб.
1454211-87E02-0EP

Кронштейн Set, Lwr Крепление - Bracket Set, Lwr Mount (DF60:031758~421094 DF70:033524~421589 ->4200-87840-0EP CONTENTS BRACKET, LOWER MOUNT BOLT, LOWER MOUNT (09100-12087X2) WASHER, LOWER MOUNT (09100-12098X2) # )

под заказ20360 руб.
1454200-87842-0EP

   (актуальный код замены) Кронштейн Set, Lwr Крепление - Bracket Set, Lwr Mount

под заказ20360 руб.
1454200-87842-0EP

Кронштейн Set, Lwr Крепление - Bracket Set, Lwr Mount (Bracket set, lower mount)

под заказ20360 руб.
1454211-87E03-0EP

Нижний кронштейн Крепление - Bracket, Lower Mount (DF60:421095~ DF70:421590~ # ) (Кронштейн нижней опоры (чёрный))

под заказ17240 руб.
1554221-87E01-0EP

Крышка нижней опоры - Cover, Lower Mount (DF60:~510598 DF70:~512083 # ) (Крышка нижней опоры (чёрная))

под заказ5720 руб.
1554221-99E10-0EP

Крышка, Lwr Крепление - Cover, Lwr Mount (DF60:510599~ DF70:512084~ # ) (Крышка нижней опоры (чёрная))

под заказ0 руб.
1654222-87E02-0EP

Колпачок, нижний Крепление Крышка - Cap, Lower Mount Cover (DF60:~510598 DF70:~512083 # ) (Крышка нижней опоры (чёрная))

под заказ0 руб.
1754224-87E00-000

Штифт, Lwr Крепление Колпачок - Pin, Lwr Mount Cap (DF60:~510598 DF70:~512083 # ) (Штифт нижней опоры)

под заказ0 руб.
1809117-08056-000

Болт (8x40) - Bolt (8x40) (DF60:~510598 DF70:~512083 # )

под заказ2010 руб.
1809117-08056-XC0

   (актуальный код замены) Болт (8x40) - Bolt (8x40)

под заказ2010 руб.
1809117-08056-XC0

Болт (8x40) - Bolt (8x40) (Болт, 8X40)

под заказ2010 руб.
1809116-10139-000

Болт (10x44) - Bolt (10x44) (DF60:510599~ DF70:512084~ # )

под заказ610 руб.
1809116-10176-000

   (актуальный код замены) Болт (10x44) - Bolt (10x44)

4 шт760 руб.
1809116-10176-000

Болт (10x44) - Bolt (10x44) (Bolt, 10x44)

4 шт760 руб.
1909126-06008-000

Винт (6x16) - Screw (6x16) (DF60:~510598 DF70:~512083 # ) (Винт 6X16 (SUS)

под заказ220 руб.
2009145-12004-000

Гайка - Nut (MODEL:98 # )

под заказ660 руб.
2009145-12004-XC0

   (актуальный код замены) Гайка - Nut

под заказ660 руб.
2009145-12004-XC0

Гайка - Nut (Гайка)

под заказ660 руб.
2009159-12014-000

Гайка - Nut (DF60:971001~421094 DF70:971001~421589 # ) (Гайка)

18 шт370 руб.
2109125-06063-000

Винт (6x10) - Screw (6x10) (Винт 6X10 (SUS))

6 шт190 руб.
2129125-93J10-000

Винт - Screw (Screw (5x8) # DF60:031758~MODEL:09 DF70:033524~MODEL:09 <-9125-05050 # ) (Болт)

под заказ150 руб.
2109125-05050-000

   (актуальный код замены) Винт (5x8) - Screw (5x8)

под заказ150 руб.
2209161-06120-000

Шайба (6.3x12.5x1) - Washer (63x125x1) (~MODEL:00 # ) (Шайба)

под заказ0 руб.
2309160-12066-000

Шайба (12.5x22x2.5) - Washer (125x22x25) (Washer (12.5x22x2.5) # DF60:~421094 DF70:~421589 # ) (Шайба)

19 шт150 руб.
2409440-07066-000

Пружина - Spring (DF60:~510598 DF70:~512083 # ) (Пружина)

под заказ0 руб.
2552131-99E01-0EP

Удлинитель копуса - Case, Extension (TYPE:X # ) (Корпус удлиняющий (чёрный))

под заказ80160 руб.
2655320-95311-000

Защитный цинковый анод - Zinc Set, Protection (TYPE:X # ) (Протектор цинковый)

16 шт1320 руб.
2709108-10026-000

Болт под шпильку - Bolt, Stud (TYPE:X # ) (Болт)

под заказ520 руб.
2809108-10115-000

Болт под шпильку - Bolt, Stud (Bolt, extension case stud no.1 # TYPE:X # ) (Болт)

под заказ1850 руб.
2909116-06099-000

Болт (6x35) - Bolt (6x35) (Bolt (6x35) # TYPE:X # ) (Bolt)

под заказ310 руб.
3029141-93J20-000

Гайка - Nut (Nut, trim cyl ram (m10) # TYPE:X <-9140-10031 # ) (Гайка)

под заказ160 руб.
3009140-10031-000

   (актуальный код замены) Гайка - Nut

10 шт160 руб.
3109160-28020-000

Шайба (28x40x1.5) - Washer (28x40x15) (TYPE:X # ) (Шайба)

под заказ380 руб.
3209162-10005-000

Шайба с блокировкой - Washer, Lock (Lock washer # TYPE:X # ) (Washer lock)

под заказ130 руб.
3209160-10141-000

Шайба (10.5x19x2) - Washer (105x19x2) (Washer, drive shaft hsg stud (10.5x19x2) # TYPE:X MODEL:08~09 # ) (Шайба)

10 шт250 руб.
3309202-08006-000

Штифт (8x12) - Pin (8x12) (Pin, knock # TYPE:X # ) (Pin)

под заказ280 руб.
3457130-87E01-000

Втулка вала передачи - Bush, Drive Shaft (TYPE:X # )

под заказ5280 руб.
3457130-87E02-000

   (актуальный код замены) Втулка вала передачи - Bush, Drive Shaft

под заказ5280 руб.
3457130-87E02-000

Втулка вала передачи - Bush, Drive Shaft (Bush, drive shaft)

под заказ5280 руб.
3509381-40005-000

Стопорное кольцо - Circlip (TYPE:X # ) (Circlip)

под заказ500 руб.
3654166-99E01-000

Болт, Lwr Крепление - Bolt, Lwr Mount (DF60:421095~ DF70:421590~ <-9100-12087 # ) (Болт нижней опоры)

под заказ3870 руб.
3709160-12066-000

Шайба (12.5x22x2.5) - Washer (125x22x25) (Washer (12.5x22x2.5) # DF60:421095~ DF70:421590~ # ) (Шайба)

19 шт150 руб.
3754114-90J00-000

Шайба, Mt Болт (12.5x22x3.0) - Washer, Mt Bolt (125x22x30) (DF60:510198~ DF70:510873~ # )

под заказ1160 руб.
3754114-90J10-000

   (актуальный код замены) Шайба болта верхнего крепежа - Washer, Upper Mount Bolt

под заказ1160 руб.
3754114-90J01-000

Шайба, Mt Болт (12.5x22x3.0) - Washer, Mt Bolt (125x22x30) (Washer, lwr mt bolt, 12.5x22x3.0)

под заказ1160 руб.
3754114-90J10-000

   (актуальный код замены) Шайба болта верхнего крепежа - Washer, Upper Mount Bolt

под заказ1160 руб.
3809160-12113-000

Шайба (12.5x30x2.5) - Washer (125x30x25) (DF60:421095~ DF70:421590~ <-9160-12098 # ) (Шайба)

под заказ280 руб.
3909159-12014-000

Гайка - Nut (DF60:421095~ DF70:421590~ # ) (Гайка)

18 шт370 руб.
4055323-99E00-000

Проставка, Zinc Protection - Spacer, Zinc Protection (TYPE:X DF60:510185~ DF70:510727~ # ) (Прокладка цинкового протектора)

под заказ620 руб.


Время выполнения запроса 6.574639081955 сек.

 
 

данный сайт носит информационный характер и не является публичной офертой

склад запчастей для водомоторной техники