Код модели двигателя: DF60AT(H)S/L/X; DF60AQHS/L/X; DF60AWT(H)S/L/X; DF60AWQHL/X
Номер на рисунке | Артикул | Наименование | QTY | Кол-во на складе | Цена |
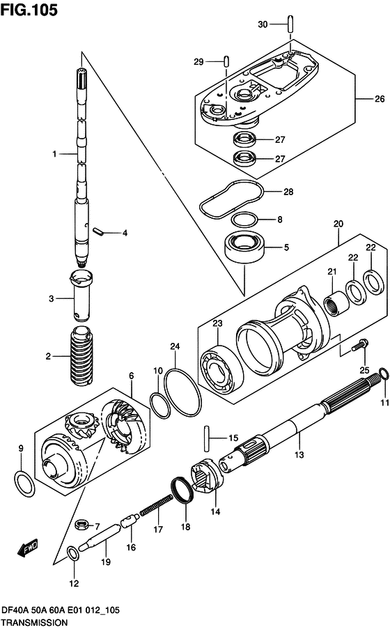
| 1 | 57110-88L12-000 | Вал привода (l) - Shaft, Drive (l) (W/TRANSOM (L) # ) (Shaft, drive (l)) | | 1 шт | 39010 руб. |
| 1 | 57110-88L22-000 | Вал привода (x) - Shaft, Drive (x) (W/TRANSOM (X) # ) (Shaft, drive (x)) | | под заказ | 41280 руб. |
| 2 | 57133-88L01-000 | Воротник приводного вала - Collar, Drive Shaft (Collar, drive shaft) | | 6 шт | 1530 руб. |
| 3 | 57133-94400-000 | Пружина корпуса приводного вала - Housing, Drive Shaft Spring (Housing, drive shaft spring # ) (Обойма пружины) | | 13 шт | 1530 руб. |
| 4 | 09205-03019-000 | Стопор пружины (3x10) - Pin, Spring (3x10) (Pin, tilt lock # ) (Pin) | | 47 шт | 140 руб. |
| 5 | 09265-20015-000 | Подшипник (20x42x15) - Bearing (20x42x15) (Bearing assy, 20x42x15) | | 13 шт | 4540 руб. |
| 5 | 32004JRKOYO | (подбор по маркировке) Подшипник KOYO 32004JR(20*42*15 мм) | | 2 шт | 460 руб. |
| 6 | 57300-87851-000 | Комплект шестерёнок - Pinion & Gear Set | | под заказ | 48960 руб. |
| 6 | 57300-88810-000 | (актуальный код замены) Комплект шестерёнок - Pinion & Gear Set | | 10 шт | 51670 руб. |
| 6 | 57300-88810-000 | Комплект шестерёнок - Pinion & Gear Set (PINION / GEAR SET) | | 10 шт | 51670 руб. |
| 7 | 09140-12034-000 | Гайка - Nut (Гайка) | | 10 шт | 270 руб. |
| 8 | 09181-33001-000 | Регулировочная шайба (33.5x41.8x0.55) - Shim (335x418x055) (Washer (t:1.5) # ) (Шайба 33.5X41.8X) | | 18 шт | 320 руб. |
| 8 | 09181-33002-000 | Регулировочная шайба (33.5x41.8x0.6) - Shim (335x418x06) (Shim (t:0.6) # ) (Шайба 33.5X41.8X) | | 11 шт | 300 руб. |
| 8 | 09181-33003-000 | Регулировочная шайба (33.5x41.8x0.65) - Shim (335x418x065) (Waserh (t:0.65) # ) (Шайба 33.5X41.8X) | | 7 шт | 300 руб. |
| 8 | 09181-33004-000 | Регулировочная шайба (33.5x41.8x0.7) - Shim (335x418x07) (Shim (t:0.7) # ) (Шайба 33.5X41.8X) | | 9 шт | 300 руб. |
| 8 | 09181-33005-000 | Регулировочная шайба (33.5x41.8x0.75) - Shim (335x418x075) (Washer (t:0.75) # ) (Шайба 33.5X41.8X) | | 9 шт | 320 руб. |
| 8 | 09181-33006-000 | Регулировочная шайба (33.5x41.8x0.8) - Shim (335x418x08) (Shim (t:0.8) # ) (Шайба 33.5X41.8X) | | 2 шт | 300 руб. |
| 8 | 09181-33007-000 | Регулировочная шайба (33.5x41.8x0.85) - Shim (335x418x085) (Washer (t:0.85) # ) (Шайба 33.5X41.8X) | | под заказ | 300 руб. |
| 8 | 09181-33008-000 | Регулировочная шайба (33.5x41.8x0.9) - Shim (335x418x09) (Shim (t:0.9) # ) (Шайба 33.5X41.8X) | | 7 шт | 300 руб. |
| 8 | 09181-33009-000 | Регулировочная шайба (33.5x41.8x0.95) - Shim (335x418x095) (Washer (t:0.95) # ) (Шайба 33.541.8X0) | | под заказ | 300 руб. |
| 8 | 09181-35101-000 | Регулировочная шайба (35x42x0.5) - Shim (35x42x05) (Shim (t:0.5) # ) (Shim (35x42x0.50)) | | под заказ | 310 руб. |
| 8 | 09181-35110-000 | Регулировочная шайба (35x42x1) - Shim (35x42x1) (Shim (35x42x1.00)) | | под заказ | 360 руб. |
| 9 | 09181-30186-000 | Регулировочная шайба (30x42x0.5) - Shim (30x42x05) (Шайба T:0.5) | | 5 шт | 270 руб. |
| 9 | 09181-30187-000 | Регулировочная шайба (30x42x0.6) - Shim (30x42x06) (Shim (t:0.6) # ) (Шайба (0, 6)) | | 13 шт | 270 руб. |
| 9 | 09181-30188-000 | Регулировочная шайба (30x42x0.7) - Shim (30x42x07) (Shim (t:0.7) # ) (Шайба (0, 7)) | | 8 шт | 270 руб. |
| 9 | 09181-30190-000 | Регулировочная шайба (30x42x0.8) - Shim (30x42x08) (Шайба T:0.8) | | 18 шт | 300 руб. |
| 9 | 09181-30192-000 | Регулировочная шайба (30x42x0.9) - Shim (30x42x09) (Шайба (0, 9)) | | 8 шт | 270 руб. |
| 10 | 08211-35451-000 | Шайба - Washer (Shim (35x45x1.0) # ) (Thrust washer) | | 19 шт | 290 руб. |
| 10 | 08221-35455-000 | Регулировочная шайба - Shim (Shim (35x45x0.5) # ) (Shim) | | 17 шт | 270 руб. |
| 10 | 08221-35456-000 | Регулировочная шайба - Shim (Shim (35x45x0.8) # ) (Shim) | | 7 шт | 240 руб. |
| 10 | 09181-35131-000 | Регулировочная шайба (35x46x0.6) - Shim (35x46x06) (Shim (35x45x0.6) # ) (Шайба (0, 6)) | | 8 шт | 300 руб. |
| 10 | 09181-35132-000 | Регулировочная шайба (35x46x0.7) - Shim (35x46x07) (Shim (35x46x0.7) # ) (Шайба (0, 7)) | | 20 шт | 360 руб. |
| 10 | 09181-35136-000 | Регулировочная шайба (35x46x0.9) - Shim (35x46x09) (Shim (35x45x0.9) # ) (Шайба (0, 9)) | | 11 шт | 240 руб. |
| 11 | 09160-22018-000 | Шайба (22.2x28x1.8) - Washer (222x28x18) (Washer (t:1.8) # PROP SHAFT THRUST # ) (Шайба (1, 8)) | | 17 шт | 650 руб. |
| 11 | 09160-22019-000 | Шайба (22.5x28x1.9) - Washer (225x28x19) (Washer (t:1.9) # ) (Шайба (1, 9)) | | 7 шт | 290 руб. |
| 11 | 09160-22020-000 | Шайба (22.5x28x2) - Washer (225x28x2) (Washer (t:2.0) # ) (Шайба (0, 2)) | | 10 шт | 290 руб. |
| 11 | 09160-22021-000 | Шайба (22.5x28x2.1) - Washer (225x28x21) (Washer (t:2.1) # ) (Шайба (2, 1)) | | 13 шт | 350 руб. |
| 11 | 09160-22022-000 | Шайба (22.5x28x2.2) - Washer (225x28x22) (Washer (t:2.2) # ) (Шайба (2, 2)) | | 2 шт | 290 руб. |
| 11 | 09160-22023-000 | Шайба (22.5x28x2.3) - Washer (225x28x23) (Washer (t:2.3) # ) (Шайба (2, 3)) | | 4 шт | 290 руб. |
| 12 | 08211-20263-000 | Шайба - Washer (Шайба) | | 10 шт | 170 руб. |
| 13 | 57610-94402-000 | Вал гребного винта - Shaft, Propeller (SHAFT, PROPELLER) | | 9 шт | 22560 руб. |
| 13 | 57610-94403-000 | (актуальный код замены) Вал Comp, Гребной винт - Shaft Comp, Propeller | | под заказ | 22560 руб. |
| 13 | SK57610-94402 | (не оригинальный аналог) Вал гребной Skipper для Suzuki DT40, DF40-50, DF40A-60A Модели техники: DT40, DF40-50, DF40A-60A | | 0 шт | 6847 руб. |
| 14 | 57621-87J02-000 | Переключатель собачки сцепления - Shifter, Clutch Dog (Переключатель) | | 2 шт | 11760 руб. |
| 14 | 57621-87J03-000 | (актуальный код замены) Переключатель собачки сцепления - Shifter, Clutch Dog | | 6 шт | 11760 руб. |
| 14 | SK57621-87J02 | (не оригинальный аналог) Муфта переключения передач Skipper для Suzuki DT40, DF40-50, DF40A-DF60A | | 0 шт | 2236 руб. |
| 15 | 09202-05022-000 | Штифт (5.5x38.5) - Pin (55x385) (Сухарь) | | 35 шт | 370 руб. |
| 15 | SK09202-05022 | (не оригинальный аналог) Штифт шестерни переключения передач Skipper для Suzuki DT40-60/DF40-50 | | 0 шт | 176 руб. |
| 16 | 57634-88L00-000 | Штифт толкателя - Pin, Push (Pin, push) | | под заказ | 850 руб. |
| 17 | 09440-08043-000 | Пружина - Spring (Пружина) | | 8 шт | 190 руб. |
| 18 | 09440-40002-000 | Пружина - Spring (Пружина возвратная) | | 15 шт | 270 руб. |
| 19 | 57631-95303-000 | Тяга толкателя - Rod, Push (Rod, push) | | 5 шт | 1400 руб. |
| 20 | 56120-94321-0EP | Корпус, Вал гребного винта (чёрный) - Housing, Propeller Shaft (black) (Housing, prop shaft bearing (black) # ) (Обойма гребного вала) | | 18 шт | 24240 руб. |
| 20 | SK56120-94321-0EP | (не оригинальный аналог) Обойма гребного вала Skipper для Suzuki DT40, DF40-50, DF40A-60A | | 0 шт | 8394 руб. |
| 21 | 09263-22020-000 | Подшипник (22.2x28.5x19) - Bearing (222x285x19) (Bearing # ) (Подшипник 22X28X19) | | 5 шт | 2090 руб. |
| 21 | SK09263-22020 | (не оригинальный аналог) Подшипник игольчатый гребного вала Skipper для Suzuki DT40, DF40-50, DF40A-60A | | 0 шт | 1850 руб. |
| 21 | B1412KOYO | (подбор по маркировке) Подшипник KOYO B1412(22.225x28.575x19.05 мм) | | под заказ | 0 |
| 22 | 09289-22007-000 | Сальник (22x35x5) - Seal, Oil (22x35x5) (Сальник гребного вала) | | 183 шт | 560 руб. |
| 22 | SK09289-22007 | (не оригинальный аналог) Сальник гребного вала Skipper для Suzuki Модели техники: DT40, DF40-50, DF40A-60A | | 0 шт | 95 руб. |
| 22 | SC-OL302 | (не оригинальный аналог) Сальник редуктора Suzuki SC-OL302 | | под заказ | 230 руб. |
| 23 | 09262-35070-000 | Подшипник (35x62x14) - Bearing (35x62x14) (Подшипник) | | 12 шт | 5080 руб. |
| 23 | TAB007CV47NTN | (подбор по маркировке) Подшипник NTN TAB007CV47(35*62*14 мм) | | под заказ | 0 |
| 24 | 09280-75001-000 | Уплотнительное кольцо (d: 3.3, Id: 75) - O Ring (d:33, Id:75) (O ring (d:3.8 id:75) # ) (O ring (d:3.3, id:75.0)) | | 94 шт | 370 руб. |
| 24 | SK09280-75001 | (не оригинальный аналог) Кольцо уплотнительное обоймы гребного вала Skipper для Suzuki Модели техники: DT40HP, DF40-50HP, DF40A-60A | | 0 шт | 141 руб. |
| 25 | 09116-08122-000 | Болт (8x30) - Bolt (8x30) (Bolt (8x30)) | | 8 шт | 350 руб. |
| 26 | 56130-87J10-0EP | Корпус подшипника приводного вала (чёрный) - Housing, Drive Shaft Brg (black) (Housing, drive shaft bearing ( black)) | | под заказ | 22040 руб. |
| 26 | 56130-87J12-0EP | (актуальный код замены) Корпус подшипника приводного вала - Housing, Drive Sft Brg | | под заказ | 22040 руб. |
| 27 | 09282-17005-000 | Сальник (17x32x6) - Seal, Oil (17x32x6) (Сальник) | | 310 шт | 690 руб. |
| 27 | SK09282-17005 | (не оригинальный аналог) Сальник ведущего вала Skipper для Suzuki Модели техники: DT40, DF40-50, DF40A-60A | | 0 шт | 124 руб. |
| 27 | SC-OL098 | (не оригинальный аналог) Сальник редуктора Suzuki SC-OL098 | | 2 шт | 240 руб. |
| 28 | 55122-88L00-000 | Кольцо сальника редуктора - Ring, Gear Case Seal (Ring, gear case seal) | | 20 шт | 820 руб. |
| 29 | 09202-06025-000 | Штифт (6x17) - Pin (6x17) (Pin (6x17) # ) (Pin) | | под заказ | 160 руб. |
| 30 | 09202-06027-000 | Штифт (6x23) - Pin (6x23) (Pin (6x23) # ) (Pin) | | под заказ | 160 руб. |