Купить комплектующие на подвесной двигатель Suzuki DF70AT(H)L/X - Опции: дистанционное управление / Opt:remote control
вконтакте

Контактный телефон: +7 (981) 121-46-93, +7 (800) 200-90-76 , Email: parts-katalog@yandex.ru, где купить

 
 

  Логин:

Пароль:

Регистрация

www.partskatalog.ru Все каталоги Запчасти Mercury Запчасти Suzuki Запчасти Tohatsu Запчасти Honda Контакты

назад Раздел:   вперёд

Вернуться к выбору узлов мотора


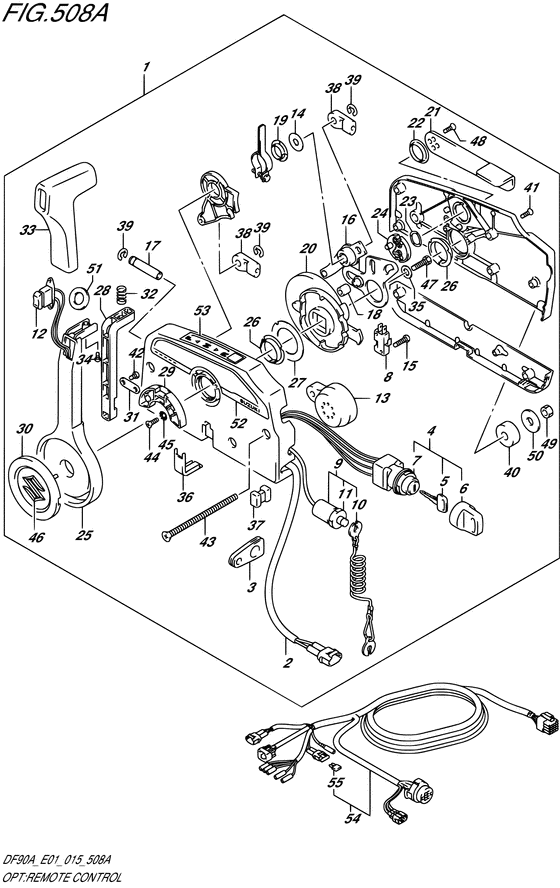
ДЕТАЛИРОВКА ДЛЯ МОДЕЛИ: SUZUKI DF70AT/DF70ATH FROM 07003F-510001~ (E01,E40)

Опции: дистанционное управление


Код модели двигателя: DF70AT(H)L/X

Год выпуска двигателя: 2015

Регион: General Export No.1/Costa Rica ,Код региона: P01/P40

Цвет: Shadow Black Metallic

Номер на
рисунке
АртикулНаименованиеQTYКол-во
на складе
Цена
167200-93J50-000

Дистанционное управление в сборе - Remote Control Assy (REMOTE CONTROL ASSY)

под заказ72000 руб.
167200-93J62-000

   (актуальный код замены) Дистанционное управление в сборе - Remote Control Assy

3 шт72000 руб.
1SK67200-93J50

   (не оригинальный аналог) Пульт ДУ Skipper для Suzuki DF9.9-250, с кнопкой гидроподъема

0 шт20627 руб.
236646-93J01-000

Провод в сборе, Ptt Sw Adapter - Wire Assy, Ptt Sw Adapter (Wire assy, ptt sw adapter)

под заказ7160 руб.
236646-93J02-000

   (актуальный код замены) Провод в сборе, Ptt Sw Adapter - Wire Assy, Ptt Sw Adapter

под заказ7160 руб.
336628-92E00-000

Пыльник на жгут проводов - Grommet, Wiring Harness (Grommet)

под заказ490 руб.
437110-93J11-000

Выключатель зажигания - Switch Assy, Ignition (Switch assy, ignition)

под заказ11430 руб.
437110-93J12-000

   (актуальный код замены) Выключатель зажигания - Switch Assy, Ignition

под заказ11430 руб.
537141-99E00-000

Ключ (931) - Key (931) (Ключ (931))

под заказ1660 руб.
537141-99E10-000

Ключ (932) - Key (932) (Ключ (932))

1 шт1380 руб.
537141-99E20-000

Ключ (933) - Key (933) (Ключ (933))

под заказ1380 руб.
537141-99E30-000

Ключ (934) - Key (934) (Ключ (934))

1 шт1380 руб.
537141-99E40-000

Ключ (935) - Key (935) (Ключ (935))

под заказ1380 руб.
537141-99E50-000

Ключ (936) - Key (936) (Ключ (936))

под заказ1380 руб.
537141-99E60-000

Ключ (937) - Key (937) (Ключ (937))

1 шт1380 руб.
537141-99E70-000

Ключ (938) - Key (938) (Ключ (938))

под заказ1380 руб.
537141-99E80-000

Ключ (939) - Key (939) (Ключ (939))

1 шт1480 руб.
537141-99E90-000

Ключ (940) - Key (940) (Ключ (940))

1 шт1510 руб.
537141-99EA0-000

Ключ (941) - Key (941) (Ключ (941))

1 шт1510 руб.
537141-99EB0-000

Ключ (942) - Key (942) (Ключ (942))

под заказ1380 руб.
637143-99E00-000

Колпачок ключа - Cap, Key (Колпачок ключа)

под заказ600 руб.
637143-99E01-000

   (актуальный код замены) Колпачок ключа - Cap, Key

2 шт640 руб.
737149-93J00-000

Колпачок корпуса цилиндра - Cap, Cylinder Body (Cap, cylinder body)

3 шт760 руб.
837721-93J91-000

Выключатель нейтрали, в сборе - Switch Assy, Neutral (Switch assy, neutral)

5 шт7710 руб.
937820-93J04-000

Аварийный выключатель, в сборе - Switch Assy, Emergency (SWITCH ASSY, EMERGENCY)

под заказ5000 руб.
937820-93J05-000

   (актуальный код замены) Аварийный выключатель, в сборе - Switch Assy, Emergency

10 шт6310 руб.
1037823-92E01-000

Пластина блокировки аварийного выключателя - Plate Assy, Emergency Sw Lock (Plate)

под заказ2570 руб.
1037823-92E02-000

   (актуальный код замены) Пластина блокировки аварийного выключателя - Plate Assy, Emergency Sw Lock

3 шт2770 руб.
1137826-92J00-000

Гайка - Nut (NUT)

под заказ530 руб.
1237850-90J05-000

Переключатель управления гидроподъёмом двигателя - Switch Assy, Ptt (Switch assy, ptt)

под заказ10900 руб.
1237850-90J06-000

   (актуальный код замены) Переключатель управления гидроподъёмом двигателя - Switch Assy, Ptt

8 шт10900 руб.
1338500-93J90-000

Предупреждающий зуммер - Buzzer, Warning (Зуммер)

под заказ3890 руб.
1467212-95600-000

Шайба - Washer (Шайба)

под заказ300 руб.
1567296-92E11-000

Винт выключателя нейтрали - Screw, Neutral Switch (Screw, neutral switch)

под заказ300 руб.
1667220-95630-000

Пластина в сборе - Plate Assy (Плата 15C)

под заказ8400 руб.
1767223-99E10-000

Ручка регулировки тормоза - Knob, Brake Adjust (Рукоятка тормоза)

под заказ760 руб.
1867229-95600-000

Ролик - Roller (Roller)

под заказ520 руб.
1967232-95600-000

Втулка - Bush (Втулка)

под заказ570 руб.
2067238-87D00-000

Зубчатый привод - Gear, Drive (Ведущая шестерня)

1 шт4080 руб.
2167241-99E10-000

Рычаг освобождения дросселя - Lever, Free Throttle (Рукоятка)

под заказ2280 руб.
2267243-95600-000

Втулка, Remo-con - Bush, Remo-con (Втулка)

2 шт390 руб.
2367244-95600-000

Волнистая шайба - Wave Washer (Шайба)

под заказ330 руб.
2467245-95600-000

Барабан освобождения дросселя - Drum, Free Throttle (Drum assy, free throttle # ) (Цилиндр дросселя)

под заказ2480 руб.
2567251-99E20-000

Рычаг блокировки - Lever, Handle (LEVER, HANDLE)

под заказ6390 руб.
2667252-95600-000

Втулка - Bush (Втулка)

2 шт480 руб.
2767253-95600-000

Шайба - Washer (Шайба)

под заказ460 руб.
2867255-99E10-000

Рычаг блокировки - Arm, Lock (ARM, LOCK)

4 шт720 руб.
2967256-95600-000

Держатель блокировки нейтрали - Holder, Neutral Lock (Holder, neut lock # ) (Holder)

1 шт1140 руб.
3067257-99E10-000

Крышка рычага - Cap, Lever (CAP, LEVER)

под заказ1620 руб.
3167258-99E00-000

Кронштейн - Bracket (Bracket)

под заказ490 руб.
3267259-87D00-000

Пружина рычага нетрали - Spring, Neutral Arm (Spring, neutral arm # ) (Пружина переключателя)

6 шт550 руб.
3367261-99E10-000

Рукоятка - Grip (GRIP)

под заказ2520 руб.
3467296-94310-000

Винт - Screw (Винт)

под заказ180 руб.
3567264-95600-000

Шайба - Washer (Шайба)

под заказ270 руб.
3667267-93J00-000

Крышка проводов - Cover, Wire (Cover, wire)

под заказ580 руб.
3767273-95600-000

Проставка - Spacer (Кольцо/шайба)

под заказ460 руб.
3767273-95601-000

   (актуальный код замены) Проставка - Spacer

3 шт630 руб.
3867275-95600-000

Наконечник кабеля - End, Cable (Наконечник кабеля)

36 шт810 руб.
3967292-94300-000

Уплотнительное кольцо дистанционного управления - E Ring, Remo-con (E ring)

25 шт120 руб.
4067294-95600-000

Проставка - Spacer (Кольцо/шайба)

под заказ460 руб.
4167296-90J00-000

Винт задней крышки - Screw, Rr Cover (Винт крышки)

под заказ300 руб.
4167296-90J10-000

   (актуальный код замены) Винт задней крышки - Screw, Rr Cover

под заказ300 руб.
4267296-94300-000

Винт (4x10) - Screw (4x10) (Винт)

под заказ120 руб.
4367296-95600-000

Винт - Screw (Болт)

под заказ570 руб.
4467296-95610-000

Винт - Screw (Болт)

2 шт280 руб.
4567297-95600-000

Шайба - Washer (Шайба)

под заказ280 руб.
4677811-54GB0-0PG

Эмблема, Rr Маркировка S - Emblem, Rr Mark S (Emblem, rear mark (s) (chrome))

2 шт1530 руб.
4709100-08232-000

Болт (8x30) - Bolt (8x30) (Bolt)

6 шт350 руб.
4809126-05003-000

Винт (5x12) - Screw (5x12) (Болт)

под заказ160 руб.
4909140-06020-000

Гайка - Nut (Гайка)

9 шт150 руб.
5009160-06104-000

Шайба (6.5x24x2) - Washer (65x24x2) (Шайба)

под заказ220 руб.
5137859-90J00-000

Проставка - Spacer (Кольцо/шайба)

под заказ350 руб.
5267282-94L00-000

Наклейка сбоку дистанционного управления - Decal, Remocon Side (DECAL, REMOCON SIDE)

под заказ2270 руб.
5367284-94L00-000

Маркировка рычага рукоятки - Mark, Handle Lever (MARK, HANDLE LEVER)

под заказ640 руб.
5436620-93J02-000

Провода дистанционного управления, в сборе - Wire Assy, Remote Control (L:5000 # ) (Wire assy, remote control)

2 шт28800 руб.
5436620-93J04-000

   (актуальный код замены) Провода дистанционного управления, в сборе 6.5m - Wire Assy, Remote Control 6.5m

5 шт21260 руб.
5436620-93J52-000

Провода дистанционного управления, в сборе - Wire Assy, Remote Control (L:3500 # ) (Wire assy, remote control)

под заказ25920 руб.
5436620-93J54-000

   (актуальный код замены) Провода дистанционного управления, в сборе 5.0m - Wire Assy, Remote Control 5.0m

3 шт25920 руб.
5436620-93J62-000

Провода дистанционного управления, в сборе - Wire Assy, Remote Control (L:6500 # ) (Wire assy, remote control)

под заказ32160 руб.
5436620-93J64-000

   (актуальный код замены) Провода дистанционного управления, в сборе 8.0m - Wire Assy, Remote Control 8.0m

2 шт41290 руб.
5509481-10501-000

Предохранитель (10a) - Fuse (10a) (Fuse (10a))

5 шт250 руб.


Время выполнения запроса 2.0328068733215 сек.

 
 

данный сайт носит информационный характер и не является публичной офертой

склад запчастей для водомоторной техники