Подобрать оригинальные запчасти на лодочный мотор Suzuki DF70TL модель 1999 года - Opt:top mount dual
вконтакте

Контактный телефон: +7 (981) 121-46-93, +7 (800) 200-90-76 , Email: parts-katalog@yandex.ru, где купить

 
 

  Логин:

Пароль:

Регистрация

www.partskatalog.ru Все каталоги Запчасти Mercury Запчасти Suzuki Запчасти Tohatsu Запчасти Honda Контакты



УВАЖАЕМЫЕ КЛИЕНТЫ!
C 19 ДЕКАБРЯ 2025 ПО 02 МАРТА 2026 ГОДА ОТДЕЛ ЗАПЧАСТЕЙ И СЕРВИС РАБОТАТЬ НЕ БУДУТ
ПРОДАЖА ЛОДОЧНЫХ МОТОРОВ В ШТАТНОМ РЕЖИМЕ
ОБ ИЗМЕНЕНИЯХ В ГРАФИКЕ РАБОТЫ ЧИТАЙТЕ НА САЙТА



назад Раздел:   вперёд

Вернуться к выбору узлов мотора


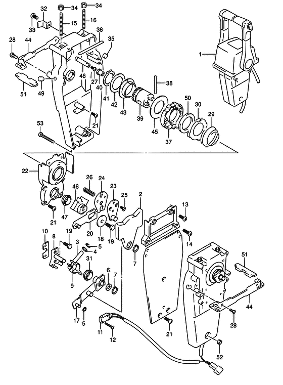
ДЕТАЛИРОВКА ДЛЯ МОДЕЛИ: SUZUKI DF70TL X

Опция: сдвоенное ДУ, монтаж сверху


Код модели двигателя: DF70TL

Год выпуска двигателя: 1999

Цвет: Shadow Black Metallic

Номер на
рисунке
АртикулНаименованиеQTYКол-во
на складе
Цена
167200-93J22-000

Дистанционное управление в сборе, Twin - Remote Control Assy, Twin

под заказ122400 руб.
167200-88L11-000

   (актуальный код замены) Сдвоенное дистанционное управление в сборе - Remote Control Assy, Dual

2 шт122400 руб.
167200-93J23-000

Дистанционное управление в сборе, Twin - Remote Control Assy, Twin (Remote control assy, twin)

под заказ122400 руб.
167200-88L11-000

   (актуальный код замены) Сдвоенное дистанционное управление в сборе - Remote Control Assy, Dual

2 шт122400 руб.
267222-92E00-000

Сдвоенная пластина - Duel Plate (Двойная плата)

под заказ2300 руб.
367223-92E00-000

Регулировка тормоза - Brake Adjust (Регулятор тормоза)

под заказ780 руб.
467288-92E00-000

Шайба - Washer (Шайба)

под заказ300 руб.
567292-94300-000

Уплотнительное кольцо дистанционного управления - E Ring, Remo-con (E ring)

25 шт120 руб.
667288-92E10-000

Шайба - Washer (Шайба)

под заказ300 руб.
767291-92E00-000

Пружинное кольцо - Ring, Snap (Snap ring)

под заказ370 руб.
867221-92E00-000

Переключатель в сборе - Shift Assy (Переключатель)

под заказ2260 руб.
967224-92E00-000

Рычаг тормоза - Brake Arm Assy (Ручка тормоза)

под заказ1570 руб.
1067294-92E00-000

Проставка - Spacer (Кольцо/шайба)

под заказ1240 руб.
1137721-92E10-000

Выключатель нейтрали, в сборе - Switch Assy, Neutral (Switch assy, n/r # ) (Нейтральный переключатель)

под заказ7830 руб.
1137721-92E11-000

   (актуальный код замены) Выключатель нейтрали, в сборе - Switch Assy, Neutral

под заказ7830 руб.
1267296-92E10-000

Винт выключателя нейтрали - Screw, Neutral Switch

под заказ300 руб.
1267296-92E11-000

   (актуальный код замены) Винт выключателя нейтрали - Screw, Neutral Switch

под заказ300 руб.
1267296-92E11-000

Винт выключателя нейтрали - Screw, Neutral Switch (Screw, neutral switch)

под заказ300 руб.
1367296-88D10-000

Винт (5x16) - Screw (5x16) (Болт)

под заказ230 руб.
1467296-92E20-000

Винт - Screw (Болт)

под заказ300 руб.
1567226-92E00-000

Болт стопора Fr - Bolt, Stopper Fr (Bolt, stopper front # ) (Болт стопора)

под заказ780 руб.
1667226-92E10-000

Болт стопора Rr - Bolt, Stopper Rr (Bolt, stopper rear # ) (Болт зажима)

под заказ780 руб.
1767240-92E00-000

Рычаг дросселя - Throttle Arm Assy (Arm assy, throttle # ) (Рычаг дросселя)

под заказ5190 руб.
1867228-92E00-000

Шайба - Washer (Шайба)

под заказ500 руб.
1967286-92E00-000

Болт - Bolt (Bolt)

под заказ300 руб.
2067230-92E00-000

Переключающий рычаг - Shift Arm Assy (Рычаг вала в сьоре)

под заказ1050 руб.
2109125-05042-000

Винт (5x10) - Screw (5x10) (Винт L)

под заказ150 руб.
2267234-92E00-000

Картер коробки передач - Case, Gear (Case, gear)

под заказ3030 руб.
2367245-92E00-000

Рычаг дросселя, в сборе - Lever Assy, Throttle (Lever assy, throttle # ) (Рукоятка дросселя)

под заказ2300 руб.
2467227-92E00-000

Стопор - Stopper (Stopper)

под заказ1240 руб.
2509126-06006-000

Винт (6x20) - Screw (6x20) (Болт)

под заказ150 руб.
2667225-92E00-000

Пружина - Spring (Пружина)

под заказ300 руб.
2709125-04004-000

Винт (4x6) - Screw (4x6) (Болт)

под заказ120 руб.
2867296-95610-000

Винт - Screw (Болт)

2 шт280 руб.
2967233-92E00-000

Пружина - Spring (Пружина)

под заказ1240 руб.
3067235-92E00-000

Пластина блокировки переключения - Plate, Shift Lock (Plate, shift lock # ) (Плата переключателя)

под заказ780 руб.
3167232-95620-000

Втулка - Bush (Втулка)

под заказ500 руб.
3267269-92E00-000

Кронштейн - Bracket (Bracket)

под заказ780 руб.
3267269-92E01-000

   (актуальный код замены) Кронштейн - Bracket

под заказ780 руб.
3367296-88D10-000

Винт (5x16) - Screw (5x16) (Болт)

под заказ230 руб.
3409140-06020-000

Гайка - Nut (Гайка)

9 шт150 руб.
3567236-92E00-000

Ролик - Roller (Roller)

под заказ440 руб.
3667237-92E01-000

Пружина - Spring (Пружина)

под заказ440 руб.
3767238-92E00-000

Зубчатый привод - Gear, Drive (Gear, drive # ) (Ведущая шестерня)

под заказ3050 руб.
3867239-92E00-000

Штифт - Pin (Pin)

под заказ1650 руб.
3967246-92E00-000

Вал привода - Shaft, Drive (Shaft, drive # ) (Drive shaft)

под заказ4200 руб.
4067252-92E00-000

Втулка - Bush (Втулка)

под заказ560 руб.
4167291-92E10-000

Пружинное кольцо - Ring, Snap (Snap ring)

под заказ1050 руб.
4267253-92E10-000

Шайба - Washer (Шайба)

под заказ370 руб.
4367252-92E10-000

Втулка - Bush (Втулка)

под заказ440 руб.
4467274-92E00-000

Фланец - Flange (Flange)

под заказ3820 руб.
4567253-95600-000

Шайба - Washer (Шайба)

под заказ460 руб.
4667231-92E00-000

Шестерни переключения - Gear, Shift (Gear, shift)

под заказ1650 руб.
4767232-95600-000

Втулка - Bush (Втулка)

под заказ570 руб.
4867241-92E00-000

Тяга освобождения ACC - Rod, Free Acc (Rod, free acc # ) (Rod)

под заказ0 руб.
4967243-92E00-000

Крышка отверстия - Cap, Hole (Grommet)

под заказ560 руб.
5067239-92E10-000

Пластина стопора переключателя - Plate, Shift Pin (Plate, shift pin # ) (Плата переключателя)

под заказ840 руб.
5167272-92E10-000

Сальник фланца - Seal, Flange (Фланец уплотнения)

под заказ300 руб.
5267287-92E10-000

Гайка - Nut (Гайка)

под заказ900 руб.
5367296-92E80-000

Винт - Screw (Болт)

под заказ560 руб.


Время выполнения запроса 1.3593118190765 сек.

 
 

данный сайт носит информационный характер и не является публичной офертой

склад запчастей для водомоторной техники