| |
 |
|
 |
Вернуться к выбору узлов мотора
ДЕТАЛИРОВКА ДЛЯ МОДЕЛИ: SUZUKI DF70WTHLK5(E1) K5
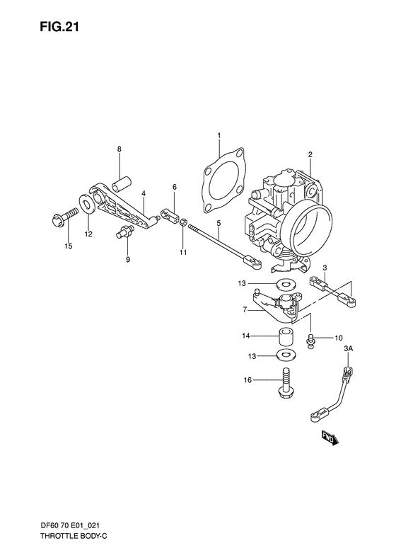
Дроссель газа
Год выпуска двигателя: 2005
Номер на рисунке | Артикул | Наименование | QTY | Кол-во на складе | Цена |
| 1 | 13125-99E00-000 | Прокладка корпуса дросселя - Gasket, Throttle Body (Gasket, throttle body # ) (Прокладка дросселя) | | 3 шт | 510 руб. |
| 1 | 13125-99E10-000 | Прокладка корпуса дросселя - Gasket, Throttle Body (Model:02~09 # ) (Прокладка дросселя) | | под заказ | 930 руб. |
| 2 | 13300-99E00-000 | Корпус дросселя - Body Assy, Throttle (Body, throttle # W/ctp switch # ) (Корпус дросселя) | | под заказ | 0 руб. |
| 2 | 13300-99E01-000 | Корпус дросселя - Body Assy, Throttle (Df60:861256~, df70:861336~ # ) (Корпус дросселя) | | под заказ | 0 руб. |
| 2 | 13300-99E10-000 | Корпус дросселя - Body Assy, Throttle (Model:01~09 # ) (Корпус дросселя) | | под заказ | 96960 руб. |
| 2 | 13300-99E11-000 | (актуальный код замены) Корпус дросселя - Body Assy, Throttle | | под заказ | 96960 руб. |
| 3 | 13510-99E10-000 | Тяга дросселя - Rod, Throttle (Rod, throttle # ) (Штанга дросселя) | | под заказ | 1740 руб. |
| 3 | 13510-99E11-000 | Тяга дросселя - Rod, Throttle (Rod, throttle # Df60:861256~, df70:861336~ # ) (Штанга дросселя) | | под заказ | 2350 руб. |
| 4 | 19122-99E01-000 | Соединитель рычага дросселя - Lever, Interlink Throttle (Lever, interlink throttle # ) (Рукоятка) | | под заказ | 2180 руб. |
| 5 | 19130-99E00-000 | Тяга дросселя - Rod, Throttle (Rod, throttle # ) (Штанга дросселя) | | под заказ | 1980 руб. |
| 6 | 19131-95502-000 | Коннектор - Connector (Connector, oil pump no.2 # ) (Коннектор) | | 21 шт | 530 руб. |
| 7 | 19148-99E00-000 | Рычаг дросселя - Lever, Throttle (Lever, throttle # ) (Lever, throttle) | | под заказ | 0 руб. |
| 8 | 19174-99E00-000 | Стержень, Рычаг дросселя - Pivot, Throttle Lever (Pivot, throttle lever # ) (Ось ручки дросселя) | | под заказ | 860 руб. |
| 9 | 67473-89J00-000 | Штифт коннектора - Pin, Connector (Pin, remocon connector; # ) (Штифт) | | под заказ | 780 руб. |
| 10 | 09119-05010-000 | Стержень - Pivot (Pivot, throttle lever # Pivot; # ) (Bolt) | | под заказ | 500 руб. |
| 11 | 09140-05005-000 | Гайка - Nut (Гайка) | | 10 шт | 270 руб. |
| 12 | 09160-06054-000 | Шайба (6.5x22x1.6) - Washer (65x22x16) (Washer (6.5x22x1.6) # Washer (6.5x22x1.6); # ) (Шайба) | | под заказ | 120 руб. |
| 13 | 09160-08130-000 | Шайба (8.5x24x1.6) - Washer (85x24x16) (Washer (8.5x24x1.6); # ) (Шайба) | | под заказ | 160 руб. |
| 14 | 09180-08150-000 | Проставка (8.1x15x17) - Spacer (81x15x17) (Прокладка 8.1X15X1) | | под заказ | 940 руб. |
| 15 | 01550-06407-000 | Болт - Bolt (Bolt (chrome)) | | 4 шт | 210 руб. |
| 16 | 01550-08357-000 | Болт - Bolt (Bolt) | | под заказ | 260 руб. |
Время выполнения запроса 0.73005890846252 сек. |
|