Запчасти на подвесной двигатель SUZUKI DF70TL/X; DF70WT(H)L/X - Fuel injector
вконтакте

Контактный телефон: +7 (981) 121-46-93, +7 (800) 200-90-76 , Email: parts-katalog@yandex.ru, где купить

 
 

  Логин:

Пароль:

Регистрация

www.partskatalog.ru Все каталоги Запчасти Mercury Запчасти Suzuki Запчасти Tohatsu Запчасти Honda Контакты



УВАЖАЕМЫЕ КЛИЕНТЫ!
C 19 ДЕКАБРЯ 2025 ПО 02 МАРТА 2026 ГОДА ОТДЕЛ ЗАПЧАСТЕЙ И СЕРВИС РАБОТАТЬ НЕ БУДУТ
ПРОДАЖА ЛОДОЧНЫХ МОТОРОВ В ШТАТНОМ РЕЖИМЕ
ОБ ИЗМЕНЕНИЯХ В ГРАФИКЕ РАБОТЫ ЧИТАЙТЕ НА САЙТА



назад Раздел:   вперёд

Вернуться к выбору узлов мотора


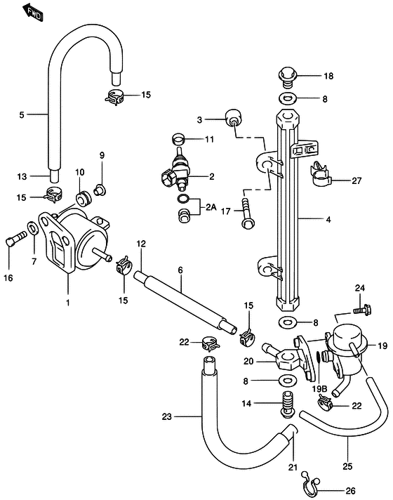
ДЕТАЛИРОВКА ДЛЯ МОДЕЛИ: SUZUKI DF70WTL K6

Топливный инжектор


Код модели двигателя: DF70TL/X; DF70WT(H)L/X

Год выпуска двигателя: 2006

Цвет: Shadow Black Metallic

Номер на
рисунке
АртикулНаименованиеQTYКол-во
на складе
Цена
115440-99E01-000

Топливный фильтр - Filter, Fuel (Фильтр топливный)

9 шт10200 руб.
215710-99E00-000

Топливный инжектор, в сборе - Injector Assy, Fuel (Injector, fuel # ) (Форсунка)

2 шт24000 руб.
215716-58BT0-000

Пыльник топливного инжектора - Grommet Set, Fuel Injector (Набор втулок)

10 шт2250 руб.
315735-58B00-000

Изолятор подающей трубки - Insulator, Delivery Pipe (Insulator, delivery pipe # ) (Изолятор)

под заказ520 руб.
415751-99E00-000

Трубка подачи - Pipe, Delivery (Pipe, delivery # ) (Трубка впускная)

под заказ0 руб.
518498-99E20-000

Защита топливного шланга (l: 450) - Protector, Fuel Hose (l:450) (L:450 # ) (Протектор топливного шланга (L:450))

под заказ1200 руб.
518498-99E21-000

   (актуальный код замены) Защита топливного шланга (l: 450) - Protector, Fuel Hose (l:450)

под заказ1200 руб.
618498-99E20-000

Защита топливного шланга (l: 450) - Protector, Fuel Hose (l:450) (L:450->20 # ) (Протектор топливного шланга (L:450))

под заказ1200 руб.
618498-99E21-000

   (актуальный код замены) Защита топливного шланга (l: 450) - Protector, Fuel Hose (l:450)

под заказ1200 руб.
709160-06084-000

Шайба (6.5x18x1.6) - Washer (65x18x16) (Шайба 6.5X18X1)

7 шт130 руб.
809168-12013-000

Прокладка (11.8x22x1.2) - Gasket (118x22x12) (Gasket, union # ) (Прокладка)

10 шт260 руб.
909169-06062-000

Шайба - Washer (Washer # ) (Кольцо/шайба)

под заказ190 руб.
1009320-08501-000

Подушка - Cushion (Cushion)

под заказ240 руб.
1109320-08062-000

Подушка - Cushion (Cushion)

34 шт1010 руб.
1209356-75137-600

Шланг (7.5x13.5x600) - Hose (75x135x600) (Hose (separator to filter) # L:600->00 # ) (Шланг топливный)

6 шт12580 руб.
1309356-75137-600

Шланг (7.5x13.5x600) - Hose (75x135x600) (Hose (separator to filter) # L:600->20 # ) (Шланг топливный)

6 шт12580 руб.
1409360-12008-000

Соединение - Union (Болт соединяющий)

под заказ730 руб.
1509401-11414-000

Зажим (id: 11.5) - Clip (id:115) (Clip)

под заказ290 руб.
1601500-06257-000

Болт - Bolt (Bolt)

под заказ150 руб.
1701550-08407-000

Болт - Bolt (Болт 8 X 40)

под заказ260 руб.
1801550-12167-000

Болт - Bolt (Bolt, delivery pipe # ) (Bolt)

под заказ290 руб.
1915610-51E10-000

Регулятор в сборе, Fuel Pressure - Regulator Assy, Fuel Pressure

под заказ21320 руб.
1915610-51E11-000

   (актуальный код замены) Регулятор в сборе, Fuel Pressure - Regulator Assy, Fuel Pressure

под заказ21320 руб.
1915610-51E11-000

Регулятор в сборе, Fuel Pressure - Regulator Assy, Fuel Pressure (Regulator assy, fuel pressure)

под заказ21320 руб.
1915710-51E10-000

Уплотнительное кольцо - O-ring (O ring)

под заказ500 руб.
2015765-99E00-000

Запчасть снята с производства - The Spare Part Is Laid Off

под заказ0 руб.
2109356-58127-600

Шланг (5.8x12.2x600) - Hose (58x122x600) (Hose (p/r to v/s) # L:600->50 # ) (Hose (p/r to v/s))

под заказ2040 руб.
2209401-10409-000

Зажим - Clip ( (ca) clip)

под заказ170 руб.
2318498-99E10-000

Защита топливного шланга (610) - Protector, Fuel Hose (610) (Protector, fuel hose # L:610->80 # ) (Протектор топливный)

под заказ1110 руб.
2318498-99E11-000

   (актуальный код замены) Защита топливного шланга (610) - Protector, Fuel Hose (610)

под заказ1110 руб.
2401550-06127-000

Болт - Bolt (Bolt, rect # ) (Bolt)

10 шт180 руб.
2509355-35755-600

Шланг (3.5x7.5x600) - Hose (35x75x600) (L:600->00 # ) (Шланг)

под заказ710 руб.
2509355-35007-600

   (актуальный код замены) Шланг (3.5x7.5x600) - Hose (3.5x7.5x600)

под заказ710 руб.
2609408-00008-000

Зажим (id: 20) - Clip (id:20) (Clamp, vacuum hose # ) (Clamp)

под заказ150 руб.
2709403-07308-000

Струбцина - Clamp (Clamp # ) (Clamp)

под заказ120 руб.


Время выполнения запроса 10.671245098114 сек.

 
 

данный сайт носит информационный характер и не является публичной офертой

склад запчастей для водомоторной техники