Подобрать запчасти на лодочный подвесной мотор Suzuki - Switch - Переключатель
вконтакте

Контактный телефон: +7 (981) 121-46-93, +7 (800) 200-90-76 , Email: parts-katalog@yandex.ru, где купить

 
 

  Логин:

Пароль:

Регистрация

www.partskatalog.ru Все каталоги Запчасти Mercury Запчасти Suzuki Запчасти Tohatsu Запчасти Honda Контакты



УВАЖАЕМЫЕ КЛИЕНТЫ!
C 19 ДЕКАБРЯ 2025 ПО 02 МАРТА 2026 ГОДА ОТДЕЛ ЗАПЧАСТЕЙ И СЕРВИС РАБОТАТЬ НЕ БУДУТ
ПРОДАЖА ЛОДОЧНЫХ МОТОРОВ В ШТАТНОМ РЕЖИМЕ
ОБ ИЗМЕНЕНИЯХ В ГРАФИКЕ РАБОТЫ ЧИТАЙТЕ НА САЙТА



назад Раздел:   вперёд

Вернуться к выбору узлов мотора


ДЕТАЛИРОВКА ДЛЯ МОДЕЛИ: SUZUKI DF70WTLK7(E1) K7

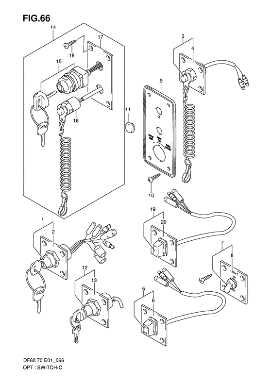
Переключатель


Год выпуска двигателя: 2007

Номер на
рисунке
АртикулНаименованиеQTYКол-во
на складе
Цена
137100-92E00-000

Панель выключателя зажигания, в сборе - Panel Assy, Ignition Switch

под заказ10610 руб.
137100-99E01-000

   (актуальный код замены) Панель выключателя зажигания, в сборе - Panel Assy, Ignition Switch

под заказ10610 руб.
137100-99E00-000

Панель выключателя зажигания, в сборе - Panel Assy, Ignition Switch (Ignition switch set # ) (Панель замка зажигания)

под заказ10610 руб.
137100-99E01-000

   (актуальный код замены) Панель выключателя зажигания, в сборе - Panel Assy, Ignition Switch

под заказ10610 руб.
237139-92E00-000

Панель выключателя зажигания - Panel, Ignition Switch (Panel, ignition switch; # )

под заказ3920 руб.
237139-92E01-000

   (актуальный код замены) Панель выключателя зажигания - Panel, Ignition Switch

под заказ3920 руб.
237139-92E01-000

Панель выключателя зажигания - Panel, Ignition Switch (Panel, ignition switch # ) (Панель)

под заказ3920 руб.
337803-92E00-000

Панель аварийного выключателя двигателяitch - Panel Assy, Emergency Switch

под заказ7400 руб.
337803-99E06-000

   (актуальный код замены) Панель аварийного выключателя двигателяitch - Panel Assy, Emergency Switch

под заказ7400 руб.
337803-99E03-000

Панель аварийного выключателя двигателяitch - Panel Assy, Emergency Switch

под заказ7400 руб.
337803-99E06-000

   (актуальный код замены) Панель аварийного выключателя двигателяitch - Panel Assy, Emergency Switch

под заказ7400 руб.
337803-99E00-000

Панель аварийного выключателя двигателяitch - Panel Assy, Emergency Switch (Model:04 # )

под заказ7400 руб.
337803-99E06-000

   (актуальный код замены) Панель аварийного выключателя двигателяitch - Panel Assy, Emergency Switch

под заказ7400 руб.
437825-92E00-000

Панель аварийного выключателя двигателя - Panel, Emergency Sw (Panel, emergency switch; # ) (Панель аварийного переключателя)

под заказ3920 руб.
437825-99E00-000

Панель аварийного выключателя двигателя - Panel, Emergency Stop Sw (Panel, emergency sw # Panel, emergency switch; For 37803-99e00 # ) (Панель)

под заказ4080 руб.
537805-92E00-000

Панель управления гидроподъемом, в сборе - Panel Assy, Ptt Sw (Panel assy, ptt sw # Ptt switch set; # ) (Панель)

под заказ10900 руб.
637855-92E00-000

Панель управления гидроподъемом - Panel, Ptt Sw (Panel, ptt switch; # )

под заказ4080 руб.
637855-99E00-000

   (актуальный код замены) Панель управления гидроподъемом - Panel, Ptt Sw

под заказ4080 руб.
637855-99E00-000

Панель управления гидроподъемом - Panel, Ptt Sw (Панель переключателя)

под заказ4080 руб.
737210-92E00-000

Панель выключателя освещения, в сбореitch - Panel Assy, Lighting Switch (Lighting switch set; # )

под заказ9750 руб.
737210-93J00-000

   (актуальный код замены) Панель выключателя освещения, в сбореitch - Panel Assy, Lighting Switch

под заказ9750 руб.
737210-93J00-000

Панель выключателя освещения, в сбореitch - Panel Assy, Lighting Switch (Панель переключателя освещения)

под заказ9750 руб.
837212-92E00-000

Запчасть снята с производства - The Spare Part Is Laid Off (Panel, lighting switch; # )

под заказ0 руб.
937852-94600-000

Пластина переключателя - Plate, Switch (~model:00 # ) (Плата переключателя)

под заказ0 руб.
1003112-05123-000

Винт - Screw (~model:00 # )

под заказ110 руб.
1003111-0512A-000

   (актуальный код замены) Винт - Screw

под заказ110 руб.
1003111-0512A-000

Винт - Screw (Болт)

под заказ110 руб.
1109250-12006-000

Колпачок (od: 20) - Cap (od:20) (Cap)

под заказ160 руб.
1109250-12016-000

   (актуальный код замены) Колпачок (od: 20) - Cap (od:20)

под заказ160 руб.
1237100-92E01-000

Панель выключателя зажигания, в сборе - Panel Assy, Ignition Switch

под заказ10610 руб.
1237100-99E01-000

   (актуальный код замены) Панель выключателя зажигания, в сборе - Panel Assy, Ignition Switch

под заказ10610 руб.
1237100-99E00-000

Панель выключателя зажигания, в сборе - Panel Assy, Ignition Switch (Ignition switch set # ) (Панель замка зажигания)

под заказ10610 руб.
1237100-99E01-000

   (актуальный код замены) Панель выключателя зажигания, в сборе - Panel Assy, Ignition Switch

под заказ10610 руб.
1337139-92E01-000

Панель выключателя зажигания - Panel, Ignition Switch (Panel, ignition switch # Panel, ignition switch; # ) (Панель)

под заказ3920 руб.
1337139-99E00-000

Панель выключателя зажигания - Panel, Ignition Switch (Panel, ignition switch # Panel, ignition switch; For 37100-99e00 # ) (Панель)

под заказ4080 руб.
1437100-99E20-000

Панель выключателя зажигания, в сборе - Panel Assy, Engine Switch (Model:04 # )

под заказ16320 руб.
1437100-99E26-000

   (актуальный код замены) Панель выключателя зажигания, в сборе - Panel Assy, Engine Switch

под заказ16320 руб.
1437100-99E23-000

Панель выключателя зажигания, в сборе - Panel Assy, Engine Switch (Panel assy, engine switch)

под заказ16320 руб.
1437100-99E26-000

   (актуальный код замены) Панель выключателя зажигания, в сборе - Panel Assy, Engine Switch

под заказ16320 руб.
1537110-93J00-000

Выключатель зажигания - Switch Assy, Ignition

под заказ11430 руб.
1537110-93J02-000

   (актуальный код замены) Выключатель зажигания - Switch Assy, Ignition

2 шт13000 руб.
1537110-93J01-000

Выключатель зажигания - Switch Assy, Ignition (Switch assy, ignition)

под заказ11430 руб.
1537110-93J02-000

   (актуальный код замены) Выключатель зажигания - Switch Assy, Ignition

2 шт13000 руб.
1637820-92E00-000

Аварийный выключатель, в сборе - Switch Assy, Emergency (Switch assy, emergency; # )

под заказ4710 руб.
1637820-92E05-000

   (актуальный код замены) Аварийный выключатель, в сборе - Switch Assy, Emergency

1 шт4710 руб.
1637820-92E04-000

Аварийный выключатель, в сборе - Switch Assy, Emergency (SWITCH ASSY, EMERGENCY)

под заказ4710 руб.
1637820-92E05-000

   (актуальный код замены) Аварийный выключатель, в сборе - Switch Assy, Emergency

1 шт4710 руб.
1737139-99E20-000

Панель выключателя зажигания - Panel, Ignition Switch (Панель)

под заказ5280 руб.
1803121-05163-000

Винт - Screw

под заказ140 руб.
1803121-0516A-000

   (актуальный код замены) Винт - Screw

под заказ140 руб.
1803121-0516A-000

Винт - Screw (Болт)

под заказ140 руб.
1937805-99E00-000

Панель управления гидроподъемом, в сборе - Panel Assy, Ptt Sw (Model:04 # ) (Панель переключателя)

под заказ8980 руб.
2037855-99E00-000

Панель управления гидроподъемом - Panel, Ptt Sw (Панель переключателя)

под заказ4080 руб.


Время выполнения запроса 1.0209121704102 сек.

 
 

данный сайт носит информационный характер и не является публичной офертой

склад запчастей для водомоторной техники