Купить оригинальные запчасти на лодочный мотор Сузуки DF70WT(H)L/X модель 2009 года - Блок цилиндра - Cylinder block
вконтакте

Контактный телефон: +7 (981) 121-46-93, +7 (800) 200-90-76 , Email: parts-katalog@yandex.ru, где купить

 
 

  Логин:

Пароль:

Регистрация

www.partskatalog.ru Все каталоги Запчасти Mercury Запчасти Suzuki Запчасти Tohatsu Запчасти Honda Контакты



УВАЖАЕМЫЕ КЛИЕНТЫ!
C 19 ДЕКАБРЯ 2025 ПО 02 МАРТА 2026 ГОДА ОТДЕЛ ЗАПЧАСТЕЙ И СЕРВИС РАБОТАТЬ НЕ БУДУТ
ПРОДАЖА ЛОДОЧНЫХ МОТОРОВ В ШТАТНОМ РЕЖИМЕ
ОБ ИЗМЕНЕНИЯХ В ГРАФИКЕ РАБОТЫ ЧИТАЙТЕ НА САЙТА



назад Раздел:   вперёд

Вернуться к выбору узлов мотора


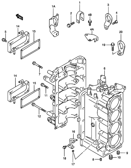
ДЕТАЛИРОВКА ДЛЯ МОДЕЛИ: SUZUKI DF70WTL K9

Блок цилиндра


Код модели двигателя: DF70WT(H)L/X

Год выпуска двигателя: 2009

Цвет: Shadow Black Metallic

Номер на
рисунке
АртикулНаименованиеQTYКол-во
на складе
Цена
111291-94402-000

Крюк двигателя - Hook, Engine (Hook, engine port # MODEL:98~01 # ) (Скоба двигателя)

под заказ430 руб.
111291-99E10-000

Правый крюк двигателя - Hook, Engine Port (MODEL:02~09 # ) (Скоба двигателя, левая)

под заказ0 руб.
201550-08357-000

Болт - Bolt (Bolt)

под заказ260 руб.
311291-94600-000

Крюк двигателя - Hook, Engine (Hook, engine stbd # ) (Крюк двигателя)

под заказ0 руб.
401550-08257-000

Болт - Bolt (Bolt)

под заказ300 руб.
411293-99E10-000

Держатель двигателя Крючок - Holder, Engine Hook (MODEL:02~09 # ) (Держатель)

под заказ0 руб.
401550-06127-000

Болт - Bolt (Bolt, rect # MODEL:02~09 # ) (Bolt)

10 шт180 руб.
501550-06257-000

Болт - Bolt (DF60:~971960 DF70:MODEL:98~00 # ) (Bolt)

под заказ180 руб.
611300-99E05-019

Блок цилиндра в сборе - Block Assy, Cylinder (<-1300-99E04-019 # )

под заказ365760 руб.
611300-99E06-000

   (актуальный код замены) Блок цилиндра в сборе - Block Assy, Cylinder

под заказ365760 руб.
611300-99E06-000

Блок цилиндра в сборе - Block Assy, Cylinder (Блок цилиндров (черный))

под заказ365760 руб.
611300-99E06-000

Блок цилиндра в сборе - Block Assy, Cylinder (MODEL:04~09 # ) (Блок цилиндров (черный))

под заказ365760 руб.
711117-99E00-000

Внутренний болт картера двигателя - Bolt, Crankcase Inside (MODEL:04~09 # )

под заказ800 руб.
711117-99E01-000

   (актуальный код замены) Внутренний болт картера двигателя - Bolt, Crankcase Inside

под заказ800 руб.
711251-85FA1-000

Болт, Кривошип Case - Bolt, Crank Case (Bolt # ) (Bolt)

под заказ660 руб.
809246-05006-000

Заглушка (1 / 8pt, H: 5.5) - Plug (1/8pt, H:55) (Plug)

под заказ260 руб.
909246-08002-000

Заглушка - Plug (~MODEL:98 # ) (Заглушка 3/8PT, H:12)

под заказ240 руб.
1009246-16010-000

Заглушка - Plug (~MODEL:98~00 # ) (Plug (l:15))

под заказ580 руб.
1009246-16021-000

   (актуальный код замены) Заглушка, T / m Oil Drain - Plug, T/m Oil Drain

под заказ580 руб.
1101550-08407-000

Болт - Bolt (Болт 8 X 40)

под заказ260 руб.
1109116-08124-000

Болт - Bolt (MODEL:04~09 # )

под заказ260 руб.
1101550-08407-000

   (актуальный код замены) Болт - Bolt

под заказ260 руб.
1101550-08407-000

Болт - Bolt (Болт 8 X 40)

под заказ260 руб.
1201550-08607-000

Болт - Bolt (Bolt, throttle body # ) (Bolt)

под заказ290 руб.
1309206-13019-000

Штифт (10.4x13x16) - Pin (104x13x16) (MODEL:00~09 # ) (Стопор)

под заказ180 руб.
1411330-99E00-019

Крышка рубашки охлаждения картера двигателя (чёрный) - Cover, Crankcase Wtr Jkt (black) (Cover, water jkt (black) # DF60:~971960 DF70:MODEL:98~00 # ) (Крышка корпуса (чёрная))

под заказ0 руб.
1511332-99E00-000

Прокладка водяной рубашки охлаждения картера Крышка - Gasket, Crankcase Wtr Jkt Cover (Gasket, water jkt cover # DF60:~971960 DF70:MODEL:98~00 # ) (Прокладка крышки)

под заказ740 руб.
1616930-99E00-000

Запчасть снята с производства - The Spare Part Is Laid Off

под заказ0 руб.
1616930-99E01-000

   (актуальный код замены) Запчасть снята с производства - The Spare Part Is Laid Off

под заказ0 руб.
1616930-99E11-000

Направляющая измерителя уровня масла - Guide, Oil Level Gauge (MODEL:02~09 # ) (Направляющая датчика уровня масла)

под заказ2220 руб.
1709280-09008-000

Уплотнительное кольцо (d: 2.1, Id: 8.8) - O Ring (d:21, Id:88) (O ring (d:2.1, id:8.8) # ) (O ring)

16 шт340 руб.
1801550-06127-000

Болт - Bolt (Bolt, rect # ) (Bolt)

10 шт180 руб.
1901550-08207-000

Болт - Bolt (OPT, MODEL:98 # ) (Bolt)

10 шт240 руб.
2011291-91B50-000

Крюк двигателя - Hook, Engine (OPT, MODEL:98 # ) (Крюк двигателя)

под заказ900 руб.


Время выполнения запроса 0.96554088592529 сек.

 
 

данный сайт носит информационный характер и не является публичной офертой

склад запчастей для водомоторной техники