Запчасти на подвесной двигатель Сузуки DF70AT(H)L/X; DF70AWT(H)L/X модель 2010 года - Жгут проводов / Harness
вконтакте

Контактный телефон: +7 (981) 121-46-93, +7 (800) 200-90-76 , Email: parts-katalog@yandex.ru, где купить

 
 

  Логин:

Пароль:

Регистрация

www.partskatalog.ru Все каталоги Запчасти Mercury Запчасти Suzuki Запчасти Tohatsu Запчасти Honda Контакты



УВАЖАЕМЫЕ КЛИЕНТЫ!
C 19 ДЕКАБРЯ 2025 ПО 02 МАРТА 2026 ГОДА ОТДЕЛ ЗАПЧАСТЕЙ И СЕРВИС РАБОТАТЬ НЕ БУДУТ
ПРОДАЖА ЛОДОЧНЫХ МОТОРОВ В ШТАТНОМ РЕЖИМЕ
ОБ ИЗМЕНЕНИЯХ В ГРАФИКЕ РАБОТЫ ЧИТАЙТЕ НА САЙТА



назад Раздел:   вперёд

Вернуться к выбору узлов мотора


ДЕТАЛИРОВКА ДЛЯ МОДЕЛИ: SUZUKI DF70ATLK10(E1) K10

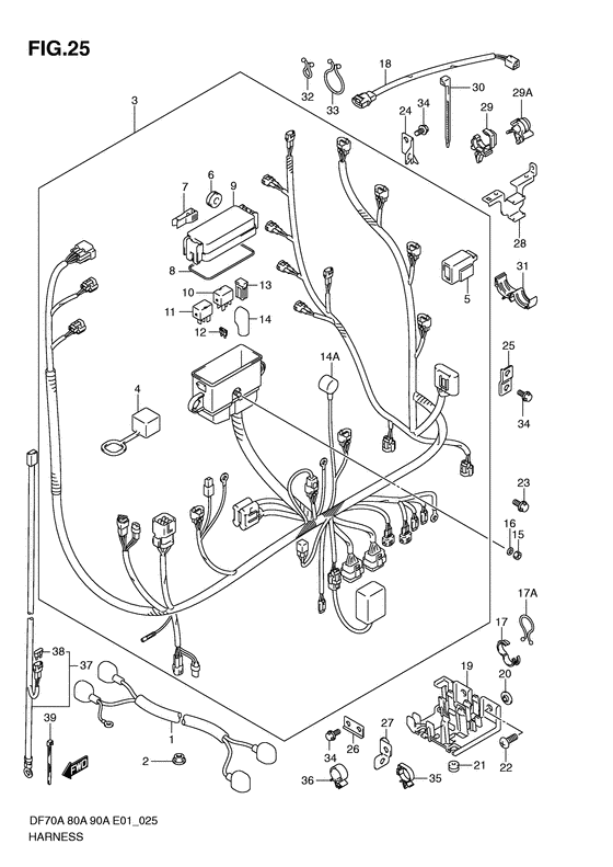
Жгут проводов


Код модели двигателя: DF70AT(H)L/X; DF70AWT(H)L/X

Год выпуска двигателя: 2010

Регион: General Export No.1 ,Код региона: P01

Цвет: Shadow Black Metallic

Номер на
рисунке
АртикулНаименованиеQTYКол-во
на складе
Цена
133810-90J10-000

Провода двигателя электростартера - Cable Assy, Starter Motor

под заказ21150 руб.
133810-90J30-000

   (актуальный код замены) Провода двигателя электростартера - Cable Assy, Starter Motor

под заказ21150 руб.
208316-10087-000

Гайка - Nut (Nut (chrome))

14 шт170 руб.
336610-87L00-000

Жгут проводов, в сборе - Harness Assy, Wiring (Harness assy, wiring)

под заказ128160 руб.
336610-87L01-000

   (актуальный код замены) Жгут проводов, в сборе - Harness Assy, Wiring

под заказ128160 руб.
336610-87L21-000

Жгут проводов, в сборе - Harness Assy, Wiring (Df70a:010754~, df80a:010136~, df90a:011036~ # ) (Harness assy, wiring)

под заказ128160 руб.
336610-87L22-000

   (актуальный код замены) Жгут проводов, в сборе - Harness Assy, Wiring

под заказ128160 руб.
336610-87L10-000

Жгут проводов, в сборе - Harness Assy, Wiring (Df70a:110001~, df80a:110001~, df90a:110001~ # ) (Harness assy, wiring)

под заказ128160 руб.
433634-96J00-000

Колпачок сервисного разъёма - Cap, Service Connector (Крышка соединителя)

под заказ610 руб.
536668-87L00-000

Держатель охладителя - Holder, Condenser (~model:10 # ) (Holder, condenser)

под заказ930 руб.
609320-08021-000

Подушка - Cushion (Cushion, fuse box # Cushion, fuse box; # ) (Cushion)

под заказ190 руб.
609320-08510-000

   (актуальный код замены) Подушка (8.5x20x8) - Cushion (8.5x20x8)

под заказ190 руб.
736737-96J00-000

Съемник предохранителя - Puller, Fuse (Протектор)

под заказ480 руб.
836721-96J00-000

Уплотнительное кольцо верхней крышки - O Ring, Upr Cover (O ring, upper cover # ) (Кольцо верхней крышки)

под заказ1090 руб.
936738-87L00-000

Верхняя крышка корпуса предохранителей - Cover, Fuse Case Upper (Cover, fuse case upper)

под заказ1660 руб.
1038860-76F01-000

Реле в сборе - Relay Assy (Relay, starting motor # Relay, eng control unit; # ) (Реле стартера)

7 шт5000 руб.
1138860-76F01-000

Реле в сборе - Relay Assy (Relay, starting motor # Relay assy, starter motor; # ) (Реле стартера)

7 шт5000 руб.
1209481-10501-000

Предохранитель (10a) - Fuse (10a) (Fuse (10a); # ) (Fuse (10a))

5 шт250 руб.
1209481-30501-000

Предохранитель (30a) - Fuse (30a) (Fuse (30a); # ) (Fuse (30a))

8 шт270 руб.
1309481-40401-000

Предохранитель (40a) - Fuse (40a) (Fuse (40a); # ) (Fuse (40a))

8 шт700 руб.
1436612-96J00-000

Колпачок клеммы - Cap, Terminal (Крышка)

под заказ610 руб.
1436612-96J01-000

   (актуальный код замены) Колпачок клеммы - Cap, Terminal

под заказ610 руб.
1436618-43410-000

Колпачок выключателя по давлению масла - Cap, Oil Pressure Switch (Крышка переключателя)

под заказ250 руб.
1508310-00067-000

Гайка - Nut (Nut, relay/fuse box; # ) (Гайка)

под заказ140 руб.
1608321-01067-000

Шайба с блокировкой - Washer, Lock (Washer, relay/fuse box; # ) (Шайба, стопорная)

под заказ140 руб.
1709408-00184-000

Струбцина - Clamp (Clamp, fuse box; Df70a:~010287, df80a:~010037, df90a:~010253 # ) (Струбцина проводки)

под заказ220 руб.
1709408-00021-000

Зажим (id: 16) - Clip (id:16) (Clip, oil warning reset sw # Clamp, fuse box (id:16); Df70a:010288~, df80a:010038~, df90a:010254~ # ) (Clamp)

под заказ120 руб.
1836611-87L00-000

Жгут проводов, в сборе Sub - Harness Assy, Wiring Sub (Df70a:~010837, df80a:~010137, df90a:~011313 # ) (Harness assy, wiring sub)

под заказ2120 руб.
1836611-87L01-000

   (актуальный код замены) Жгут проводов, в сборе Sub - Harness Assy, Wiring Sub

под заказ2120 руб.
1936616-87L00-000

Держатель кабеля - Holder, Cable (Держатель кабеля)

под заказ840 руб.
2009169-06053-000

Шайба - Washer (Washer, cable holder; # ) (Шайба (6.3X16X1))

под заказ150 руб.
2109320-04009-000

Втулка - Bush (Cushion, cable holder; # ) (Втулка)

под заказ160 руб.
2109320-04013-000

   (актуальный код замены) Подушка, Muf Cov - Cushion, Muf Cov

под заказ160 руб.
2202142-06167-000

Винт - Screw (Screw # Screw, cable holder; # ) (Винт крестовый 6x16)

8 шт110 руб.
2301550-06127-000

Болт - Bolt (Bolt, rect # Bolt, ground; # ) (Bolt)

10 шт180 руб.
2436617-87L00-000

Струбцина под жгут проводов - Clamp, Harness (Струбцина проводки)

под заказ510 руб.
2536617-93J00-000

Кронштейн жгута проводов - Bracket, Harness (Кронштейн)

под заказ190 руб.
2636617-87L10-000

Струбцина под жгут проводов - Clamp, Harness (Струбцина проводки)

под заказ430 руб.
2736617-87L20-000

Струбцина под жгут проводов - Clamp, Harness (Струбцина проводки)

под заказ430 руб.
2836617-87L30-000

Кронштейн, Harn - Bracket, Harn (~model:10 # ) (Кронштейн проводки)

под заказ0 руб.
2909403-12412-000

Струбцина - Clamp (Clamp, sw lead wire # Clamp, harness; Df70a:~010837, df80a:~010137, df90a:~011313 # ) (Clamp)

под заказ250 руб.
2909403-07308-000

Струбцина - Clamp (Clamp # Clamp, harness; Df70a:010838~, df80a:010138~, df90a:011314~ # ) (Clamp)

под заказ120 руб.
3009407-14407-000

Струбцина (l: 145) - Clamp (l:145) (Band # Clamp, harness; # ) (Clamp (l:145))

9 шт230 руб.
3109403-20403-000

Струбцина - Clamp (~model:10 # ) (Clamp)

под заказ250 руб.
3209408-00020-000

Зажим - Clip (Clamp, lead wire # Clamp, harness (id:8.3); Df70a:~010837, df80a:~010137, df90a:~011313 # ) (Сигнал)

под заказ130 руб.
3309408-00024-000

Зажим (id: 23) - Clip (id:23) (Clip, ptt sw terminal # Clamp, harness (id:23); # ) (Шланг топливный)

под заказ120 руб.
3401550-06127-000

Болт - Bolt (Bolt, rect # Bolt, harness clamp; # ) (Bolt)

10 шт180 руб.
3509403-11321-000

Струбцина - Clamp (Clamp, harness; # ) (Clamp)

под заказ240 руб.
3609403-12409-000

Струбцина - Clamp (Clamp, harness; # ) (Clamp)

под заказ190 руб.
3736625-93J00-000

Провод аккумулятора - Lead, Battery (L:3700, ~model:10 # ) (Проводка аккумулятора)

4 шт5430 руб.
3736625-93J01-000

   (актуальный код замены) Провод аккумулятора - Lead, Battery

под заказ5430 руб.
3736625-93J10-000

Провод аккумулятора - Lead, Battery (Opt, l:6500 # ) (Проводка аккумулятора)

под заказ5910 руб.
3809481-15501-000

Предохранитель (15a) - Fuse (15a) (Fuse (15a); # ) (Предохранитель (15A))

под заказ160 руб.
3909407-10404-000

Струбцина (l: 100) - Clamp (l:100) (Clamp, battery lead (l:96) # Clamp, battery lead; ~model:10 # ) (Clamp (l:100))

под заказ190 руб.


Время выполнения запроса 3.0483140945435 сек.

 
 

данный сайт носит информационный характер и не является публичной офертой

склад запчастей для водомоторной техники