Купить запчасти Suzuki DF80AT(H)L/X модель 2014 года - Opt:switch
вконтакте

Контактный телефон: +7 (981) 121-46-93, +7 (800) 200-90-76 , Email: parts-katalog@yandex.ru, где купить

 
 

  Логин:

Пароль:

Регистрация

www.partskatalog.ru Все каталоги Запчасти Mercury Запчасти Suzuki Запчасти Tohatsu Запчасти Honda Контакты



УВАЖАЕМЫЕ КЛИЕНТЫ!
C 19 ДЕКАБРЯ 2025 ПО 02 МАРТА 2026 ГОДА ОТДЕЛ ЗАПЧАСТЕЙ И СЕРВИС РАБОТАТЬ НЕ БУДУТ
ПРОДАЖА ЛОДОЧНЫХ МОТОРОВ В ШТАТНОМ РЕЖИМЕ
ОБ ИЗМЕНЕНИЯХ В ГРАФИКЕ РАБОТЫ ЧИТАЙТЕ НА САЙТА



назад Раздел:   вперёд

Вернуться к выбору узлов мотора


ДЕТАЛИРОВКА ДЛЯ МОДЕЛИ: SUZUKI DF80AT FROM 08002F-410001~ (E01,E40)

Опции: переключатели


Код модели двигателя: DF80AT(H)L/X

Год выпуска двигателя: 2014

Регион: General Export No.1/Costa Rica ,Код региона: P01/P40

Цвет: Shadow Black Metallic

Номер на
рисунке
АртикулНаименованиеQTYКол-во
на складе
Цена
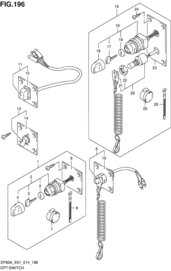
137100-96J00-000

Панель выключателя зажигания, в сборе - Panel Assy, Ignition Switch (Панель замка зажигания)

7 шт17670 руб.
137100-96J01-000

   (актуальный код замены) Панель выключателя зажигания, в сборе - Panel Assy, Ignition Switch

под заказ17670 руб.
237110-93J01-000

Выключатель зажигания - Switch Assy, Ignition (Switch assy, ignition)

под заказ11430 руб.
237110-93J02-000

   (актуальный код замены) Выключатель зажигания - Switch Assy, Ignition

2 шт13000 руб.
337141-99E00-000

Ключ (931) - Key (931) (Ключ (931))

под заказ1660 руб.
337141-99E10-000

Ключ (932) - Key (932) (Ключ (932))

1 шт1380 руб.
337141-99E20-000

Ключ (933) - Key (933) (Ключ (933))

под заказ1380 руб.
337141-99E30-000

Ключ (934) - Key (934) (Ключ (934))

1 шт1380 руб.
337141-99E40-000

Ключ (935) - Key (935) (Ключ (935))

под заказ1380 руб.
337141-99E50-000

Ключ (936) - Key (936) (Ключ (936))

под заказ1380 руб.
337141-99E60-000

Ключ (937) - Key (937) (Ключ (937))

1 шт1380 руб.
337141-99E70-000

Ключ (938) - Key (938) (Ключ (938))

под заказ1380 руб.
337141-99E80-000

Ключ (939) - Key (939) (Ключ (939))

1 шт1480 руб.
337141-99E90-000

Ключ (940) - Key (940) (Ключ (940))

1 шт1510 руб.
337141-99EA0-000

Ключ (941) - Key (941) (Ключ (941))

1 шт1510 руб.
337141-99EB0-000

Ключ (942) - Key (942) (Ключ (942))

под заказ1380 руб.
437143-99E00-000

Колпачок ключа - Cap, Key (Колпачок ключа)

под заказ600 руб.
437143-99E01-000

   (актуальный код замены) Колпачок ключа - Cap, Key

2 шт640 руб.
537149-93J00-000

Колпачок корпуса цилиндра - Cap, Cylinder Body (Cap, cylinder body)

3 шт760 руб.
637139-99E00-000

Панель выключателя зажигания - Panel, Ignition Switch (Panel, ignition switch # ) (Панель)

под заказ4080 руб.
738500-93J90-000

Предупреждающий зуммер - Buzzer, Warning (Зуммер)

под заказ3890 руб.
809407-08401-000

Струбцина (l: 80) - Clamp (l:80) (Струбцина)

под заказ130 руб.
937803-93J03-000

Панель аварийного выключателя двигателяitch - Panel Assy, Emergency Switch

под заказ7640 руб.
937803-93J06-000

   (актуальный код замены) Панель аварийного выключателя двигателя - Panel Assy, Emergency Sw

под заказ7640 руб.
937803-93J04-000

Панель аварийного выключателя двигателяitch - Panel Assy, Emergency Switch (PANEL ASSY, EMERGENCY SWITCH)

под заказ7640 руб.
937803-93J06-000

   (актуальный код замены) Панель аварийного выключателя двигателя - Panel Assy, Emergency Sw

под заказ7640 руб.
1037825-99E00-000

Панель аварийного выключателя двигателя - Panel, Emergency Stop Sw (Panel, emergency sw # ) (Панель)

под заказ4080 руб.
1137805-93J00-000

Панель управления гидроподъемом, в сборе - Panel Assy, Ptt Sw (Панель переключателя)

под заказ9220 руб.
1237855-99E00-000

Панель управления гидроподъемом - Panel, Ptt Sw (Панель переключателя)

под заказ4080 руб.
1337210-93J00-000

Панель выключателя освещения, в сбореitch - Panel Assy, Lighting Switch (Панель переключателя освещения)

под заказ9750 руб.
1437212-93J00-000

Панель выключателя освещения - Panel, Lighting Sw (Панель переключателя освещения)

под заказ4080 руб.
1537100-96J23-000

Панель выключателя зажигания, в сборе - Panel Assy, Engine Switch

под заказ20500 руб.
1537100-96J27-000

   (актуальный код замены) Панель выключателя зажигания, в сборе - Panel Assy, Engine Switch

3 шт20500 руб.
1537100-96J24-000

Панель выключателя зажигания, в сборе - Panel Assy, Engine Switch (PANEL ASSY, ENGINE SWITCH)

под заказ20500 руб.
1537100-96J27-000

   (актуальный код замены) Панель выключателя зажигания, в сборе - Panel Assy, Engine Switch

3 шт20500 руб.
1637110-93J01-000

Выключатель зажигания - Switch Assy, Ignition (Switch assy, ignition)

под заказ11430 руб.
1637110-93J02-000

   (актуальный код замены) Выключатель зажигания - Switch Assy, Ignition

2 шт13000 руб.
1737141-99E00-000

Ключ (931) - Key (931) (Ключ (931))

под заказ1660 руб.
1737141-99E10-000

Ключ (932) - Key (932) (Ключ (932))

1 шт1380 руб.
1737141-99E20-000

Ключ (933) - Key (933) (Ключ (933))

под заказ1380 руб.
1737141-99E30-000

Ключ (934) - Key (934) (Ключ (934))

1 шт1380 руб.
1737141-99E40-000

Ключ (935) - Key (935) (Ключ (935))

под заказ1380 руб.
1737141-99E50-000

Ключ (936) - Key (936) (Ключ (936))

под заказ1380 руб.
1737141-99E60-000

Ключ (937) - Key (937) (Ключ (937))

1 шт1380 руб.
1737141-99E70-000

Ключ (938) - Key (938) (Ключ (938))

под заказ1380 руб.
1737141-99E80-000

Ключ (939) - Key (939) (Ключ (939))

1 шт1480 руб.
1737141-99E90-000

Ключ (940) - Key (940) (Ключ (940))

1 шт1510 руб.
1737141-99EA0-000

Ключ (941) - Key (941) (Ключ (941))

1 шт1510 руб.
1737141-99EB0-000

Ключ (942) - Key (942) (Ключ (942))

под заказ1380 руб.
1837143-99E00-000

Колпачок ключа - Cap, Key (Колпачок ключа)

под заказ600 руб.
1837143-99E01-000

   (актуальный код замены) Колпачок ключа - Cap, Key

2 шт640 руб.
1937149-93J00-000

Колпачок корпуса цилиндра - Cap, Cylinder Body (Cap, cylinder body)

3 шт760 руб.
2037820-93J03-000

Аварийный выключатель, в сборе - Switch Assy, Emergency

под заказ5000 руб.
2037820-93J05-000

   (актуальный код замены) Аварийный выключатель, в сборе - Switch Assy, Emergency

10 шт6310 руб.
2037820-93J04-000

Аварийный выключатель, в сборе - Switch Assy, Emergency (SWITCH ASSY, EMERGENCY)

под заказ5000 руб.
2037820-93J05-000

   (актуальный код замены) Аварийный выключатель, в сборе - Switch Assy, Emergency

10 шт6310 руб.
2137823-92E01-000

Пластина блокировки аварийного выключателя - Plate Assy, Emergency Sw Lock (Plate)

под заказ2570 руб.
2137823-92E02-000

   (актуальный код замены) Пластина блокировки аварийного выключателя - Plate Assy, Emergency Sw Lock

3 шт2770 руб.
2237826-92E00-000

Гайка - Nut (Гайка)

под заказ740 руб.
2337139-99E20-000

Панель выключателя зажигания - Panel, Ignition Switch (Панель)

под заказ5280 руб.
2403121-0516A-000

Винт - Screw (Болт)

под заказ140 руб.
2538500-93J90-000

Предупреждающий зуммер - Buzzer, Warning (Зуммер)

под заказ3890 руб.
2609407-08401-000

Струбцина (l: 80) - Clamp (l:80) (Струбцина)

под заказ130 руб.


Время выполнения запроса 10.497457027435 сек.

 
 

данный сайт носит информационный характер и не является публичной офертой

склад запчастей для водомоторной техники