Запчасти на подвесной мотор Suzuki DF80AT(H)L/X модель 2009 года - Clamp bracket
вконтакте

Контактный телефон: +7 (981) 121-46-93, +7 (800) 200-90-76 , Email: parts-katalog@yandex.ru, где купить

 
 

  Логин:

Пароль:

Регистрация

www.partskatalog.ru Все каталоги Запчасти Mercury Запчасти Suzuki Запчасти Tohatsu Запчасти Honda Контакты

назад Раздел:   вперёд

Вернуться к выбору узлов мотора


ДЕТАЛИРОВКА ДЛЯ МОДЕЛИ: SUZUKI DF80A K9

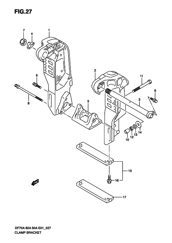
Кронштейн транца


Код модели двигателя: DF80AT(H)L/X

Год выпуска двигателя: 2009

Цвет: Shadow Black Metallic

Номер на
рисунке
АртикулНаименованиеQTYКол-во
на складе
Цена
141111-87L00-0EP

Кронштейн правого зажима - Bracket, Clamp Stbd

под заказ0 руб.
141111-87L02-0EP

   (актуальный код замены) Запчасть снята с производства - The Spare Part Is Laid Off

под заказ0 руб.
141111-87L02-0EP

Кронштейн правого зажима - Bracket, Clamp Stbd (Bracket, clamp stbd)

под заказ0 руб.
141111-87L02-0EP

Кронштейн правого зажима - Bracket, Clamp Stbd (DF70A:010754~ DF80A:010136~ DF90A:011036~ # ) (Bracket, clamp stbd)

под заказ0 руб.
241121-87L01-0EP

Кронштейн левого зажима - Bracket, Clamp Port (Bracket, clamp port)

под заказ0 руб.
241121-87L02-0EP

   (актуальный код замены) Запчасть снята с производства - The Spare Part Is Laid Off

под заказ0 руб.
341130-87L00-000

Труба кронштейна транца - Shaft, Clamp Bracket

под заказ23480 руб.
341130-87L01-000

   (актуальный код замены) Труба кронштейна транца - Shaft, Clamp Bracket

под заказ23480 руб.
341130-87L01-000

Труба кронштейна транца - Shaft, Clamp Bracket (Shaft, clamp bracket)

под заказ23480 руб.
441135-93J11-000

Шайба кронштейна вала транца - Washer, Clamp Bracket Shaft (Washer, clamp bracket shaft)

под заказ610 руб.
541141-87L00-0EP

Струбцина транца Lwr - Bracket, Clamp Lwr (Bracket, clamp lower)

под заказ0 руб.
609116-08137-000

Болт (8x22) - Bolt (8x22) (Bolt (8x22) # ) (Болт (8X22))

10 шт690 руб.
709159-22006-000

Гайка - Nut (Гайка)

8 шт1950 руб.
809116-10146-000

Болт (10x195) - Bolt (10x195) (Bolt, eng set no, 3 (l:195))

под заказ2070 руб.
909116-10139-000

Болт (10x44) - Bolt (10x44)

под заказ610 руб.
909116-10176-000

   (актуальный код замены) Болт (10x44) - Bolt (10x44)

4 шт760 руб.
909116-10176-000

Болт (10x44) - Bolt (10x44) (Bolt, 10x44)

4 шт760 руб.
1041153-94500-000

Колпачок транцевого болта - Cap, Transom Bolt (Крышка)

2 шт370 руб.
1109100-12090-000

Болт (12x150) - Bolt (12x150) (OPT # ) (Bolt (12x150, pitch:1.25))

4 шт2480 руб.
1109100-12091-000

Болт (12x115) - Bolt (12x115) (Bolt (12x115, pitch:1.25))

24 шт1530 руб.
1209159-12014-000

Гайка - Nut (Гайка)

18 шт370 руб.
1309160-12110-000

Шайба (12.5x22x3) - Washer (125x22x3) (Шайба)

6 шт370 руб.
1409160-12044-000

Шайба (12.5x35x3.2) - Washer (125x35x32) (Washer (12.5x35x3.2) # ) (Шайба)

12 шт260 руб.
1555320-94900-000

Анод кронштейна транца - Anode Set, Clamp Bracket (Zinc, protection # ) (Комплект анодов)

13 шт4950 руб.
1609116-06121-000

Болт (6x25) - Bolt (6x25) (Bolt (6x25) # ) (Bolt)

19 шт260 руб.
1755321-94910-000

Анод (магниевый) - Anode (magnesium) (OPT # ) (Анод)

13 шт5910 руб.


Время выполнения запроса 1.4685518741608 сек.

 
 

данный сайт носит информационный характер и не является публичной офертой

склад запчастей для водомоторной техники