| |
 |
|
 |
Вернуться к выбору узлов мотора
ДЕТАЛИРОВКА ДЛЯ МОДЕЛИ: SUZUKI DF80AT FROM 08002F-210001~ (E01,E40)
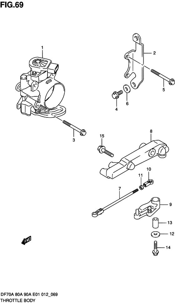
Дроссель газа
Код модели двигателя: DF80AT(H)L/X
Год выпуска двигателя: 2012
Регион: General Export No.1/Costa Rica ,Код региона: P01/P40
Цвет: Shadow Black Metallic
Номер на рисунке | Артикул | Наименование | QTY | Кол-во на складе | Цена |
| 1 | 13300-87L00-000 | Корпус дросселя - Body Assy, Throttle (Body assy, throttle) | | под заказ | 64320 руб. |
| 1 | 13300-87L11-000 | (актуальный код замены) Корпус дросселя - Body Assy, Throttle | | под заказ | 64320 руб. |
| 2 | 13315-87L00-000 | Кронштейн корпуса дросселя - Bracket, Throttle Body (Bracket, throttle body) | | под заказ | 2160 руб. |
| 3 | 01550-06507-000 | Болт - Bolt (Bolt (chrome)) | | под заказ | 210 руб. |
| 4 | 01550-06167-000 | Болт - Bolt (Bolt) | | 9 шт | 210 руб. |
| 5 | 01550-06557-000 | Болт - Bolt (Bolt) | | 5 шт | 210 руб. |
| 6 | 09160-06084-000 | Шайба (6.5x18x1.6) - Washer (65x18x16) (Шайба 6.5X18X1) | | 7 шт | 130 руб. |
| 7 | 13510-87L00-000 | Тяга дросселя №1 - Rod, Throttle No1 (Rod comp, throttle no.1) | | под заказ | 2010 руб. |
| 8 | 19115-87L00-000 | Держатель рычага дросселя - Holder, Throttle Lever (Holder, throttle lever) | | под заказ | 6200 руб. |
| 9 | 19120-87L10-000 | Рычаг дросселя - Lever, Throttle (Рукоятка дросселя) | | под заказ | 2450 руб. |
| 10 | 19131-95502-000 | Коннектор - Connector (Connector, oil pump no.2 # ) (Коннектор) | | 21 шт | 530 руб. |
| 11 | 09140-05005-000 | Гайка - Nut (Гайка) | | 10 шт | 270 руб. |
| 12 | 09160-06046-000 | Шайба (6.5x20x1.5) - Washer (65x20x15) (Washer (6.5x20x1.5) # ) (Шайба) | | 20 шт | 150 руб. |
| 13 | 09180-06186-000 | Проставка (6.2x12.6x21) - Spacer (62x126x21) (Spacer, throttle lever no.2 # ) (Кольцо/шайба) | | 4 шт | 610 руб. |
| 14 | 01550-06357-000 | Болт - Bolt (Bolt, throttle lever no.2 # ) (Bolt) | | 9 шт | 210 руб. |
| 15 | 01550-08307-000 | Болт - Bolt (Bolt) | | 21 шт | 320 руб. |
Время выполнения запроса 0.91933298110962 сек. |
|