| |
 |
|
 |
Вернуться к выбору узлов мотора
ДЕТАЛИРОВКА ДЛЯ МОДЕЛИ: SUZUKI DF90AT/DF90ATH FROM 09003F-310001~ (E01,E40)
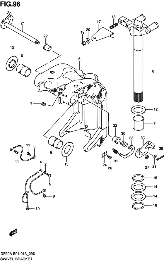
Поворотный кронштейн
Код модели двигателя: DF90AT(H)L/X
Год выпуска двигателя: 2013
Регион: General Export No.1/Costa Rica ,Код региона: P01/P40
Цвет: Shadow Black Metallic
Номер на рисунке | Артикул | Наименование | QTY | Кол-во на складе | Цена |
| 1 | 22511-99011-000 | Ниппель смазки - Nipple, Grease (Ниппель) | | 9 шт | 400 руб. |
| 2 | 36894-87D00-000 | Lead (l: 165) - Lead (l:165) (Провод) | | 2 шт | 1350 руб. |
| 3 | 36894-87D00-000 | Lead (l: 165) - Lead (l:165) (Провод) | | 2 шт | 1350 руб. |
| 4 | 36895-87D10-000 | Lead (l: 310) - Lead (l:310) (Lead (swivel to hsg) # ) (Провод) | | 2 шт | 1300 руб. |
| 5 | 43111-87L20-0EP | Поворотный кронштейн - Bracket, Swivel (Bracket, swivel (l) (black)) | | под заказ | 149760 руб. |
| 6 | 43211-93J00-000 | Втулка струбцины поворотного вала - Bush, Clamp Shaft Swivel (Втулка вала) | | под заказ | 830 руб. |
| 6 | 43211-93J11-000 | (актуальный код замены) Втулка струбцины поворотного вала - Bush, Clamp Shaft Swivel | | 10 шт | 900 руб. |
| 7 | 43711-97E00-000 | Втулка рулевой системы - Bush, Steering | | под заказ | 870 руб. |
| 7 | 43711-97E11-000 | (актуальный код замены) Втулка рулевой системы - Bush, Steering | | 20 шт | 930 руб. |
| 7 | SK43711-97E00 | (не оригинальный аналог) Втулка поворотного механизма Skipper для Suzuki DT40-200/DF40-300 | | 0 шт | 254 руб. |
| 7 | 43711-97E01-000 | Втулка рулевой системы - Bush, Steering (Bush, steering) | | под заказ | 870 руб. |
| 7 | 43711-97E11-000 | (актуальный код замены) Втулка рулевой системы - Bush, Steering | | 20 шт | 930 руб. |
| 8 | 43750-87L00-0EP | Кронштейн рулевого управления L (чёрный) - Bracket, Steering L (black) (Bracket, steering (l)) | | под заказ | 92160 руб. |
| 8 | 43750-87L20-0EP | (актуальный код замены) Кронштейн рулевого управления L (чёрный) - Bracket, Steering L (black) | | под заказ | 92160 руб. |
| 9 | 09125-06063-000 | Винт (6x10) - Screw (6x10) (Винт 6X10 (SUS)) | | 6 шт | 190 руб. |
| 10 | 09125-06063-000 | Винт (6x10) - Screw (6x10) (Винт 6X10 (SUS)) | | 6 шт | 190 руб. |
| 11 | 09125-06063-000 | Винт (6x10) - Screw (6x10) (Винт 6X10 (SUS)) | | 6 шт | 190 руб. |
| 12 | 09160-39001-000 | Шайба (39.5x64x1) - Washer (395x64x1) (Washer (39.5x64x1.0) # ) (Шайба 39.5X64X) | | 8 шт | 320 руб. |
| 13 | 09169-28003-000 | Шайба - Washer (Шайба) | | под заказ | 410 руб. |
| 14 | 09181-39001-000 | Регулировочная шайба (39.5x64x0.3) - Shim (395x64x03) (Shim (39.5x64x0.3) # ) (Shim) | | 10 шт | 480 руб. |
| 15 | 09282-39001-000 | Сальник (39x51x5) - Seal, Oil (39x51x5) (Seal, oil # ) (Сальник 39X51X) | | 24 шт | 690 руб. |
| 16 | 09380-38003-000 | Стопорное кольцо - Circlip (Circlip) | | 5 шт | 600 руб. |
| 17 | 43755-87L00-0EP | Соединитель кронштейна рулевой системы - Attachment, Steering Bracket | | под заказ | 4950 руб. |
| 17 | 43755-87L00-000 | (актуальный код замены) Соединитель кронштейна рулевой системы - Attachment, Steering Bracket | | 1 шт | 4950 руб. |
| 17 | 43755-87L00-000 | Соединитель кронштейна рулевой системы - Attachment, Steering Bracket (ATTACHMENT, STEERING BRACKET) | | 1 шт | 4950 руб. |
| 18 | 09108-10156-000 | Болт под шпильку - Bolt, Stud (Болт) | | 10 шт | 570 руб. |
| 19 | 09159-10050-000 | Гайка - Nut (Гайка) | | 8 шт | 250 руб. |
| 20 | 09160-10141-000 | Шайба (10.5x19x2) - Washer (105x19x2) (Washer, drive shaft hsg stud (10.5x19x2) # ) (Шайба) | | 10 шт | 250 руб. |
| 21 | 41220-93J11-000 | Рычаг блокировки наклона - Lever, Tilt Lock (Рукоятка управления) | | под заказ | 7640 руб. |
| 22 | 41224-95E01-000 | Втулка тяги ограничителя наклона - Bush, Tilt Stopper Rod (Bush, tilt stopper rod # ) (Втулка блокировки) | | под заказ | 570 руб. |
| 23 | 41230-87L00-000 | Соединитель рычага ограничителя наклона - Link, Tilt Lock Lever (Link, tilt lock lever) | | 1 шт | 2450 руб. |
| 24 | 41233-95E10-000 | Кронштейн пружины ограничителя наклона - Bracket, Tilt Lock Spring (Bracket, tilt lock spring # ) (Кронштейн блокировки) | | 1 шт | 1230 руб. |
| 25 | 41234-93J11-000 | Левый рычаг блокировки наклона - Lever, Tilt Lock Port (Lever, tilt lock port) | | под заказ | 3460 руб. |
| 26 | 09125-06063-000 | Винт (6x10) - Screw (6x10) (Винт 6X10 (SUS)) | | 6 шт | 190 руб. |
| 27 | 09140-10032-000 | Гайка - Nut (Гайка) | | 10 шт | 160 руб. |
| 28 | 09160-06082-000 | Шайба (6.5x13x1.0) - Washer (65x13x10) (Шайба) | | 7 шт | 150 руб. |
| 29 | 09204-01006-000 | Штифт - Pin (Pin, cotter # ) (Pin) | | 14 шт | 150 руб. |
| 30 | 09440-19028-000 | Пружина - Spring (Пружина) | | 7 шт | 260 руб. |
| 31 | 09443-10043-000 | Пружина - Spring (Пружина) | | 9 шт | 250 руб. |
Время выполнения запроса 0.86676120758057 сек. |
|