Купить оригинальные запчасти на подвесной двигатель SUZUKI DF90TL/X модель 2001 года - Transmission
вконтакте

Контактный телефон: +7 (981) 121-46-93, +7 (800) 200-90-76 , Email: parts-katalog@yandex.ru, где купить

 
 

  Логин:

Пароль:

Регистрация

www.partskatalog.ru Все каталоги Запчасти Mercury Запчасти Suzuki Запчасти Tohatsu Запчасти Honda Контакты



УВАЖАЕМЫЕ КЛИЕНТЫ!
C 19 ДЕКАБРЯ 2025 ПО 02 МАРТА 2026 ГОДА ОТДЕЛ ЗАПЧАСТЕЙ И СЕРВИС РАБОТАТЬ НЕ БУДУТ
ПРОДАЖА ЛОДОЧНЫХ МОТОРОВ В ШТАТНОМ РЕЖИМЕ
ОБ ИЗМЕНЕНИЯХ В ГРАФИКЕ РАБОТЫ ЧИТАЙТЕ НА САЙТА



назад Раздел:   вперёд

Вернуться к выбору узлов мотора


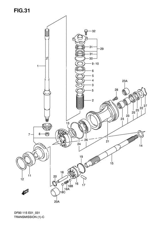
ДЕТАЛИРОВКА ДЛЯ МОДЕЛИ: SUZUKI DF90TLK1(E1) K1

Трансмиссия


Код модели двигателя: DF90TL/X

Год выпуска двигателя: 2001

Регион: General Export No.1 ,Код региона: P01

Цвет: Shadow Black Metallic

Номер на
рисунке
АртикулНаименованиеQTYКол-во
на складе
Цена
157110-90J20-000

Вал привода (l) - Shaft, Drive (l) (Shaft assy, drive (l) # Shaft assy, drive (l); # ) (Вал ведущий)

3 шт110880 руб.
157110-92J20-000

Вал привода (l) - Shaft, Drive (l) (Shaft assy, drive (l); Model:04~06 # )

под заказ54720 руб.
157110-92J60-000

   (актуальный код замены) Вал привода (l) - Shaft, Drive (l)

2 шт55200 руб.
157110-92J60-000

Вал привода (l) - Shaft, Drive (l) (Shaft, drive (l))

2 шт55200 руб.
157110-92J41-000

Вал привода (l) - Shaft, Drive (l) (Shaft assy, drive (l); Df90:680686~, df115:681518~, df100 # )

под заказ54720 руб.
157110-92J60-000

   (актуальный код замены) Вал привода (l) - Shaft, Drive (l)

2 шт55200 руб.
157110-92J60-000

Вал привода (l) - Shaft, Drive (l) (Shaft, drive (l))

2 шт55200 руб.
157110-90J30-000

Вал привода (x) - Shaft, Drive (x) (Shaft assy, drive (ul) # Shaft assy, drive (x); # ) (Вал ведущий)

под заказ0 руб.
157110-92J30-000

Вал привода (x) - Shaft, Drive (x) (Shaft assy, drive (x); Model:04~06 # )

под заказ63840 руб.
157110-92J70-000

   (актуальный код замены) Вал привода (x) - Shaft, Drive (x)

2 шт63840 руб.
157110-92J70-000

Вал привода (x) - Shaft, Drive (x) (Shaft, drive (x))

2 шт63840 руб.
157110-92J51-000

Вал привода (x) - Shaft, Drive (x) (Shaft assy, drive (x); Df90:680686~, df115:681518~, df100 # )

под заказ63840 руб.
157110-92J70-000

   (актуальный код замены) Вал привода (x) - Shaft, Drive (x)

2 шт63840 руб.
157110-92J70-000

Вал привода (x) - Shaft, Drive (x) (Shaft, drive (x))

2 шт63840 руб.
257133-90J01-000

Воротник приводного вала - Collar, Drive Shaft

под заказ1480 руб.
257133-90J02-000

   (актуальный код замены) Воротник приводного вала - Collar, Drive Shaft

6 шт1480 руб.
257133-90J02-000

Воротник приводного вала - Collar, Drive Shaft (Collar, drive shaft)

6 шт1480 руб.
309164-31001-000

Шайба - Washer (Model:01~03 # ) (Шайба)

176 шт450 руб.
409169-31001-000

Шайба - Washer (Model:01~03 # ) (Шайба)

4 шт430 руб.
509181-31001-000

Регулировочная шайба (31x46x2) - Shim (31x46x2) (Model:01~03 # ) (Шайба)

41 шт420 руб.
609265-25040-000

Подшипник (25x52x19.25) - Bearing (25x52x1925)

под заказ7200 руб.
609265-25046-000

   (актуальный код замены) Подшипник (25x52x19.25) - Bearing (25x52x19.25)

10 шт7810 руб.
632205XRKOYO

   (подбор по маркировке) Подшипник KOYO 32205XR(25*52*18 мм)

под заказ725 руб.
609265-25046-000

Подшипник (25x52x19.25) - Bearing (25x52x1925) (Bearing (25x52x19.25))

10 шт7810 руб.
632205XRKOYO

   (подбор по маркировке) Подшипник KOYO 32205XR(25*52*18 мм)

под заказ725 руб.
757300-90801-000

Комплект шестерёнок - Pinion & Gear Set (Набор шестерен)

2 шт88800 руб.
757300-90810-000

Комплект шестерёнок - Pinion & Gear Set (Df90:680686~, df115:681518~ # ) (Набор шестерен)

2 шт111000 руб.
757300-90820-000

Комплект шестерёнок - Pinion & Gear Set (Model:07~ # ) (Набор шестерен)

6 шт88870 руб.
809140-14024-000

Гайка - Nut (Гайка)

18 шт270 руб.
957500-87873-000

Комплект регулировочных шайб приводного вала - Shim Set, Drive Shaft (Набор шайб)

8 шт6280 руб.
1009181-40186-000

Регулировочная шайба (41x52x0.5) - Shim (41x52x05) (Shim (t:0.50) # Shim (t:0.50); # ) (Shim)

7 шт280 руб.
1009181-41002-000

Регулировочная шайба (41x52x0.55) - Shim (41x52x055) (Shim (t:0.55); # ) (Shim (t:0.55))

под заказ470 руб.
1009181-41003-000

Регулировочная шайба (41x52x0.6) - Shim (41x52x06) (Shim (t:0.60) # Shim (t:0.60); # ) (Шайба 41X52X0.6)

2 шт470 руб.
1009181-41004-000

Регулировочная шайба (41x52x0.65) - Shim (41x52x065) (Shim (t:0.65) # Shim (t:0.65); # ) (Шайба 41X52X0.65)

17 шт470 руб.
1009181-41005-000

Регулировочная шайба (41x52x0.7) - Shim (41x52x07) (Shim (t:0.70) # Shim (t:0.70); # ) (Шайба 41X52X0.7)

7 шт470 руб.
1009181-41006-000

Регулировочная шайба (41x52x0.75) - Shim (41x52x075) (Shim (t:0.75) # Shim (t:0.75); # ) (Шайба 41X52X0.75)

9 шт470 руб.
1009181-40190-000

Регулировочная шайба (40x52x0.8) - Shim (40x52x08) (Shim (t:0.80) # Shim (t:0.80); # ) (Шайба T:0.8)

4 шт280 руб.
1009181-41008-000

Регулировочная шайба (41x52x0.85) - Shim (41x52x085) (Shim (t:0.85) # Shim (t:0.85); # ) (Шайба 41X52X0.85)

под заказ470 руб.
1009181-41009-000

Регулировочная шайба (41x52x0.9) - Shim (41x52x09) (Shim (t:0.90) # Shim (t:0.90); # ) (Шайба 41X52X0.9)

под заказ470 руб.
1009181-41010-000

Регулировочная шайба (41x52x0.95) - Shim (41x52x095) (Shim (t:0.95) # Shim (t:0.95); # ) (Шайба 41X52X0.95)

под заказ470 руб.
1009181-40195-000

Регулировочная шайба (40x52x1) - Shim (40x52x1) (Shim (t:1.00) # Shim (t:1.00); # ) (Шайба T:1.0)

11 шт420 руб.
1009181-41012-000

Регулировочная шайба (41x52x1.05) - Shim (41x52x105) (Shim (t:1.05) # Shim (t:1.05); # ) (Шайба 41X52X1.05)

под заказ470 руб.
1009181-41013-000

Регулировочная шайба (41x52x1.1) - Shim (41x52x11) (Shim (t:1.10) # Shim (t:1.10); # ) (Шайба 41X52X1.1)

под заказ470 руб.
1009181-41014-000

Регулировочная шайба (41x52x1.15) - Shim (41x52x115) (Shim (t:1.15) # Shim (t:1.15); # ) (Шайба 41X52X1.15)

под заказ470 руб.
1109265-50003-000

Подшипник (50x85x26) - Bearing (50x85x26) (Part of gear case # ) (Bearing)

3 шт13400 руб.
1133110JRYA2KOYO

   (подбор по маркировке) Подшипник KOYO 33110JRYA2(50*85*26 мм)

под заказ2475 руб.
1209181-50020-000

Регулировочная шайба (50x65x0.45) - Shim (50x65x045) (Shim (t:0.45); # ) (Shim (t:0.45))

17 шт370 руб.
1209181-50021-000

Регулировочная шайба (50x65x0.5) - Shim (50x65x05) (Shim (t:0.50); # ) (Shim (t:0.50))

9 шт370 руб.
1209181-50022-000

Регулировочная шайба (50x65x0.55) - Shim (50x65x055) (Shim (t:0.55); # ) (Shim (t:0.55))

21 шт370 руб.
1209181-50023-000

Регулировочная шайба (50x65x0.6) - Shim (50x65x06) (Shim (t:0.60); # ) (Shim (t:0.60))

10 шт370 руб.
1209181-50024-000

Регулировочная шайба (50x65x0.65) - Shim (50x65x065) (Shim (t:0.65) # Shim (t:0.65); # ) (Shim (t:0.70))

11 шт370 руб.
1209181-50025-000

Регулировочная шайба (50x65x0.7) - Shim (50x65x07) (Shim (t:0.70) # Shim (t:0.70); # ) (Shim (t:0.75))

20 шт370 руб.
1209181-50026-000

Регулировочная шайба (50x65x0.75) - Shim (50x65x075) (Shim (t:0.75) # Shim (t:0.75); # ) (Shim (t:0.80))

12 шт370 руб.
1209181-50027-000

Регулировочная шайба (50x65x0.8) - Shim (50x65x08) (Shim (t:0.80) # Shim (t:0.80); # ) (Shim (t:0.85))

13 шт370 руб.
1209181-50028-000

Регулировочная шайба (50x65x0.85) - Shim (50x65x085) (Shim (t:0.85) # Shim (t:0.85); # ) (Shim (t:0.90))

5 шт370 руб.
1209181-50029-000

Регулировочная шайба (50x65x0.95) - Shim (50x65x095) (Shim (t:0.90) # Shim (t:0.90); # ) (Shim (t:0.95))

13 шт480 руб.
1309181-45003-000

Регулировочная шайба (45x56x1) - Shim (45x56x1) (Shim (t:1.0) # Shim (t:1.0); # ) (Shim)

8 шт370 руб.
1309181-45004-000

Регулировочная шайба (45x56x1.1) - Shim (45x56x11) (Shim (t:1.1) # Shim (t:1.1); # ) (Shim)

8 шт350 руб.
1309181-45005-000

Регулировочная шайба (45x56x1.2) - Shim (45x56x12) (Shim (t:1.2) # Shim (t:1.2); # ) (Shim)

6 шт350 руб.
1309181-45006-000

Регулировочная шайба (45x56x1.3) - Shim (45x56x13) (Shim (t:1.3) # Shim (t:1.3); # ) (Shim)

9 шт370 руб.
1309181-45007-000

Регулировочная шайба (45x56x1.4) - Shim (45x56x14) (Shim (t:1.4) # Shim (t:1.4); # ) (Shim)

4 шт350 руб.
1309181-45008-000

Регулировочная шайба (45x56x1.5) - Shim (45x56x15) (Shim (t:1.5) # Shim (t:1.5); # ) (Shim)

19 шт370 руб.
1309181-45009-000

Регулировочная шайба (45x56x1.6) - Shim (45x56x16) (Shim (t:1.6) # Shim (t:1.6); # ) (Shim)

5 шт350 руб.
1409181-28015-000

Регулировочная шайба (28x33.5x0.9) - Shim (28x335x09) (Shim (t:1.5) # Shim (t:1.5); # ) (Шайба T:0.9)

2 шт340 руб.
1409181-28016-000

Регулировочная шайба (28x33.5x1) - Shim (28x335x1) (Shim (t:1.0); # ) (Шайба T:1.0)

7 шт340 руб.
1409181-28017-000

Регулировочная шайба (28x33.5x1.2) - Shim (28x335x12) (Shim (t:1.2); # ) (Шайба T:1.2)

11 шт340 руб.
1409181-28018-000

Регулировочная шайба (28x33.5x1.3) - Shim (28x335x13) (Shim (t:1.3); # ) (Шайба T:1.3)

5 шт340 руб.
1409181-28019-000

Регулировочная шайба (28x33.5x1.4) - Shim (28x335x14) (Shim (t:1.4); # ) (Шайба T:1.4)

11 шт340 руб.
1409181-28020-000

Регулировочная шайба (28x33.5x1.6) - Shim (28x335x16) (Shim (t:1.6); # ) (Шайба T:1.6)

4 шт340 руб.
1557610-90J00-000

Вал гребного винта - Shaft, Propeller (Shaft assy, propeller (spline 18) # ) (Гребной вал)

3 шт85920 руб.
1557610-90J10-000

Вал гребного винта - Shaft, Propeller (Df90:252072~, df115:255123~ # ) (Гребной вал)

4 шт48480 руб.
1557610-90J20-000

Вал гребного винта - Shaft, Propeller (Shaft assy, propeller (spline 19) # Df90:680686~, df115:681518~, df100 # ) (Гребной вал)

4 шт48480 руб.
1657621-90J00-000

Переключатель собачки сцепления - Shifter, Clutch Dog (Переключатель)

под заказ0 руб.
1657621-92J00-000

Переключатель собачки сцепления - Shifter, Clutch Dog (Df90:252072~, df115:255123~ # ) (Переключатель)

1 шт18000 руб.
1657621-92J10-000

Переключатель собачки сцепления - Shifter, Clutch Dog (Df90:680686~, df115:681518~, df100 # )

под заказ13590 руб.
1657621-92J20-000

   (актуальный код замены) Переключатель собачки сцепления - Shifter, Clutch Dog

1 шт16220 руб.
1709202-07002-000

Штифт (7x48) - Pin (7x48) (Pin)

9 шт480 руб.
1857631-87E00-000

Штифт коннектора - Pin, Connector (Rod, push # Rod, push; # ) (Штанга)

5 шт2600 руб.
1857631-92J00-000

Штифт коннектора - Pin, Connector (Rod, push # Rod, push; Df90:680686~, df115:681518~, df100 # ) (Штифт соединяющий)

под заказ2300 руб.
1857631-92J10-000

   (актуальный код замены) Штифт коннектора - Pin, Connector

6 шт2300 руб.
1809440-09040-000

Пружина - Spring (Spring, detent; Df90:680686~, df115:681518~, df100 # ) (Пружина)

14 шт280 руб.
1806111-07004-000

Шарик - Ball (Ball, detent no.1; Df90:680686~, df115:681518~, df100 # ) (Шарик-защёлка №1)

19 шт100 руб.
1806111-11004-000

Шарик - Ball (Ball, detent no.2; Df90:680686~, df115:681518~, df100 # ) (Шарик-защёлка №2)

29 шт150 руб.
1909440-50002-000

Пружина - Spring (Пружина)

14 шт310 руб.
1909440-49004-000

Пружина - Spring (Df90:252072~, df115:255123~, df100 # ) (Пружина)

10 шт270 руб.
2009181-25030-000

Регулировочная шайба (25x32x3) - Shim (25x32x3) (Shim (25x32x3.0); Df90:~252071, df115:~255122 # ) (Shim)

8 шт350 руб.
2057616-90J00-000

Прокладка собачки сцепления переднего хода - Spacer, Clutch Dog Forward (Df90:252072~, df115:255123~, df100 # ) (Прокладка муфты)

4 шт1680 руб.
2156120-90J02-0EP

Корпус, Вал гребного винта (чёрный) - Housing, Propeller Shaft (black) (Housing, prop sft brg (black); # ) (Обойма гребного вала (чёрный))

4 шт49440 руб.
2256123-90J00-000

Шайба, Сальник Protecter - Washer, Oil Seal Protecter (Шайба, масляная помпа, протектор)

под заказ860 руб.
2309263-28013-000

Подшипник (28x37x30) - Bearing (28x37x30) (Bearing # Df90:~252071, df115:~255122 # ) (Подшипник 28X37X20)

4 шт3820 руб.
23HMK2820NTN

   (подбор по маркировке) Подшипник NSK HMK 2820(28*37*30 мм)

под заказ0
2309263-28033-000

Подшипник (28x37x30) - Bearing (28x37x30) (Df90:252072~, df115:255123~, df100 # )

под заказ4440 руб.
2309263-28047-000

   (актуальный код замены) Подшипник (28x37x30) - Bearing (28x37x30)

10 шт4860 руб.
237EHMK2830NTN

   (подбор по маркировке) Подшипник NTN 7E-HMK 2830(28*37*30 мм)

под заказ0
2309263-28047-000

Подшипник (28x37x30) - Bearing (28x37x30) (Bearing, 28x37x30)

10 шт4860 руб.
237EHMK2830NTN

   (подбор по маркировке) Подшипник NTN 7E-HMK 2830(28*37*30 мм)

под заказ0
2409280-97001-000

Уплотнительное кольцо (d: 3.5, Id: 95) - O Ring (d:35, Id:95) (O ring (d:3.5, id:95.0) # O ring (d:3.5, id:95); # ) (O ring)

7 шт390 руб.
2509282-28002-000

Сальник (28x50x6) - Seal, Oil (28x50x6) (Сальник)

110 шт720 руб.
2609262-45013-000

Подшипник (45x85x17) - Bearing (45x85x17) (For 56120-90j00-0ep # ) (Bearing)

6 шт11600 руб.
2662092BKOYO

   (подбор по маркировке) Подшипник KOYO 6209/2B(45*85*17 мм)

под заказ0
2608113-62090-000

Подшипник - Bearing (Bearing # Df90:251118~, df115:251356~, df100 # ) (Подшипник B1 45X85X19)

35 шт5860 руб.
26HQ6209LLUC3KYK

   (подбор по маркировке) Подшипник KYK HQ6209LLUC3(45*85*19 мм)

под заказ1400 руб.
2709387-52001-000

Установочное кольцо - Set, Ring (Ring; # ) (Комплект колец)

9 шт290 руб.
2809117-08047-000

Болт (8x30) - Bolt (8x30) (Bolt (8x30); # ) (Болт 8X30)

10 шт520 руб.
2956130-90J00-000

Корпус вала передачи Сальник - Housing, Drive Shaft Oil Seal (Корпус торсионного вала)

2 шт8390 руб.
3009280-46004-000

Уплотнительное кольцо (d: 3.5, Id: 45.7) - O Ring (d:35, Id:457) (O ring (d:3.5, id:45.7); # ) (Кольцо D:3.5 ID)

4 шт300 руб.
30SK09280-46004

   (не оригинальный аналог) Кольцо уплотнительное ведущего вала Skipper для Suzuki Модель техники: DF60-70, DF90-140, DF40A-DF140A

0 шт64 руб.
3109282-24004-000

Сальник (24x40x7) - Seal, Oil (24x40x7) (Oil seal # ) (Сальник)

76 шт870 руб.
3109282-24008-000

   (актуальный код замены) Сальник (24x40x7) - Seal, Oil (24x40x7)

76 шт700 руб.
31SK09282-24004

   (не оригинальный аналог) Сальник ведущего вала Skipper для Suzuki Модели техники: DF90-350HP

0 шт176 руб.
3209117-08057-000

Болт (8x25) - Bolt (8x25) (Bolt (8x25); # )

под заказ400 руб.
3209117-08110-000

   (актуальный код замены) Болт (8x25) - Bolt (8x25)

под заказ400 руб.
3209117-08110-000

Болт (8x25) - Bolt (8x25) (Bolt (8x25))

под заказ400 руб.


Время выполнения запроса 3.2957620620728 сек.

 
 

данный сайт носит информационный характер и не является публичной офертой

склад запчастей для водомоторной техники