Купить запчасти на лодочный подвесной мотор Suzuki DF90TL/X модель 2006 года - Opt:harness
вконтакте

Контактный телефон: +7 (981) 121-46-93, +7 (800) 200-90-76 , Email: parts-katalog@yandex.ru, где купить

 
 

  Логин:

Пароль:

Регистрация

www.partskatalog.ru Все каталоги Запчасти Mercury Запчасти Suzuki Запчасти Tohatsu Запчасти Honda Контакты



УВАЖАЕМЫЕ КЛИЕНТЫ!
C 19 ДЕКАБРЯ 2025 ПО 02 МАРТА 2026 ГОДА ОТДЕЛ ЗАПЧАСТЕЙ И СЕРВИС РАБОТАТЬ НЕ БУДУТ
ПРОДАЖА ЛОДОЧНЫХ МОТОРОВ В ШТАТНОМ РЕЖИМЕ
ОБ ИЗМЕНЕНИЯХ В ГРАФИКЕ РАБОТЫ ЧИТАЙТЕ НА САЙТА



назад Раздел:   вперёд

Вернуться к выбору узлов мотора


ДЕТАЛИРОВКА ДЛЯ МОДЕЛИ: SUZUKI DF90TL K6

Опции: жгут проводов


Код модели двигателя: DF90TL/X

Год выпуска двигателя: 2006

Цвет: Shadow Black Metallic

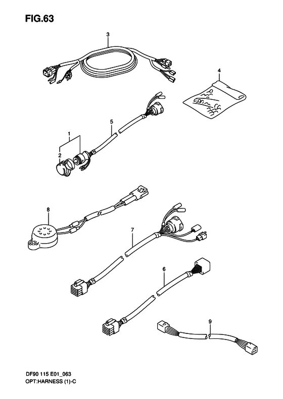
Номер на
рисунке
АртикулНаименованиеQTYКол-во
на складе
Цена
136620-87D20-000

Удлинитель кабеля дистанционного управления (l: 5000) - Wire, Remocon Extension (l:5000) (Wiring harness, extension # L:5000 MODEL:01~04 # ) (Проводка)

под заказ17480 руб.
136620-95302-000

Удлинитель кабеля дистанционного управления (l: 2000) - Wire, Remocon Extension (l:2000) (Wiring harness, extension # L:2000 MODEL:01~04 # ) (Проводка удляняющая)

под заказ12630 руб.
236631-94300-000

Колпачок на дистанционное управление Жгут проводов - Cap, Remote Control Harness (Крышка)

под заказ390 руб.
336660-94400-000

Удлинитель провода датчиков (l: 6500) - Wire, Sender Ext (l:6500) (Wire, sender ext l # L:6500 MODEL:01~04 # ) (Проводка индикатора)

под заказ0 руб.
336660-94480-000

Удлинитель провода датчиков (l: 2000) - Wire, Sender Ext (l:2000) (Wire, sender ext s # L:2000 MODEL:05~07 # ) (Проводка)

под заказ7490 руб.
436990-87D00-000

Клемма / Гильза Set - Terminal / Sleeve Set (Terminal & sleeve set # ) (Стержень и гильза)

1 шт1720 руб.
536620-92E00-000

Удлинитель провода дистанционного управления (l: 6360) - Wire Assy, Remocon Ext (l:6360) (Wiring harness 9 wires # MODEL:01~04 # ) (Проводка дистанционного упраления)

под заказ28560 руб.
636620-93J10-000

Удлинитель провода дистанционного управления (l: 2000) - Wire Assy, Remocon Ext (l:2000) (L:2000 MODEL:05~ # ) (Проводка дистанционного упраления)

под заказ12390 руб.
636620-93J12-000

   (актуальный код замены) Удлинитель провода дистанционного управления (l: 2000) - Wire Assy, Remocon Ext (l:2000)

под заказ13480 руб.
636620-93J40-000

Удлинитель провода дистанционного управления (l: 3000) - Wire Assy, Remocon Ext (l:3000) (L:3000 MODEL:05~ # ) (Проводка дистанционного упраления)

под заказ15030 руб.
636620-93J42-000

   (актуальный код замены) Удлинитель провода дистанционного управления - Wire Assy, Remote Control Ext

под заказ15030 руб.
736620-93J20-000

Провод дистанционного управления с адаптером №1 - Wire Assy, R/con Adapter No1 (L:2000 MODEL:04 # ) (Проводка дистанционного упраления)

под заказ19160 руб.
736620-93J22-000

   (актуальный код замены) Провод дистанционного управления с адаптером №1 - Wire Assy, R/con Adapter No.1

под заказ19160 руб.
736620-93J30-000

Кабель дистанционного управления (l: 2000) - Wire Assy, Remocon (l:2000) (L:2000 MODEL:05~ # ) (Проводка дистанционного упраления)

под заказ13010 руб.
736620-93J32-000

   (актуальный код замены) Кабель дистанционного управления (l: 2000) - Wire Assy, Remocon (l:2000)

под заказ13010 руб.
838500-93J00-000

Предупреждающий зуммер, в сборе - Buzzer Assy, Warning (Buzzer assy, warning # MODEL:05~ # ) (Звуковой бузер)

под заказ3890 руб.
838500-93J90-000

   (актуальный код замены) Предупреждающий зуммер - Buzzer, Warning

под заказ3890 руб.
936682-92E00-000

Провод указателя трима (l: 6500) - Wire, Trim Meter Ext (l:6500) (Wire, trim gauge ext # L:6400 MODEL:05~07 # ) (Проводка)

2 шт10800 руб.


Время выполнения запроса 0.63710117340088 сек.

 
 

данный сайт носит информационный характер и не является публичной офертой

склад запчастей для водомоторной техники