Найти запчасти на лодочный мотор SUZUKI DF90AT(H)L/X модель 2009 года - Топливный инжектор / Fuel injector
вконтакте

Контактный телефон: +7 (981) 121-46-93, +7 (800) 200-90-76 , Email: parts-katalog@yandex.ru, где купить

 
 

  Логин:

Пароль:

Регистрация

www.partskatalog.ru Все каталоги Запчасти Mercury Запчасти Suzuki Запчасти Tohatsu Запчасти Honda Контакты



УВАЖАЕМЫЕ КЛИЕНТЫ!
C 19 ДЕКАБРЯ 2025 ПО 02 МАРТА 2026 ГОДА ОТДЕЛ ЗАПЧАСТЕЙ И СЕРВИС РАБОТАТЬ НЕ БУДУТ
ПРОДАЖА ЛОДОЧНЫХ МОТОРОВ В ШТАТНОМ РЕЖИМЕ
ОБ ИЗМЕНЕНИЯХ В ГРАФИКЕ РАБОТЫ ЧИТАЙТЕ НА САЙТА



назад Раздел:   вперёд

Вернуться к выбору узлов мотора


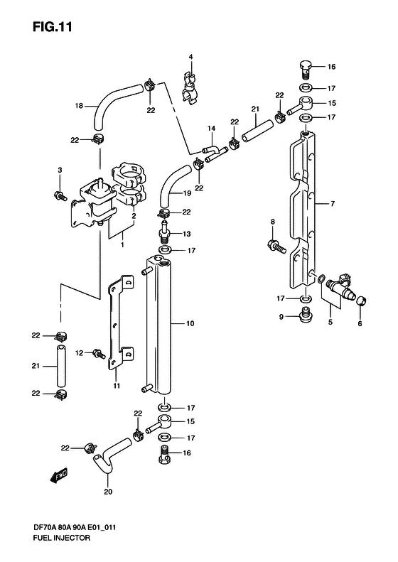
ДЕТАЛИРОВКА ДЛЯ МОДЕЛИ: SUZUKI DF90A K9

Топливный инжектор


Код модели двигателя: DF90AT(H)L/X

Год выпуска двигателя: 2009

Цвет: Shadow Black Metallic

Номер на
рисунке
АртикулНаименованиеQTYКол-во
на складе
Цена
115440-87L10-000

Топливный фильтр в сборе (hp) - Filter Assy, Fuel (hp) (Filter assy, fuel (hp))

под заказ6820 руб.
115440-87L11-000

   (актуальный код замены) Топливный фильтр в сборе (hp) - Filter Assy, Fuel (hp)

5 шт6820 руб.
115440-87L20-000

Топливный фильтр в сборе (hp) - Filter Assy, Fuel (hp) (E40 # ) (Filter assy, fuel (hp))

под заказ7540 руб.
115440-87L21-000

   (актуальный код замены) Топливный фильтр в сборе (hp) - Filter Assy, Fuel (hp)

под заказ7540 руб.
215422-96J00-000

Струбцина топливного фильтра - Clamp, Fuel Filter (Clamp, filter # ) (Струбцина фильтра)

под заказ730 руб.
215422-96J01-000

   (актуальный код замены) Струбцина топливного фильтра - Clamp, Fuel Filter

под заказ730 руб.
301550-06167-000

Болт - Bolt (Bolt)

9 шт210 руб.
409408-00233-000

Струбцина - Clamp (Clamp)

под заказ250 руб.
515710-87L00-000

Топливный инжектор, в сборе - Injector Assy, Fuel (Injector assy, fuel)

4 шт26160 руб.
609320-08062-000

Подушка - Cushion (Cushion)

34 шт1010 руб.
715751-87L00-000

Трубка подачи - Pipe, Delivery (Трубка впускная)

под заказ16710 руб.
801550-08257-000

Болт - Bolt (Bolt)

под заказ300 руб.
901550-12167-000

Болт - Bolt (Bolt, delivery pipe # ) (Bolt)

под заказ290 руб.
909247-12013-000

Заглушка (12x16) - Plug (12x16) (Plug, delivery pipe # E40 # ) (Bolt)

под заказ470 руб.
1015770-87L00-000

Охладитель топлива - Cooler, Fuel (Cooler, fuel)

под заказ12200 руб.
1115775-87L00-000

Кронштейн охладителя - Bracket, Fuel Cooler (Bracket, fuel cooler)

под заказ0 руб.
1201550-06167-000

Болт - Bolt (Bolt)

9 шт210 руб.
1315773-90J00-000

Соединенине топливного шланга - Union, Fuel Hose (Соединение топливного шланга (H))

под заказ1420 руб.
1415830-93J00-000

Трехходовой соединитель топливного шланга - Union, Three Way Fuel Hose (Соединение 3-х стороннее)

под заказ1680 руб.
1509363-08004-000

Соединение - Union (Соединение топливного фильтра)

под заказ1650 руб.
1515830-90J00-000

Основной топливный соединитель - Joint, Fuel Main (Joint, fuel main # E40 # ) (Болт соединяющий)

под заказ1860 руб.
1609360-12008-000

Соединение - Union (Болт соединяющий)

под заказ730 руб.
1609360-12013-000

Соединение - Union (E40 # ) (Болт соединяющий)

под заказ790 руб.
1709168-12013-000

Прокладка (11.8x22x1.2) - Gasket (118x22x12) (Gasket, union # ) (Прокладка)

10 шт260 руб.
1715762-90J00-000

Прокладка, Соединение - Gasket, Union (Gasket, union # E40 # ) (Gasket (11.8x22x1.2))

под заказ610 руб.
1815681-87L11-000

Топливный шланг (Фильтр To 3way) - Hose, Fuel (filter To 3way) (Hose, fuel (filter to 3way))

под заказ2480 руб.
1915681-87L00-000

Топливный шланг (cooler To Тройник) - Hose, Fuel (cooler To 3 Way) (DF70A:110001~ DF80A:110001~ DF90A:110001~ # ) (Hose, fuel (cooler to 3way))

под заказ2930 руб.
1915681-96J20-000

Топливный шланг (cooler To Тройник) - Hose, Fuel (cooler To 3 Way)

под заказ2930 руб.
1915681-87L00-000

   (актуальный код замены) Топливный шланг (cooler To Тройник) - Hose, Fuel (cooler To 3 Way)

под заказ2930 руб.
1915681-87L00-000

Топливный шланг (cooler To Тройник) - Hose, Fuel (cooler To 3 Way) (Hose, fuel (cooler to 3way))

под заказ2930 руб.
2015682-87L01-000

Топливный шланг (cooler To Separator) - Hose, Fuel (cooler To Separator) (Hose, fuel (cooler to separator))

под заказ0 руб.
2015682-87L10-000

Топливный шланг (cooler To Separator) - Hose, Fuel (cooler To Separator) (DF70A:110001~ DF80A:110001~ DF90A:110001~ # ) (Hose, fuel (cooler to separator))

под заказ2200 руб.
2109343-75001-600

Шланг (7.5x13.5x600) - Hose (75x135x600) (DF70A:110001~ DF80A:110001~ DF90A:110001~ # ) (Hose, 7.5x13.5x600)

под заказ3870 руб.
2109343-75002-600

   (актуальный код замены) Шланг (7.5x13.5x600) - Hose (7.5x13.5x600)

под заказ3870 руб.
2109356-75137-600

Шланг (7.5x13.5x600) - Hose (75x135x600) (Hose (separator to filter) # L:600->60 # ) (Шланг топливный)

6 шт12580 руб.
2209401-11425-000

Зажим - Clip (Clip)

4 шт370 руб.


Время выполнения запроса 1.2472131252289 сек.

 
 

данный сайт носит информационный характер и не является публичной офертой

склад запчастей для водомоторной техники