Купить запчасти на лодочный подвесной мотор Suzuki - Transmission
вконтакте

Контактный телефон: +7 (981) 121-46-93, +7 (800) 200-90-76 , Email: parts-katalog@yandex.ru, где купить

 
 

  Логин:

Пароль:

Регистрация

www.partskatalog.ru Все каталоги Запчасти Mercury Запчасти Suzuki Запчасти Tohatsu Запчасти Honda Контакты



УВАЖАЕМЫЕ КЛИЕНТЫ!
C 19 ДЕКАБРЯ 2025 ПО 02 МАРТА 2026 ГОДА ОТДЕЛ ЗАПЧАСТЕЙ И СЕРВИС РАБОТАТЬ НЕ БУДУТ
ПРОДАЖА ЛОДОЧНЫХ МОТОРОВ В ШТАТНОМ РЕЖИМЕ
ОБ ИЗМЕНЕНИЯХ В ГРАФИКЕ РАБОТЫ ЧИТАЙТЕ НА САЙТА



назад Раздел:   вперёд

Вернуться к выбору узлов мотора


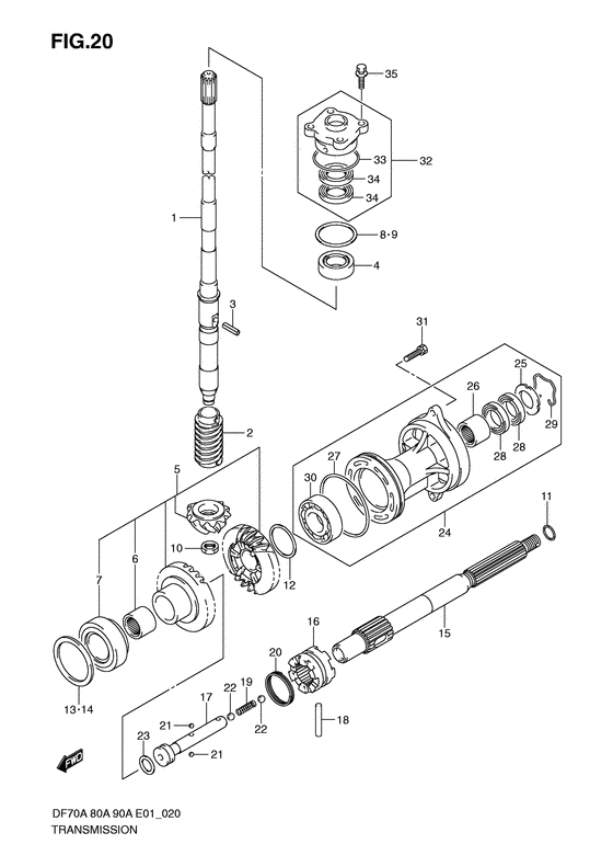
ДЕТАЛИРОВКА ДЛЯ МОДЕЛИ: SUZUKI DF90ATL(E1) PRD

Трансмиссия


Год выпуска двигателя: 2010

Номер на
рисунке
АртикулНаименованиеQTYКол-во
на складе
Цена
157110-87L00-000

Вал привода (l) - Shaft, Drive (l) (Shaft assy, drive (l); # )

под заказ72960 руб.
157110-87L02-000

   (актуальный код замены) Вал привода (l) - Shaft, Drive (l)

2 шт72960 руб.
157110-87L02-000

Вал привода (l) - Shaft, Drive (l) (Shaft, drive (l))

2 шт72960 руб.
157110-87L10-000

Вал привода (x) - Shaft, Drive (x) (Shaft assy, drive (x); # )

под заказ90240 руб.
157110-87L12-000

   (актуальный код замены) Вал привода (x) - Shaft, Drive (x)

под заказ90240 руб.
157110-87L12-000

Вал привода (x) - Shaft, Drive (x) (Shaft, drive (x))

под заказ90240 руб.
257133-87L00-000

Воротник приводного вала - Collar, Drive Shaft

под заказ1420 руб.
257133-87L01-000

   (актуальный код замены) Воротник приводного вала - Collar, Drive Shaft

9 шт1530 руб.
257133-87L01-000

Воротник приводного вала - Collar, Drive Shaft (Collar, drive shaft)

9 шт1530 руб.
309205-05011-000

Стопор пружины (5x14) - Pin, Spring (5x14) (Pin (l:14) # ) (Pin)

4 шт140 руб.
409265-25040-000

Подшипник (25x52x19.25) - Bearing (25x52x1925)

под заказ7200 руб.
409265-25046-000

   (актуальный код замены) Подшипник (25x52x19.25) - Bearing (25x52x19.25)

10 шт7810 руб.
432205XRKOYO

   (подбор по маркировке) Подшипник KOYO 32205XR(25*52*18 мм)

под заказ725 руб.
409265-25046-000

Подшипник (25x52x19.25) - Bearing (25x52x1925) (Bearing (25x52x19.25))

10 шт7810 руб.
432205XRKOYO

   (подбор по маркировке) Подшипник KOYO 32205XR(25*52*18 мм)

под заказ725 руб.
557300-87860-000

Комплект шестерёнок - Pinion & Gear Set (Pinion / gear set)

4 шт102000 руб.
609263-25067-000

Подшипник (25x32x26) - Bearing (25x32x26) (Bearing, prop shaft forward (25x32x26) # Bearing, prop shaft fwd (25x32x26); # ) (Bearing, prop shaft forward (2)

12 шт2640 руб.
6BM2526KOYO

   (подбор по маркировке) Подшипник KOYO BM2526(25*32*26 мм)

под заказ0
709265-40003-000

Подшипник (40x75x26) - Bearing (40x75x26) (Bearing # Bearing, fwd gear (40x75x26); # ) (Подшипник 40X75X26)

4 шт13000 руб.
733108JE1KOYO

   (подбор по маркировке) Подшипник KOYO 33108JE-1(40*75*26 мм)

под заказ2052 руб.
857500-87873-000

Комплект регулировочных шайб приводного вала - Shim Set, Drive Shaft (Набор шайб)

8 шт6280 руб.
909181-40186-000

Регулировочная шайба (41x52x0.5) - Shim (41x52x05) (Shim (t:0.50) # Shim (40x52x0.50); # ) (Shim)

7 шт280 руб.
909181-41002-000

Регулировочная шайба (41x52x0.55) - Shim (41x52x055) (Shim (41x52x0.55); # ) (Shim (t:0.55))

под заказ470 руб.
909181-41003-000

Регулировочная шайба (41x52x0.6) - Shim (41x52x06) (Shim (t:0.60) # Shim (41x52x0.60); # ) (Шайба 41X52X0.6)

2 шт470 руб.
909181-41004-000

Регулировочная шайба (41x52x0.65) - Shim (41x52x065) (Shim (t:0.65) # Shim (41x52x0.65); # ) (Шайба 41X52X0.65)

17 шт470 руб.
909181-41005-000

Регулировочная шайба (41x52x0.7) - Shim (41x52x07) (Shim (t:0.70) # Shim (41x52x0.70); # ) (Шайба 41X52X0.7)

7 шт470 руб.
909181-41006-000

Регулировочная шайба (41x52x0.75) - Shim (41x52x075) (Shim (t:0.75) # Shim (41x52x0.75); # ) (Шайба 41X52X0.75)

9 шт470 руб.
909181-40190-000

Регулировочная шайба (40x52x0.8) - Shim (40x52x08) (Shim (t:0.80) # Shim (40x52x0.80); # ) (Шайба T:0.8)

4 шт280 руб.
909181-41008-000

Регулировочная шайба (41x52x0.85) - Shim (41x52x085) (Shim (t:0.85) # Shim (41x52x0.85); # ) (Шайба 41X52X0.85)

под заказ470 руб.
909181-41009-000

Регулировочная шайба (41x52x0.9) - Shim (41x52x09) (Shim (t:0.90) # Shim (41x52x0.90); # ) (Шайба 41X52X0.9)

под заказ470 руб.
909181-41010-000

Регулировочная шайба (41x52x0.95) - Shim (41x52x095) (Shim (t:0.95) # Shim (41x52x0.95); # ) (Шайба 41X52X0.95)

под заказ470 руб.
909181-40195-000

Регулировочная шайба (40x52x1) - Shim (40x52x1) (Shim (t:1.00) # Shim (40x52x1.00); # ) (Шайба T:1.0)

11 шт420 руб.
909181-41012-000

Регулировочная шайба (41x52x1.05) - Shim (41x52x105) (Shim (t:1.05) # Shim (41x52x1.05); # ) (Шайба 41X52X1.05)

под заказ470 руб.
909181-41013-000

Регулировочная шайба (41x52x1.1) - Shim (41x52x11) (Shim (t:1.10) # Shim (41x52x1.10); # ) (Шайба 41X52X1.1)

под заказ470 руб.
909181-41014-000

Регулировочная шайба (41x52x1.15) - Shim (41x52x115) (Shim (t:1.15) # Shim (41x52x1.15); # ) (Шайба 41X52X1.15)

под заказ470 руб.
1009140-14024-000

Гайка - Nut (Гайка)

18 шт270 руб.
1109181-25130-000

Регулировочная шайба (25x32x0.5) - Shim (25x32x05) (Washer (25x32x0.5); Prop shaft rev thrust # ) (Shim, 25x32x0.5)

3 шт250 руб.
1109181-25139-000

Регулировочная шайба (25x32x1) - Shim (25x32x1) (Washer, shift cam spring # Washer (25x32x1.0); # ) (Washer, 2nd driven gear, r)

16 шт250 руб.
1109181-25143-000

Регулировочная шайба (25x32x1.09) - Shim (25x32x109) (Washer (25x32x1.09); # ) (Shim (t:1.09))

5 шт350 руб.
1109181-25149-000

Регулировочная шайба (25x32x1.21) - Shim (25x32x121) (Washer (25x32x1.21); # ) (Shim (t:1.21))

14 шт250 руб.
1109181-25153-000

Регулировочная шайба (25x32x1.3) - Shim (25x32x13) (Washer (25x32x1.3); # ) (Shim (t:1.30))

2 шт250 руб.
1109181-25072-000

Регулировочная шайба (25x32x1.4) - Shim (25x32x14) (Washer (25x32x1.4); # ) (Washer, 25x32x1.4)

1 шт430 руб.
1109181-25073-000

Регулировочная шайба (25x32x1.5) - Shim (25x32x15) (Washer (25x32x1.5); # ) (Washer, 25x32x1.5)

3 шт350 руб.
1109181-25074-000

Регулировочная шайба (25x32x1.6) - Shim (25x32x16) (Washer (25x32x1.6); # ) (Washer, 25x32x1.6)

13 шт350 руб.
1109181-25075-000

Регулировочная шайба (25x32x1.7) - Shim (25x32x17) (Washer (25x32x1.7); # ) (Washer, 25x32x1.7)

22 шт350 руб.
1209181-40018-000

Регулировочная шайба (40x46.8x0.55) - Shim (40x468x055) (Shim (40x46.8x0.55); Rev gear # ) (Shim, 40x46.8x0.55)

11 шт240 руб.
1209181-40004-000

Регулировочная шайба (40x46.8x0.6) - Shim (40x468x06) (Shim (40x46.8x0.60); # ) (Shim (t:0.60))

4 шт250 руб.
1209181-40005-000

Регулировочная шайба (40x46.8x0.65) - Shim (40x468x065) (Shim (40x46.8x0.65); # ) (Shim (t:0.65))

3 шт250 руб.
1209181-40006-000

Регулировочная шайба (40x46.8x0.7) - Shim (40x468x07) (Shim (40x46.8x0.70); # ) (Shim (t:0.70))

5 шт250 руб.
1209181-40007-000

Регулировочная шайба (40x46.8x0.75) - Shim (40x468x075) (Shim (40x46.8x0.75); # ) (Shim (t:0.75))

14 шт250 руб.
1209181-40008-000

Регулировочная шайба (40x46.8x0.8) - Shim (40x468x08) (Shim (40x46.8x0.80); # ) (Shim (t:0.80))

13 шт250 руб.
1209181-40009-000

Регулировочная шайба (40x46.8x085) - Shim (40x468x085) (Shim (40x46.8x0.85); # ) (Shim (t:0.85))

5 шт250 руб.
1209181-40010-000

Регулировочная шайба (40x46.8x0.9) - Shim (40x468x09) (Shim (40x46.8x0.90); # ) (Shim (t:0.90))

4 шт250 руб.
1209181-40011-000

Регулировочная шайба (40x46.8x0.95) - Shim (40x468x095) (Shim (40x46.8x0.95); # ) (Shim (t:0.95))

5 шт250 руб.
1209181-40012-000

Регулировочная шайба (40x46.8x1) - Shim (40x468x1) (Shim (40x46.8x1.00); # ) (Shim (t:1.00))

2 шт320 руб.
1209181-40013-000

Регулировочная шайба (40x46.8x1.05) - Shim (40x468x105) (Shim (40x46.8x1.05); # ) (Shim (t:1.05))

4 шт320 руб.
1357500-87882-000

Комплект регулировочных шайб шестерни переднего хода - Shim Set, Forward Gear (Shim set, forward gear # ) (Набор шайб)

2 шт7560 руб.
1409181-64002-000

Регулировочная шайба (64x75x0.55) - Shim (64x75x055) (Shim (t:0.55) # Shim (64x75x0.55); Fwd gear # ) (Шайба 64X75X0.55)

9 шт660 руб.
1409181-64003-000

Регулировочная шайба (64x75x0.6) - Shim (64x75x06) (Shim (t:0.60) # Shim (64x75x0.60); # ) (Шайба 64X75X0.6)

9 шт660 руб.
1409181-64004-000

Регулировочная шайба (64x75x0.65) - Shim (64x75x065) (Shim (t:0.65) # Shim (64x75x0.65); # ) (Шайба 64X75X0.65)

10 шт660 руб.
1409181-64005-000

Регулировочная шайба (64x75x0.7) - Shim (64x75x07) (Shim (t:0.70) # Shim (64x75x0.70); # ) (Шайба 64X75X0.7)

10 шт660 руб.
1409181-64006-000

Регулировочная шайба (64x75x0.75) - Shim (64x75x075) (Shim (t:0.75) # Shim (64x75x0.75); # ) (Шайба 64X75X0.75)

10 шт660 руб.
1409181-64007-000

Регулировочная шайба (64x75x0.8) - Shim (64x75x08) (Shim (t:0.80) # Shim (64x75x0.80); # ) (Шайба 64X75X0.8)

10 шт660 руб.
1409181-64008-000

Регулировочная шайба (64x75x0.85) - Shim (64x75x085) (Shim (t:0.85) # Shim (64x75x0.85); # ) (Шайба 64X75X0.85)

под заказ660 руб.
1409181-64009-000

Регулировочная шайба (64x75x0.9) - Shim (64x75x09) (Shim (t:0.90) # Shim (64x75x0.90); # ) (Шайба 64X75X0.9)

9 шт660 руб.
1409181-64010-000

Регулировочная шайба (64x75x0.95) - Shim (64x75x095) (Shim (t:0.95) # Shim (64x75x0.95); # ) (Шайба 64X75X0.9)

под заказ660 руб.
1409181-64011-000

Регулировочная шайба (64x75x1) - Shim (64x75x1) (Shim (t:1.00) # Shim (64x75x1.00); # ) (Шайба 64X75X1.0)

9 шт790 руб.
1557610-87L00-000

Вал гребного винта - Shaft, Propeller (Гребной вал)

4 шт36600 руб.
1657621-87L00-000

Переключатель собачки сцепления - Shifter, Clutch Dog

4 шт15120 руб.
1657621-87L10-000

   (актуальный код замены) Переключатель собачки сцепления - Shifter, Clutch Dog

под заказ15120 руб.
1757631-87L00-000

Штифт коннектора - Pin, Connector (Штифт соединяющий)

4 шт4300 руб.
1809202-07003-000

Штифт - Pin (Pin, clutch dog shifter; # ) (Pin)

22 шт480 руб.
1909440-09043-000

Пружина - Spring (Spring, detent; # ) (Пружина)

9 шт260 руб.
2009440-42002-000

Пружина - Spring (Spring, clutch dog shifter; # ) (Пружина)

под заказ270 руб.
2106111-07004-000

Шарик - Ball (Ball, detent no.1; # ) (Шарик-защёлка №1)

19 шт100 руб.
2206111-11004-000

Шарик - Ball (Ball, detent no.2; # ) (Шарик-защёлка №2)

29 шт150 руб.
2309181-25030-000

Регулировочная шайба (25x32x3) - Shim (25x32x3) (Washer, fwd thrust (25x32x3); # ) (Shim)

8 шт350 руб.
2456120-87L00-0EP

Корпус подшипника вала гребного винта - Housing, Propeller Sft Brg

под заказ32640 руб.
2456120-87L30-0EP

   (актуальный код замены) Корпус подшипника вала гребного винта - Housing, Propeller Sft Brg

под заказ32640 руб.
2456120-87L30-0EP

Корпус подшипника вала гребного винта - Housing, Propeller Sft Brg (Housing, prop shaft brg (black))

под заказ32640 руб.
2456120-87L10-0EP

Корпус подшипника вала гребного винта - Housing, Propeller Sft Brg (Df70a:110001~, df80a:110001~, df90a:110001~ # )

под заказ32640 руб.
2456120-87L30-0EP

   (актуальный код замены) Корпус подшипника вала гребного винта - Housing, Propeller Sft Brg

под заказ32640 руб.
2456120-87L30-0EP

Корпус подшипника вала гребного винта - Housing, Propeller Sft Brg (Housing, prop shaft brg (black))

под заказ32640 руб.
2556123-87L00-000

Шайба защитного сальника - Washer, Oil Seal Protector (Washer, oil seal protector)

8 шт400 руб.
2609263-25067-000

Подшипник (25x32x26) - Bearing (25x32x26) (Bearing, prop shaft forward (25x32x26) # Bearing (25x32x26); # ) (Bearing, prop shaft forward (2)

12 шт2640 руб.
26BM2526KOYO

   (подбор по маркировке) Подшипник KOYO BM2526(25*32*26 мм)

под заказ0
2709280-92004-000

Уплотнительное кольцо (d: 3.1 Id: 89.4) - O Ring (d:31 Id:894) (O ring (d:3.1, id:89.4); # ) (O ring, d:3.1 id:89.4)

24 шт820 руб.
2809282-25001-000

Сальник (25x38x8) - Seal, Oil (25x38x8) (Oil seal (d:5.0) # ) (Сальник)

93 шт660 руб.
28SK09282-25001

   (не оригинальный аналог) Сальник гребного вала Skipper для Suzuki Модели техники: DF70-90

0 шт157 руб.
2909387-38002-000

Кольцо - Ring (Ring, drive shaft bush snap # ~model:10 # ) (Кольцо торсионного вала)

12 шт770 руб.
3008113-60087-000

Подшипник - Bearing (Bearing, reverse gear # ) (Подшипник B1 40X80X18)

8 шт3620 руб.
30SK08113-60087

   (не оригинальный аналог) Подшипник шестерни заднего хода Skipper для Suzuki DT50/90/100, DF60-70, DF70A-90A

0 шт1091 руб.
3109117-08047-000

Болт (8x30) - Bolt (8x30) (Bolt (8x30); # ) (Болт 8X30)

10 шт520 руб.
3256130-87L00-000

Корпус приводного вала Сальник - Housing, Drive Sft Oil Seal

под заказ9030 руб.
3256130-87L01-000

   (актуальный код замены) Корпус приводного вала Сальник - Housing, Drive Sft Oil Seal

2 шт9030 руб.
3256130-87L01-000

Корпус приводного вала Сальник - Housing, Drive Sft Oil Seal (Housing, drive sft oil seal)

2 шт9030 руб.
3309280-46004-000

Уплотнительное кольцо (d: 3.5, Id: 45.7) - O Ring (d:35, Id:457) (O ring (d:3.5, id:45.7); # ) (Кольцо D:3.5 ID)

4 шт300 руб.
33SK09280-46004

   (не оригинальный аналог) Кольцо уплотнительное ведущего вала Skipper для Suzuki Модель техники: DF60-70, DF90-140, DF40A-DF140A

0 шт64 руб.
3409282-22007-000

Сальник (22x36x6) - Seal, Oil (22x36x6) (Seal, oil # ) (Сальник)

76 шт1180 руб.
3509117-08057-000

Болт (8x25) - Bolt (8x25) (Bolt (8x25); # )

под заказ400 руб.
3509117-08110-000

   (актуальный код замены) Болт (8x25) - Bolt (8x25)

под заказ400 руб.
3509117-08110-000

Болт (8x25) - Bolt (8x25) (Bolt (8x25))

под заказ400 руб.


Время выполнения запроса 3.1802139282227 сек.

 
 

данный сайт носит информационный характер и не является публичной офертой

склад запчастей для водомоторной техники