| |
 |
|
 |
Вернуться к выбору узлов мотора
ДЕТАЛИРОВКА ДЛЯ МОДЕЛИ: SUZUKI DF90AT(80A) PRD
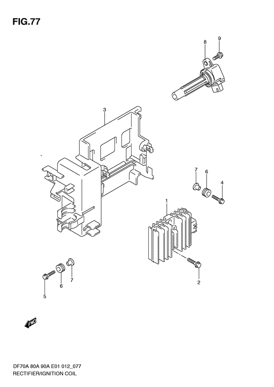
Выпрямитель / Катушка зажигания
Год выпуска двигателя: 2011
Номер на рисунке | Артикул | Наименование | QTY | Кол-во на складе | Цена |
| 1 | 32800-87L00-000 | Выпрямитель & Регулятор в сборе - Rectifier & Regulator Assy (Выпрямитель и регулятор) | | 2 шт | 23000 руб. |
| 2 | 01550-06257-000 | Болт - Bolt (Bolt) | | под заказ | 180 руб. |
| 3 | 32890-87L00-000 | | | под заказ | нет сведений |
| 3 | 32890-87L01-000 | Держатель электрических частей - Holder, Electric Parts (Holder, electric parts) | | под заказ | 3290 руб. |
| 3 | 33925-92J00-000 | Подушка модуля управления двигателем - Cushion, Engine Control Unit (Cushion, engine control unit) | | под заказ | 820 руб. |
| 4 | 09116-06202-000 | Болт (6x25) - Bolt (6x25) (Bolt (w/washer) # Bolt (6x25); # ) (Болт (шайба)) | | под заказ | 250 руб. |
| 5 | 01550-06257-000 | Болт - Bolt (Bolt) | | под заказ | 180 руб. |
| 6 | 09169-06062-000 | Шайба - Washer (Washer # Washer; # ) (Кольцо/шайба) | | под заказ | 190 руб. |
| 7 | 09320-09016-000 | Подушка - Cushion (Cushion, holder # Cushion; # ) (Cushion) | | 10 шт | 190 руб. |
| 8 | 33410-87L00-000 | Катушка зажигания в сборе - Coil Assy, Ignition (Coil assy, ignition) | | 5 шт | 13610 руб. |
| 9 | 01547-06207-000 | Болт - Bolt (Bolt, lower # ) (Bolt (chrome)) | | 2 шт | 160 руб. |
Время выполнения запроса 0.93594884872437 сек. |
|