| |
 |
|
 |
Вернуться к выбору узлов мотора
ДЕТАЛИРОВКА ДЛЯ МОДЕЛИ: SUZUKI DF100AT FROM 10003F-310001~ (E01,E40)
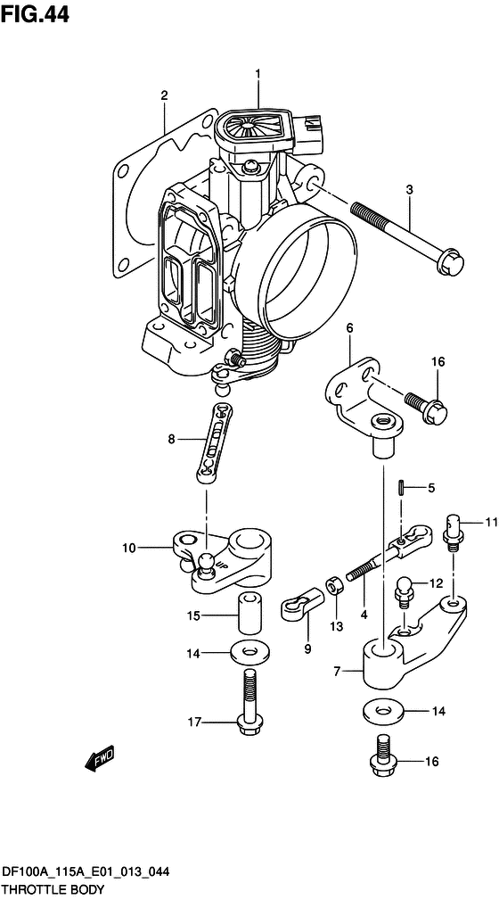
Дроссель газа
Код модели двигателя: DF100ATL/X
Год выпуска двигателя: 2013
Регион: General Export No.1/Costa Rica ,Код региона: P01/P40
Цвет: Shadow Black Metallic
Номер на рисунке | Артикул | Наименование | QTY | Кол-во на складе | Цена |
| 1 | 13300-92J00-000 | Корпус дросселя - Body Assy, Throttle (Body assy, throttle) | | под заказ | 103680 руб. |
| 2 | 13421-90J01-000 | Прокладка корпуса дросселя - Gasket, Throttle Body (Gasket, throttle body) | | под заказ | 370 руб. |
| 2 | 13421-90J02-000 | (актуальный код замены) Прокладка корпуса дросселя - Gasket, Throttle Body | | под заказ | 370 руб. |
| 3 | 01550-08557-000 | Болт - Bolt (Bolt) | | под заказ | 260 руб. |
| 4 | 13510-90J00-000 | Тяга дросселя - Rod, Throttle (Штанга дросселя) | | под заказ | 1500 руб. |
| 5 | 09205-02006-000 | Стопор пружины (2x12) - Pin, Spring (2x12) (Pin, spring # ) (Pin) | | 10 шт | 140 руб. |
| 6 | 19115-90J00-000 | Держатель рычага дросселя - Holder, Throttle Lever (Держатель дросселя) | | под заказ | 1920 руб. |
| 7 | 19121-90J00-000 | Рычаг дросселя №1 - Lever, Throttle No1 (Ручка дросселя NO.1) | | под заказ | 1280 руб. |
| 8 | 19130-92J00-000 | Тяга дросселя №2 - Rod, Throttle No2 (Rod, throttle no.2) | | под заказ | 590 руб. |
| 9 | 19131-95502-000 | Коннектор - Connector (Connector, oil pump no.2 # ) (Коннектор) | | 21 шт | 530 руб. |
| 10 | 19140-92J00-000 | Рычаг дросселя №2 - Lever, Throttle No2 (Lever, throttle no.2) | | под заказ | 1740 руб. |
| 11 | 67473-89J00-000 | Штифт коннектора - Pin, Connector (Штифт) | | под заказ | 780 руб. |
| 12 | 09119-05010-000 | Стержень - Pivot (Pivot, throttle lever # ) (Bolt) | | под заказ | 500 руб. |
| 13 | 09140-05005-000 | Гайка - Nut (Гайка) | | 10 шт | 270 руб. |
| 14 | 09160-06046-000 | Шайба (6.5x20x1.5) - Washer (65x20x15) (Washer (6.5x20x1.5) # ) (Шайба) | | 20 шт | 150 руб. |
| 15 | 09180-06186-000 | Проставка (6.2x12.6x21) - Spacer (62x126x21) (Spacer, throttle lever no.2 # ) (Кольцо/шайба) | | 4 шт | 610 руб. |
| 16 | 01550-06167-000 | Болт - Bolt (Bolt) | | 9 шт | 210 руб. |
| 17 | 01550-06357-000 | Болт - Bolt (Bolt, throttle lever no.2 # ) (Bolt) | | 9 шт | 210 руб. |
Время выполнения запроса 1.1279549598694 сек. |
|