|
 |
Раздел:
|
 |
Вернуться к выбору узлов мотора
ДЕТАЛИРОВКА ДЛЯ МОДЕЛИ: SUZUKI DF115AT FROM 11503F-310001~ (E01,E40)
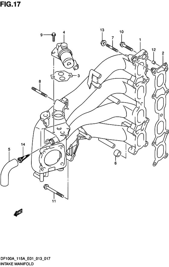
Впускной коллектор
Год выпуска двигателя: 2013
Номер на рисунке | Артикул | Наименование | QTY | Кол-во на складе | Цена |
1 | 13110-90J10-000 | Впускной коллектор - Manifold, Intake (Manifold comp, intake) | | под заказ | 61920 руб. |
1 | 13110-90J11-000 | (актуальный код замены) Коллектор Comp, Система впуска - Manifold Comp, Intake | | под заказ | 61920 руб. |
2 | 13119-90J00-000 | Прокладка впускного коллектора - Gasket, Intake Manifold (Прокладка коллектора) | | 16 шт | 780 руб. |
3 | 18134-77E00-000 | Прокладка клапана холостого хода (IAC) - Gasket, Iac Valve (Прокладка клапана) | | 4 шт | 360 руб. |
4 | 18137-77E00-000 | Клапан холостого хода (IAC) - Valve, Iac (Клапан) | | 11 шт | 37290 руб. |
5 | 18141-90J00-000 | Шланг клапана холостого хода (IAC) - Hose, Iac (Шланг) | | под заказ | 1050 руб. |
6 | 09329-12004-000 | Подушка - Cushion (Cushion, intake manifold # ) (Cushion) | | под заказ | 190 руб. |
6 | 09329-12006-000 | (актуальный код замены) Подушка - Cushion | | под заказ | 190 руб. |
7 | 01421-08357-000 | Болт под шпильку - Bolt, Stud (Болт) | | под заказ | 330 руб. |
8 | 01421-08507-000 | Болт под шпильку - Bolt, Stud (Bolt, stud # ) (Болт) | | под заказ | 360 руб. |
9 | 01550-06207-000 | Болт - Bolt (Bolt (chrome)) | | 17 шт | 220 руб. |
10 | 01550-08407-000 | Болт - Bolt (Болт 8 X 40) | | под заказ | 260 руб. |
11 | 01550-08757-000 | Болт - Bolt (Bolt) | | под заказ | 290 руб. |
12 | 04211-11129-000 | Штифт - Pin (Pin) | | 14 шт | 150 руб. |
13 | 08316-10087-000 | Гайка - Nut (Nut (chrome)) | | 14 шт | 170 руб. |
14 | 18148-90J00-000 | Фильтр шланга IAC клапана - Filter, Iac Hose (Filter, iac hose) | | 1 шт | 1500 руб. |
Время выполнения запроса 1.3454830646515 сек. |
|