Комплектующие на подвесной двигатель Suzuki - Clutch shaft
вконтакте

Контактный телефон: +7 (981) 121-46-93, +7 (800) 200-90-76 , Email: parts-katalog@yandex.ru, где купить

 
 

  Логин:

Пароль:

Регистрация

www.partskatalog.ru Все каталоги Запчасти Mercury Запчасти Suzuki Запчасти Tohatsu Запчасти Honda Контакты



УВАЖАЕМЫЕ КЛИЕНТЫ!
C 19 ДЕКАБРЯ 2025 ПО 02 МАРТА 2026 ГОДА ОТДЕЛ ЗАПЧАСТЕЙ И СЕРВИС РАБОТАТЬ НЕ БУДУТ
ПРОДАЖА ЛОДОЧНЫХ МОТОРОВ В ШТАТНОМ РЕЖИМЕ
ОБ ИЗМЕНЕНИЯХ В ГРАФИКЕ РАБОТЫ ЧИТАЙТЕ НА САЙТА



назад Раздел:   вперёд

Вернуться к выбору узлов мотора


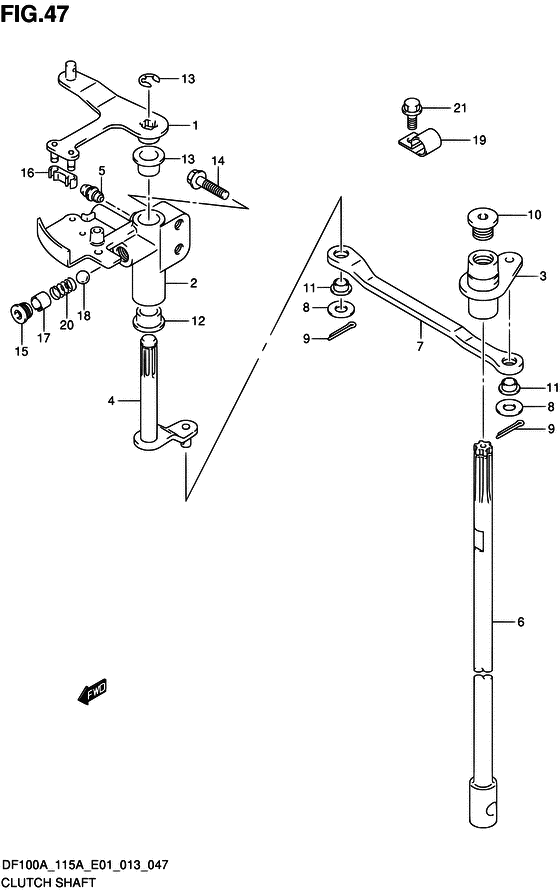
ДЕТАЛИРОВКА ДЛЯ МОДЕЛИ: SUZUKI DF115AT FROM 11503F-310001~ (E01,E40)

Сцепление Вал


Год выпуска двигателя: 2013

Номер на
рисунке
АртикулНаименованиеQTYКол-во
на складе
Цена
121110-92J00-000

Рычаг сцепления - Lever, Clutch (Рукоятка муфты)

1 шт5720 руб.
221151-92J00-000

Держатель рычага сцепления - Holder, Clutch Lever (держатель рычага выключения сцепления)

под заказ4730 руб.
321210-92J00-000

Сцепление Вал - Shaft, Clutch (Вал сцепления)

под заказ4900 руб.
421230-92J00-000

Рычаг Comp, Сцепление Вал - Arm Comp, Clutch Shaft (Рычаг вала сцепления)

под заказ5280 руб.
421230-92J02-000

   (актуальный код замены) Рычаг Comp, Сцепление Вал - Arm Comp, Clutch Shaft

под заказ5280 руб.
522511-99011-000

Ниппель смазки - Nipple, Grease (Ниппель)

9 шт400 руб.
623111-90J02-000

Тяга сцепления (l) - Rod, Clutch (l) (W/TRANSOM (L) # ) (Штанга муфты)

2 шт7990 руб.
623111-90J12-000

Тяга сцепления (x) - Rod, Clutch (x) (W/TRANSOM (X) # ) (Штанга муфты)

под заказ7400 руб.
723115-92J00-000

Тяга рычага сцепления - Link, Clutch Lever (Сустав муфты)

под заказ1050 руб.
809160-06094-000

Шайба (6.5x15x1.0) - Washer (65x15x10) (Washer (6.5x15x1.5) # ) (Шайба 6.5X15X1)

5 шт120 руб.
909204-01006-000

Штифт - Pin (Pin, cotter # ) (Pin)

14 шт150 руб.
1009248-12011-000

Заглушка (12x9) - Plug (12x9) (Plug)

под заказ430 руб.
1109306-06004-000

Втулка - Bush (Втулка ручки сцепления)

2 шт110 руб.
1209306-10001-000

Втулка - Bush (Bush, clutch lever # ) (Втулка)

10 шт360 руб.
1309383-08004-000

Уплотнительное кольцо - E Ring (E ring)

10 шт100 руб.
1401550-06307-000

Болт - Bolt (Bolt (chrome))

8 шт250 руб.
1511118-95J00-000

Заглушка паза пружины - Plug, Notch Spring (пробка пружины)

под заказ610 руб.
1621131-93J00-000

Втулка рычага сцепления - Bush, Clutch Lever (Втулка ручки сцепления)

30 шт250 руб.
1709205-10006-000

Стопор пружины (10.2x10) - Pin, Spring (102x10) (Pin, clutch notch spring # ) (Pin)

под заказ390 руб.
1809260-10005-000

Шарик - Ball (Steel ball # ) (Ball)

4 шт210 руб.
1909403-13408-000

Струбцина - Clamp (Clamp)

под заказ490 руб.
1909403-13413-000

   (актуальный код замены) Струбцина - Clamp

под заказ490 руб.
2009440-07071-000

Пружина - Spring (Spring, clutch notch # ) (Пружина)

8 шт450 руб.
2101550-06127-000

Болт - Bolt (Bolt, rect # ) (Bolt)

10 шт180 руб.


Время выполнения запроса 0.86424684524536 сек.

 
 

данный сайт носит информационный характер и не является публичной офертой

склад запчастей для водомоторной техники