Купить комплектующие на лодочный мотор Suzuki модель 2013 года - Clamp bracket
вконтакте

Контактный телефон: +7 (981) 121-46-93, +7 (800) 200-90-76 , Email: parts-katalog@yandex.ru, где купить

 
 

  Логин:

Пароль:

Регистрация

www.partskatalog.ru Все каталоги Запчасти Mercury Запчасти Suzuki Запчасти Tohatsu Запчасти Honda Контакты



УВАЖАЕМЫЕ КЛИЕНТЫ!
C 19 ДЕКАБРЯ 2025 ПО 02 МАРТА 2026 ГОДА ОТДЕЛ ЗАПЧАСТЕЙ И СЕРВИС РАБОТАТЬ НЕ БУДУТ
ПРОДАЖА ЛОДОЧНЫХ МОТОРОВ В ШТАТНОМ РЕЖИМЕ
ОБ ИЗМЕНЕНИЯХ В ГРАФИКЕ РАБОТЫ ЧИТАЙТЕ НА САЙТА



назад Раздел:   вперёд

Вернуться к выбору узлов мотора


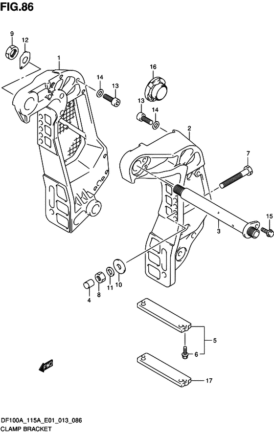
ДЕТАЛИРОВКА ДЛЯ МОДЕЛИ: SUZUKI DF115AT FROM 11503F-310001~ (E01,E40)

Кронштейн транца


Год выпуска двигателя: 2013

Номер на
рисунке
АртикулНаименованиеQTYКол-во
на складе
Цена
141111-90J13-0EP

Кронштейн правого зажима - Bracket, Clamp Stbd (Bracket, clamp stbd)

под заказ53280 руб.
241121-90J20-0EP

Кронштейн левого зажима - Bracket, Clamp Port (Bracket, clamp port)

под заказ53280 руб.
241121-90J21-0EP

   (актуальный код замены) Кронштейн левого зажима - Bracket, Clamp Port

под заказ53280 руб.
341130-92J30-000

Труба кронштейна транца - Shaft, Clamp Bracket (Shaft, clamp bracket)

под заказ17040 руб.
441153-94500-000

Колпачок транцевого болта - Cap, Transom Bolt (Крышка)

2 шт370 руб.
555320-94900-000

Анод кронштейна транца - Anode Set, Clamp Bracket (Zinc, protection # ) (Комплект анодов)

13 шт4950 руб.
609116-06121-000

Болт (6x25) - Bolt (6x25) (Bolt (6x25) # ) (Bolt)

19 шт260 руб.
709100-12090-000

Болт (12x150) - Bolt (12x150) (Bolt (12x150, pitch:1.25))

14 шт2480 руб.
709100-12091-000

Болт (12x115) - Bolt (12x115) (OPT # ) (Bolt (12x115, pitch:1.25))

21 шт1530 руб.
809159-12014-000

Гайка - Nut (Гайка)

18 шт370 руб.
909159-22006-000

Гайка - Nut (Гайка)

8 шт1950 руб.
1009160-12044-000

Шайба (12.5x35x3.2) - Washer (125x35x32) (Washer (12.5x35x3.2) # ) (Шайба)

12 шт260 руб.
1109160-12110-000

Шайба (12.5x22x3) - Washer (125x22x3) (Шайба)

6 шт370 руб.
1241135-92J00-000

Шайба кронштейна вала транца - Washer, Clamp Bracket Shaft (Шайба вала)

под заказ610 руб.
1309106-10065-000

Болт (10x20) - Bolt (10x20) (Bolt)

под заказ430 руб.
1409160-10082-000

Шайба (10.5x19x2) - Washer (105x19x2) (Washer # ) (Gasket (10.5x19x2))

19 шт120 руб.
1509116-08137-000

Болт (8x22) - Bolt (8x22) (Bolt (8x22) # ) (Болт (8X22))

10 шт690 руб.
1648140-93J01-000

Кулачок переключателя ограничителя наклона - Cam Assy, Tilt Limit Switch (OPT # ) (Cam assy, tilt limit switch)

2 шт1330 руб.
1755321-94910-000

Анод (магниевый) - Anode (magnesium) (OPT # ) (Анод)

13 шт5910 руб.


Время выполнения запроса 0.70468592643738 сек.

 
 

данный сайт носит информационный характер и не является публичной офертой

склад запчастей для водомоторной техники