Купить комплектующие на подвесной лодочный двигатель Сузуки - Drag link - Переключающая тяга
вконтакте

Контактный телефон: +7 (981) 121-46-93, +7 (800) 200-90-76 , Email: parts-katalog@yandex.ru, где купить

 
 

  Логин:

Пароль:

Регистрация

www.partskatalog.ru Все каталоги Запчасти Mercury Запчасти Suzuki Запчасти Tohatsu Запчасти Honda Контакты



УВАЖАЕМЫЕ КЛИЕНТЫ!
C 19 ДЕКАБРЯ 2025 ПО 02 МАРТА 2026 ГОДА ОТДЕЛ ЗАПЧАСТЕЙ И СЕРВИС РАБОТАТЬ НЕ БУДУТ
ПРОДАЖА ЛОДОЧНЫХ МОТОРОВ В ШТАТНОМ РЕЖИМЕ
ОБ ИЗМЕНЕНИЯХ В ГРАФИКЕ РАБОТЫ ЧИТАЙТЕ НА САЙТА



назад Раздел:   вперёд

Вернуться к выбору узлов мотора


ДЕТАЛИРОВКА ДЛЯ МОДЕЛИ: SUZUKI DF115AT FROM 11503F-310001~ (E01,E40)

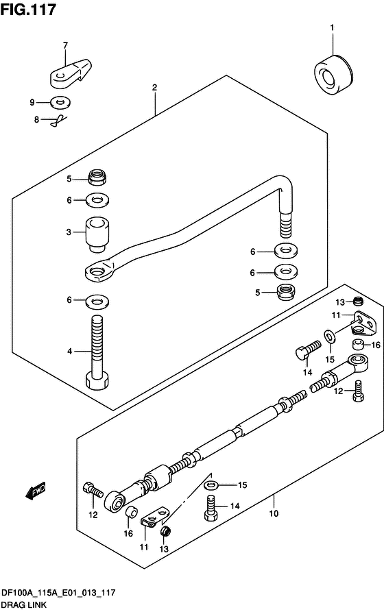
Переключающая тяга


Год выпуска двигателя: 2013

Номер на
рисунке
АртикулНаименованиеQTYКол-во
на складе
Цена
141161-94400-000

Сальник рулевого кабеля - Seal, Steering Cable (Seal, steering cable # ) (Уплотение кабеля)

16 шт1530 руб.
267701-90J00-000

Рулевая тяга в сборе - Link Assy, Drag

10 шт5810 руб.
267701-90J01-000

   (актуальный код замены) Рулевая тяга в сборе - Link Assy, Drag

1 шт5810 руб.
367721-99E00-000

Проставка - Spacer (Кольцо/шайба)

под заказ1110 руб.
467725-99E00-000

Болт переключающей тяги - Bolt, Drag Link (Болт соединяющий)

4 шт850 руб.
567726-99E00-000

Блокирующая гайка - Nut, Lock (Гайка блокирующая)

3 шт800 руб.
667728-99E00-000

Шайба - Washer (Шайба)

2 шт260 руб.
767467-89J01-000

Коннектор - Connector (Переходник)

72 шт850 руб.
809385-06012-000

Зажим - Clip (Clip)

134 шт150 руб.
909160-06055-000

Шайба (7x12x1) - Washer (7x12x1) (Washer (7x12x1.0) # ) (Шайба)

67 шт130 руб.
1067600-90J00-000

Рулевая тяга, комплект - Kit, Tie Rod (OPT # ) (Комплект рулевой тяги)

под заказ175680 руб.
1167631-90J00-000

Кронштейн рулевой тяги - Bracket, Tie Rod (OPT # ) (Кронштейн связки)

под заказ18870 руб.
1267725-99E10-000

Болт - Bolt (OPT # ) (Bolt)

под заказ1200 руб.
1267725-99E20-000

   (актуальный код замены) Болт переключающей тяги - Bolt, Drag Link

под заказ1200 руб.
1367726-99E00-000

Блокирующая гайка - Nut, Lock (OPT # ) (Гайка блокирующая)

3 шт800 руб.
1409100-12081-000

Болт (12x25) - Bolt (12x25) (OPT # ) (Bolt)

под заказ1630 руб.
1509160-12066-000

Шайба (12.5x22x2.5) - Washer (125x22x25) (Washer (12.5x22x2.5) # OPT # ) (Шайба)

19 шт150 руб.
1609180-09022-000

Проставка (9.6x18x12) - Spacer (96x18x12) (OPT # ) (Кольцо/шайба)

под заказ3410 руб.


Время выполнения запроса 1.2165420055389 сек.

 
 

данный сайт носит информационный характер и не является публичной офертой

склад запчастей для водомоторной техники