Номер на рисунке | Артикул | Наименование | QTY | Кол-во на складе | Цена |
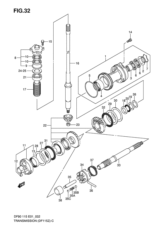
| 1 | 56120-92J12-0EP | Корпус подшипника вала гребного винта - Housing, Propeller Sft Brg (Housing, prop sft brg (black); # ) (Обойма гребного вала (чёрный)) | | под заказ | 65760 руб. |
| 2 | 56123-92J00-000 | Шайба защитного сальника - Washer, Oil Seal Protector (Шайба, масляная помпа, протектор) | | под заказ | 720 руб. |
| 3 | 09263-30051-000 | Подшипник (30x37x26) - Bearing (30x37x26) (Bearing (30x37x26); # ) (Bearing (30x37x26)) | | 14 шт | 3350 руб. |
| 3 | F3026RNSK | (подбор по маркировке) Подшипник NSK F-3026R(30*37*26 мм) | | под заказ | 0 |
| 4 | 09263-50001-000 | Подшипник (50x62x25) - Bearing (50x62x25) (Bearing # Bearing (50x62x25); # ) (Подшипник 50X62X25) | | 14 шт | 6040 руб. |
| 5 | 09280-97001-000 | Уплотнительное кольцо (d: 3.5, Id: 95) - O Ring (d:35, Id:95) (O ring (d:3.5, id:95.0) # O ring (d:3.5 id:95); # ) (O ring) | | 9 шт | 390 руб. |
| 6 | 09282-30007-000 | Сальник (30x50x6) - Seal, Oil (30x50x6) (Seal oil; # ) (Сальник) | | 200 шт | 870 руб. |
| 7 | 09387-52001-000 | Установочное кольцо - Set, Ring (Ring, oil seal; # ) (Комплект колец) | | 9 шт | 290 руб. |
| 8 | 56130-90J00-000 | Корпус вала передачи Сальник - Housing, Drive Shaft Oil Seal (Housing, drive shaft brg; # ) (Корпус торсионного вала) | | 2 шт | 8390 руб. |
| 9 | 09280-46004-000 | Уплотнительное кольцо (d: 3.5, Id: 45.7) - O Ring (d:35, Id:457) (O ring (d:3.5 id:45.7); # ) (Кольцо D:3.5 ID) | | 13 шт | 300 руб. |
| 9 | SK09280-46004 | (не оригинальный аналог) Кольцо уплотнительное ведущего вала Skipper для Suzuki Модель техники: DF60-70, DF90-140, DF40A-DF140A | | 0 шт | 64 руб. |
| 10 | 09282-24004-000 | Сальник (24x40x7) - Seal, Oil (24x40x7) (Oil seal # Seal, oil; # ) (Сальник) | | 70 шт | 870 руб. |
| 10 | 09282-24008-000 | (актуальный код замены) Сальник (24x40x7) - Seal, Oil (24x40x7) | | 74 шт | 600 руб. |
| 10 | SK09282-24004 | (не оригинальный аналог) Сальник ведущего вала Skipper для Suzuki Модели техники: DF90-350HP | | 0 шт | 176 руб. |
| 11 | 56140-92J30-000 | Корпус подшипника шестерни обратного хода - Housing, Rev Gear Bearing (Обойма) | | 2 шт | 23620 руб. |
| 12 | 09206-09012-000 | Штифт (7.4x9x10) - Pin (74x9x10) (Pin, knock # Pin, knock; # ) (Pin) | | 8 шт | 270 руб. |
| 13 | 09263-45004-000 | Подшипник (45x52x16) - Bearing (45x52x16) (Bearing (45x52x16); # ) (Bearing (45x52x16)) | | 7 шт | 2740 руб. |
| 13 | HK4616NTN | (подбор по маркировке) Подшипник NTN HK 4616(45*52*16 мм) | | под заказ | 0 |
| 14 | 09117-08047-000 | Болт (8x30) - Bolt (8x30) (Bolt (8x30); # ) (Болт 8X30) | | 14 шт | 520 руб. |
| 15 | 09117-08057-000 | Болт (8x25) - Bolt (8x25) (Bolt (8x25); # ) | | под заказ | 400 руб. |
| 15 | 09117-08110-000 | (актуальный код замены) Болт (8x25) - Bolt (8x25) | | под заказ | 400 руб. |
| 15 | 09117-08110-000 | Болт (8x25) - Bolt (8x25) (Bolt (8x25)) | | под заказ | 400 руб. |
| 16 | 57110-92J41-000 | Вал привода (l) - Shaft, Drive (l) (Shaft, drive (l); # ) | | под заказ | 54720 руб. |
| 16 | 57110-92J60-000 | (актуальный код замены) Вал привода (l) - Shaft, Drive (l) | | 2 шт | 55200 руб. |
| 16 | 57110-92J60-000 | Вал привода (l) - Shaft, Drive (l) (Shaft, drive (l)) | | 2 шт | 55200 руб. |
| 16 | 57110-92J51-000 | Вал привода (x) - Shaft, Drive (x) (Shaft, drive (x); # ) | | под заказ | 63840 руб. |
| 16 | 57110-92J70-000 | (актуальный код замены) Вал привода (x) - Shaft, Drive (x) | | 2 шт | 63840 руб. |
| 16 | 57110-92J70-000 | Вал привода (x) - Shaft, Drive (x) (Shaft, drive (x)) | | 2 шт | 63840 руб. |
| 17 | 57133-90J01-000 | Воротник приводного вала - Collar, Drive Shaft | | под заказ | 1480 руб. |
| 17 | 57133-90J02-000 | (актуальный код замены) Воротник приводного вала - Collar, Drive Shaft | | 7 шт | 1480 руб. |
| 17 | 57133-90J02-000 | Воротник приводного вала - Collar, Drive Shaft (Collar, drive shaft) | | 7 шт | 1480 руб. |
| 18 | 09160-30055-000 | Шайба (30x47x6) - Washer (30x47x6) (Washer (30x47x6.0) # Washer (30x47x6.0); Prop saft rev # ) (Шайба пропеллера (30X47X6)) | | под заказ | 8210 руб. |
| 19 | 09160-30056-000 | Шайба (32x47x3) - Washer (32x47x3) (Washer (32x47x3.0) # Washer (32x47x3.0); Prop saft rev # ) (Шайба пропеллера (32X47X3)) | | под заказ | 2500 руб. |
| 20 | 09269-30014-000 | Подшипник (30x47x2) - Bearing (30x47x2) (Bearing (30x47x2.0) # Bearing (30x47x2.0); Prop saft rev # ) (Подшипник опоры вала пропеллера) | | 1 шт | 1320 руб. |
| 21 | 09265-25040-000 | Подшипник (25x52x19.25) - Bearing (25x52x1925) | | под заказ | 7200 руб. |
| 21 | 09265-25046-000 | (актуальный код замены) Подшипник (25x52x19.25) - Bearing (25x52x19.25) | | 13 шт | 7810 руб. |
| 21 | 32205XRKOYO | (подбор по маркировке) Подшипник KOYO 32205XR(25*52*18 мм) | | под заказ | 725 руб. |
| 21 | 09265-25046-000 | Подшипник (25x52x19.25) - Bearing (25x52x1925) (Bearing (25x52x19.25)) | | 13 шт | 7810 руб. |
| 21 | 32205XRKOYO | (подбор по маркировке) Подшипник KOYO 32205XR(25*52*18 мм) | | под заказ | 725 руб. |
| 22 | 57300-92850-000 | Комплект шестерёнок - Pinion & Gear Set (Набор шестерен) | | под заказ | 122400 руб. |
| 23 | 09140-14024-000 | Гайка - Nut (Гайка) | | 18 шт | 270 руб. |
| 24 | 57500-87873-000 | Комплект регулировочных шайб приводного вала - Shim Set, Drive Shaft (Набор шайб) | | 8 шт | 6280 руб. |
| 25 | 09181-40186-000 | Регулировочная шайба (41x52x0.5) - Shim (41x52x05) (Shim (t:0.50) # Shim (41x52x0.50); # ) (Shim) | | 3 шт | 280 руб. |
| 25 | 09181-41002-000 | Регулировочная шайба (41x52x0.55) - Shim (41x52x055) (Shim (41x52x0.55); # ) (Shim (t:0.55)) | | под заказ | 470 руб. |
| 25 | 09181-41003-000 | Регулировочная шайба (41x52x0.6) - Shim (41x52x06) (Shim (t:0.60) # Shim (41x52x0.60); # ) (Шайба 41X52X0.6) | | 2 шт | 470 руб. |
| 25 | 09181-41004-000 | Регулировочная шайба (41x52x0.65) - Shim (41x52x065) (Shim (t:0.65) # Shim (41x52x0.65); # ) (Шайба 41X52X0.65) | | 17 шт | 470 руб. |
| 25 | 09181-41005-000 | Регулировочная шайба (41x52x0.7) - Shim (41x52x07) (Shim (t:0.70) # Shim (41x52x0.70); # ) (Шайба 41X52X0.7) | | 7 шт | 470 руб. |
| 25 | 09181-41006-000 | Регулировочная шайба (41x52x0.75) - Shim (41x52x075) (Shim (t:0.75) # Shim (41x52x0.75); # ) (Шайба 41X52X0.75) | | 9 шт | 470 руб. |
| 25 | 09181-40190-000 | Регулировочная шайба (40x52x0.8) - Shim (40x52x08) (Shim (t:0.80) # Shim (41x52x0.80); # ) (Шайба T:0.8) | | 4 шт | 280 руб. |
| 25 | 09181-41008-000 | Регулировочная шайба (41x52x0.85) - Shim (41x52x085) (Shim (t:0.85) # Shim (41x52x0.85); # ) (Шайба 41X52X0.85) | | под заказ | 470 руб. |
| 25 | 09181-41009-000 | Регулировочная шайба (41x52x0.9) - Shim (41x52x09) (Shim (t:0.90) # Shim (41x52x0.90); # ) (Шайба 41X52X0.9) | | под заказ | 470 руб. |
| 25 | 09181-41010-000 | Регулировочная шайба (41x52x0.95) - Shim (41x52x095) (Shim (t:0.95) # Shim (41x52x0.95); # ) (Шайба 41X52X0.95) | | под заказ | 470 руб. |
| 25 | 09181-40195-000 | Регулировочная шайба (40x52x1) - Shim (40x52x1) (Shim (t:1.00) # Shim (41x52x1.00); # ) (Шайба T:1.0) | | 11 шт | 420 руб. |
| 25 | 09181-41012-000 | Регулировочная шайба (41x52x1.05) - Shim (41x52x105) (Shim (t:1.05) # Shim (41x52x1.05); # ) (Шайба 41X52X1.05) | | под заказ | 470 руб. |
| 25 | 09181-41013-000 | Регулировочная шайба (41x52x1.1) - Shim (41x52x11) (Shim (t:1.10) # Shim (41x52x1.10); # ) (Шайба 41X52X1.1) | | под заказ | 470 руб. |
| 25 | 09181-41014-000 | Регулировочная шайба (41x52x1.15) - Shim (41x52x115) (Shim (t:1.15) # Shim (41x52x1.15); # ) (Шайба 41X52X1.15) | | под заказ | 470 руб. |
| 26 | 09160-35015-000 | Шайба (35x46x0.6) - Washer (35x46x06) (Washer (35x46x0.6); Prop saft rev # ) (Шайба) | | под заказ | 500 руб. |
| 26 | 09160-35014-000 | Шайба (35x46x0.7) - Washer (35x46x07) (Washer (35x46x0.7); # ) (Шайба) | | под заказ | 500 руб. |
| 26 | 09160-35013-000 | Шайба (35x46x0.8) - Washer (35x46x08) (Washer (35x46x0.8); # ) (Шайба) | | под заказ | 500 руб. |
| 26 | 09160-35006-000 | Шайба (35x46x0.9) - Washer (35x46x09) (Washer (35x46x0.9); # ) (Шайба) | | под заказ | 250 руб. |
| 26 | 09160-35008-000 | Шайба (35x46x0.95) - Washer (35x46x095) (Washer (35x46x0.95) # Washer (35x46x0.95); # ) (Shim (t:0.95)) | | под заказ | 300 руб. |
| 26 | 09160-35002-000 | Шайба (35x46x1) - Washer (35x46x1) (Washer (35x46x1.0); # ) (Шайба) | | под заказ | 240 руб. |
| 26 | 09160-35009-000 | Шайба (35x46x1.05) - Washer (35x46x105) (Washer (35x46x1.05); # ) (Шайба) | | под заказ | 300 руб. |
| 26 | 09160-35003-000 | Шайба (35x46x1.1) - Washer (35x46x11) (Washer (35x46x1.1); # ) (Шайба) | | под заказ | 300 руб. |
| 26 | 09160-35010-000 | Шайба (35x46x1.15) - Washer (35x46x115) (Washer (35x46x1.15); # ) (Шайба) | | под заказ | 290 руб. |
| 27 | 09160-60011-000 | Шайба (60x85x3) - Washer (60x85x3) (Washer (60x85x3.0); Rev gear # ) (Шайба) | | под заказ | 4780 руб. |
| 28 | 09160-60008-000 | Шайба (60x85x0.8) - Washer (60x85x08) (Washer (60x85x0.8) # Washer (60x85x0.8); # ) (Шайба) | | под заказ | 1140 руб. |
| 28 | 09160-60009-000 | Шайба (60x85x0.9) - Washer (60x85x09) (Washer (60x85x0.9) # Washer (60x85x0.9); # ) (Шайба) | | под заказ | 1140 руб. |
| 28 | 09160-60003-000 | Шайба (60x85x1) - Washer (60x85x1) (Washer (60x85x1.0) # Washer (60x85x1.0); # ) (Шайба) | | под заказ | 1550 руб. |
| 28 | 09160-60004-000 | Шайба (60x85x1.1) - Washer (60x85x11) (Washer (60x85x1.1) # Washer (60x85x1.1); # ) (Шайба) | | под заказ | 1550 руб. |
| 28 | 09160-60005-000 | Шайба (60x85x1.2) - Washer (60x85x12) (Washer (60x85x1.2) # Washer (60x85x1.2); # ) (Шайба) | | под заказ | 1550 руб. |
| 28 | 09160-60006-000 | Шайба (60x85x1.3) - Washer (60x85x13) (Washer (60x85x1.3) # Washer (60x85x1.3); # ) (Шайба) | | под заказ | 1550 руб. |
| 28 | 09160-60007-000 | Шайба (60x85x1.4) - Washer (60x85x14) (Washer (60x85x1.4) # Washer (60x85x1.4); # ) (Шайба) | | под заказ | 1550 руб. |
| 29 | 09160-70005-000 | Шайба (70x95x2) - Washer (70x95x2) (Washer (70x95x2.0); # ) (Шайба) | | под заказ | 3200 руб. |
| 30 | 09181-70006-000 | Регулировочная шайба (70x95x0.6) - Shim (70x95x06) (Shim (70x95x0.6) # Shim (70x95x0.6); # ) (Shim) | | 9 шт | 590 руб. |
| 30 | 09181-70009-000 | Регулировочная шайба (70x95x0.65) - Shim (70x95x065) (Shim (70x95x0.65) # Shim (70x95x0.65); # ) (Шайба (70X95X0.65)) | | под заказ | 700 руб. |
| 30 | 09181-70001-000 | Регулировочная шайба (70x95x0.7) - Shim (70x95x07) (Shim (70x95x0.7) # Shim (70x95x0.7); # ) (Shim) | | под заказ | 520 руб. |
| 30 | 09181-70010-000 | Регулировочная шайба (70x95x0.75) - Shim (70x95x075) (Shim (70x95x0.75) # Shim (70x95x0.75); # ) (Шайба (70X95X0.75)) | | 19 шт | 700 руб. |
| 30 | 09181-70002-000 | Регулировочная шайба (70x95x0.8) - Shim (70x95x08) (Shim (70x95x0.8) # Shim (70x95x0.8); # ) (Shim) | | 8 шт | 520 руб. |
| 30 | 09181-70011-000 | Регулировочная шайба (70x95x0.85) - Shim (70x95x085) (Shim (70x95x0.85) # Shim (70x95x0.85); # ) (Шайба (70X95X0.85)) | | под заказ | 700 руб. |
| 30 | 09181-70003-000 | Регулировочная шайба (70x95x0.9) - Shim (70x95x09) (Shim (70x95x0.9) # Shim (70x95x0.9); # ) (Shim) | | под заказ | 520 руб. |
| 30 | 09181-70012-000 | Регулировочная шайба (70x95x0.95) - Shim (70x95x095) (Shim (70x95x0.95) # Shim (70x95x0.95); # ) (Шайба (70X95X0.95)) | | под заказ | 1110 руб. |
| 30 | 09181-70004-000 | Регулировочная шайба (70x95x1) - Shim (70x95x1) (Shim (70x95x1.0) # Shim (70x95x1.0); # ) (Shim) | | 7 шт | 520 руб. |
| 31 | 09269-60001-000 | Подшипник (60x85x3) - Bearing (60x85x3) (Bearing (60x85x3.0) # Bearing (60x85x3.0); Rev # ) (Подшипник 60X85X3) | | под заказ | 3650 руб. |
| 32 | 09269-70001-000 | Подшипник (70x95x4) - Bearing (70x95x4) (Bearing # Bearing (70x95x4.0); Fwd # ) (Подшипник 70X95X4) | | 7 шт | 6520 руб. |
| 33 | 57610-92J31-000 | Вал гребного винта - Shaft, Propeller (Гребной вал) | | 3 шт | 47760 руб. |
| 34 | 57621-92J10-000 | Переключатель собачки сцепления - Shifter, Clutch Dog | | под заказ | 13590 руб. |
| 34 | 57621-92J20-000 | (актуальный код замены) Переключатель собачки сцепления - Shifter, Clutch Dog | | 1 шт | 16220 руб. |
| 35 | 57631-92J00-000 | Штифт коннектора - Pin, Connector (Rod, push # ) (Штифт соединяющий) | | под заказ | 2300 руб. |
| 35 | 57631-92J10-000 | (актуальный код замены) Штифт коннектора - Pin, Connector | | 6 шт | 2300 руб. |
| 35 | 09440-09040-000 | Пружина - Spring (Spring, detent; # ) (Пружина) | | 14 шт | 280 руб. |
| 35 | 06111-07004-000 | Шарик - Ball (Ball, detent no.1; # ) (Шарик-защёлка №1) | | 19 шт | 100 руб. |
| 35 | 06111-11004-000 | Шарик - Ball (Ball, detent no.2; # ) (Шарик-защёлка №2) | | 29 шт | 150 руб. |
| 36 | 09202-07002-000 | Штифт (7x48) - Pin (7x48) (Pin) | | 9 шт | 480 руб. |
| 37 | 09440-49004-000 | Пружина - Spring (Пружина) | | 10 шт | 270 руб. |
| 38 | 57616-92J00-000 | Прокладка собачки сцепления переднего хода - Spacer, Clutch Dog Forward (Прокладка муфты) | | под заказ | 5480 руб. |