Купить комплектующие на подвесной мотор Suzuki - Intake manifold / Впускной коллектор
вконтакте

Контактный телефон: +7 (981) 121-46-93, +7 (800) 200-90-76 , Email: parts-katalog@yandex.ru, где купить

 
 

  Логин:

Пароль:

Регистрация

www.partskatalog.ru Все каталоги Запчасти Mercury Запчасти Suzuki Запчасти Tohatsu Запчасти Honda Контакты

назад Раздел:   вперёд

Вернуться к выбору узлов мотора


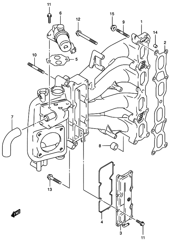
ДЕТАЛИРОВКА ДЛЯ МОДЕЛИ: SUZUKI DF115WT K3

Впускной коллектор


Год выпуска двигателя: 2003

Номер на
рисунке
АртикулНаименованиеQTYКол-во
на складе
Цена
113110-90J00-000

(->13110-90J01 USED WITH 01550-08557 (4) # )

под заказнет сведений
101550-08557-000

Болт - Bolt (Bolt)

под заказ260 руб.
113110-90J02-000

Впускной коллектор - Manifold, Intake (Коллектор впускной)

под заказ82080 руб.
113110-90J01-000

Впускной коллектор - Manifold, Intake (DF90:251957~ DF115:254652~ # )

под заказ82080 руб.
113110-90J02-000

   (актуальный код замены) Впускной коллектор - Manifold, Intake

под заказ82080 руб.
113110-90J02-000

Впускной коллектор - Manifold, Intake (Коллектор впускной)

под заказ82080 руб.
113110-90J02-000

Впускной коллектор - Manifold, Intake (MODEL:05~ # ) (Коллектор впускной)

под заказ82080 руб.
213119-90J00-000

Прокладка впускного коллектора - Gasket, Intake Manifold (Прокладка коллектора)

16 шт780 руб.
313140-90J00-000

Крышка водяной рубашки - Cover, Water Jacket (Крышка корпуса)

3 шт16040 руб.
413145-90J00-000

Уплотнительное кольцо, Water Jkt Крышка - O Ring, Water Jkt Cover (Кольцо крышки)

3 шт1370 руб.
518134-77E00-000

Прокладка клапана холостого хода (IAC) - Gasket, Iac Valve (Прокладка клапана)

4 шт360 руб.
618137-77E00-000

Клапан холостого хода (IAC) - Valve, Iac (Клапан)

11 шт37290 руб.
718141-90J00-000

Шланг клапана холостого хода (IAC) - Hose, Iac (Шланг)

под заказ1050 руб.
809329-12004-000

Подушка - Cushion (Cushion, intake manifold # ) (Cushion)

под заказ190 руб.
809329-12006-000

   (актуальный код замены) Подушка - Cushion

под заказ190 руб.
901421-08357-000

Болт под шпильку - Bolt, Stud (Болт)

под заказ330 руб.
1001421-08507-000

Болт под шпильку - Bolt, Stud (Bolt, stud # ) (Болт)

под заказ360 руб.
1101550-06207-000

Болт - Bolt (Bolt (chrome))

17 шт220 руб.
1201550-08407-000

Болт - Bolt (Болт 8 X 40)

под заказ260 руб.
1301550-08757-000

Болт - Bolt (Bolt)

под заказ290 руб.
1404211-11129-000

Штифт - Pin (Pin)

14 шт150 руб.
1508316-10087-000

Гайка - Nut (Nut (chrome))

14 шт170 руб.


Время выполнения запроса 2.0348989963531 сек.

 
 

данный сайт носит информационный характер и не является публичной офертой

склад запчастей для водомоторной техники