Купить запчасти на мотор SUZUKI модель 2003 года - Кронштейн транца
вконтакте

Контактный телефон: +7 (981) 121-46-93, +7 (800) 200-90-76 , Email: parts-katalog@yandex.ru, где купить

 
 

  Логин:

Пароль:

Регистрация

www.partskatalog.ru Все каталоги Запчасти Mercury Запчасти Suzuki Запчасти Tohatsu Запчасти Honda Контакты



УВАЖАЕМЫЕ КЛИЕНТЫ!
C 19 ДЕКАБРЯ 2025 ПО 02 МАРТА 2026 ГОДА ОТДЕЛ ЗАПЧАСТЕЙ И СЕРВИС РАБОТАТЬ НЕ БУДУТ
ПРОДАЖА ЛОДОЧНЫХ МОТОРОВ В ШТАТНОМ РЕЖИМЕ
ОБ ИЗМЕНЕНИЯХ В ГРАФИКЕ РАБОТЫ ЧИТАЙТЕ НА САЙТА



назад Раздел:   вперёд

Вернуться к выбору узлов мотора


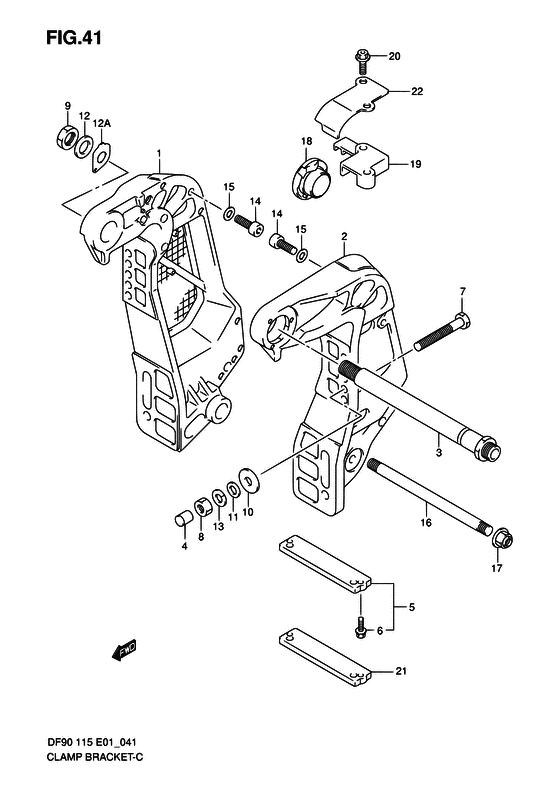
ДЕТАЛИРОВКА ДЛЯ МОДЕЛИ: SUZUKI DF115WT K3

Кронштейн транца


Год выпуска двигателя: 2003

Номер на
рисунке
АртикулНаименованиеQTYКол-во
на складе
Цена
141111-90J13-0EP

Кронштейн правого зажима - Bracket, Clamp Stbd (<-41111-90J02-0EP # ) (Bracket, clamp stbd)

под заказ53280 руб.
241121-90J13-0EP

Кронштейн левого зажима (чёрный) - Bracket, Clamp Port (black) (Кронштейн (чёрный))

под заказ53280 руб.
341130-92J01-000

Труба кронштейна транца - Shaft, Clamp Bracket (DF90:680686~ DF115:681518~ DF100 # )

под заказ17040 руб.
341130-92J03-000

   (актуальный код замены) Труба кронштейна транца - Shaft, Clamp Bracket

под заказ17040 руб.
341130-92J03-000

Труба кронштейна транца - Shaft, Clamp Bracket (Shaft, clamp bracket)

под заказ17040 руб.
341130-95541-000

Труба кронштейна транца - Shaft, Clamp Bracket (Трубка струбцины)

под заказ0 руб.
341130-95542-000

Труба кронштейна транца - Shaft, Clamp Bracket (MODEL:04, 05 # )

под заказ0 руб.
341130-95544-000

   (актуальный код замены) Запчасть снята с производства - The Spare Part Is Laid Off

под заказ0 руб.
341130-95544-000

Труба кронштейна транца - Shaft, Clamp Bracket (Shaft, clamp bracket)

под заказ0 руб.
341130-95543-000

Труба кронштейна транца - Shaft, Clamp Bracket (DF90:511126~ DF115:512041~ # )

под заказ0 руб.
341130-95544-000

   (актуальный код замены) Запчасть снята с производства - The Spare Part Is Laid Off

под заказ0 руб.
341130-95544-000

Труба кронштейна транца - Shaft, Clamp Bracket (Shaft, clamp bracket)

под заказ0 руб.
441153-94500-000

Колпачок транцевого болта - Cap, Transom Bolt (Крышка)

2 шт370 руб.
555320-94900-000

Анод кронштейна транца - Anode Set, Clamp Bracket (Zinc, protection # ) (Комплект анодов)

13 шт4950 руб.
609116-06121-000

Болт (6x25) - Bolt (6x25) (Bolt (6x25) # ) (Bolt)

19 шт260 руб.
709100-12045-000

(->09100-12091 USED WITH 09159-12014 # )

под заказнет сведений
709100-12091-000

Болт (12x115) - Bolt (12x115) (Bolt (12x115, pitch:1.25))

21 шт1530 руб.
709159-12014-000

Гайка - Nut (Гайка)

18 шт370 руб.
709100-12090-000

Болт (12x150) - Bolt (12x150) (OPT # ) (Bolt (12x150, pitch:1.25))

14 шт2480 руб.
709100-12091-000

Болт (12x115) - Bolt (12x115) (OPT DF115Z # ) (Bolt (12x115, pitch:1.25))

21 шт1530 руб.
809159-12014-000

Гайка - Nut (DF90:510486~ DF115:510761~ DF100 # ) (Гайка)

18 шт370 руб.
809140-12028-000

Гайка - Nut (Гайка)

под заказ350 руб.
909159-22006-000

Гайка - Nut (Гайка)

8 шт1950 руб.
1009160-12044-000

Шайба (12.5x35x3.2) - Washer (125x35x32) (Washer (12.5x35x3.2) # ) (Шайба)

12 шт260 руб.
1109160-12066-000

Шайба (12.5x22x2.5) - Washer (125x22x25) (Washer (12.5x22x2.5) # ) (Шайба)

19 шт150 руб.
1109160-12110-000

Шайба (12.5x22x3) - Washer (125x22x3) (DF90:510486~ DF115:510761~ DF100 # ) (Шайба)

6 шт370 руб.
1209160-22033-000

Шайба (22.5x38x1) - Washer (225x38x1) (Шайба)

под заказ290 руб.
1241135-92J00-000

Шайба кронштейна вала транца - Washer, Clamp Bracket Shaft (DF90:680686~ DF115:681518~ DF100 # ) (Шайба вала)

под заказ610 руб.
1309162-12005-000

Шайба с блокировкой - Washer, Lock (Lock washer (12.2x21.5x3) # DF90:~510485 DF115:~510760 # ) (Шайба)

под заказ160 руб.
1409106-10065-000

Болт (10x20) - Bolt (10x20) (Bolt)

под заказ430 руб.
1529160-93J00-000

Шайба (10.5x19x2) - Washer (105x19x2) (<-09160-10082 # )

под заказ120 руб.
1509160-10082-000

   (актуальный код замены) Шайба (10.5x19x2) - Washer (10.5x19x2)

19 шт120 руб.
1509160-10082-000

Шайба (10.5x19x2) - Washer (105x19x2) (Washer # ) (Gasket (10.5x19x2))

19 шт120 руб.
1645421-90J00-000

Штифт блокировки наклона - Pin, Tilt Lock (OPT # ) (Штифт гидроподъемника)

под заказ3820 руб.
1709159-14020-000

Гайка - Nut (OPT # ) (Гайка 14MM)

под заказ350 руб.
1848140-93J00-000

Кулачок переключателя ограничителя наклона - Cam Assy, Tilt Limit Switch (MODEL:04~ # )

под заказ1330 руб.
1848140-93J01-000

   (актуальный код замены) Кулачок переключателя ограничителя наклона - Cam Assy, Tilt Limit Switch

2 шт1330 руб.
1848140-93J01-000

Кулачок переключателя ограничителя наклона - Cam Assy, Tilt Limit Switch (Cam assy, tilt limit switch)

2 шт1330 руб.
1948144-93J00-000

Держатель переключатель ограничителя наклона - Holder, Tilt Limit Switch (MODEL:04~ # ) (Держатель переключателя)

под заказ990 руб.
2009103-06278-000

Болт (6x25) - Bolt (6x25) (Bolt (6x20) # DF90:511854~ DF115:513047~ DF100 # ) (Bolt (6x25))

под заказ170 руб.
2009103-06093-000

Болт (6x20) - Bolt (6x20) (MODEL:04, 05 # ) (Bolt (6x20))

под заказ130 руб.
2155321-94910-000

Анод (магниевый) - Anode (magnesium) (OPT # ) (Анод)

13 шт5910 руб.
2248145-93J00-000

Крышка выключателя ограничителя наклона - Cover, Tilt Limit Switch (DF90:511854~ DF115:513047~ DF100 # ) (Крышка переключателя)

под заказ970 руб.


Время выполнения запроса 1.5890698432922 сек.

 
 

данный сайт носит информационный характер и не является публичной офертой

склад запчастей для водомоторной техники