| |
 |
|
 |
Вернуться к выбору узлов мотора
ДЕТАЛИРОВКА ДЛЯ МОДЕЛИ: SUZUKI DF115ZL K10
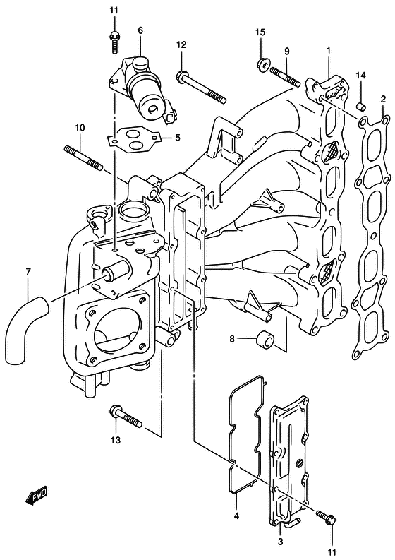
Впускной коллектор
Код модели двигателя: DF115(Z)TL/X; DF115W(Z)TL/X
Год выпуска двигателя: 2010
Цвет: Shadow Black Metallic
Номер на рисунке | Артикул | Наименование | QTY | Кол-во на складе | Цена |
| 1 | 13110-90J00-000 | (->13110-90J01 USED WITH 01550-08557 (4) # ) | | под заказ | нет сведений |
| 1 | 01550-08557-000 | Болт - Bolt (Bolt) | | под заказ | 260 руб. |
| 1 | 13110-90J02-000 | Впускной коллектор - Manifold, Intake (Коллектор впускной) | | под заказ | 82080 руб. |
| 1 | 13110-90J01-000 | Впускной коллектор - Manifold, Intake (DF90:251957~ DF115:254652~ # ) | | под заказ | 82080 руб. |
| 1 | 13110-90J02-000 | (актуальный код замены) Впускной коллектор - Manifold, Intake | | под заказ | 82080 руб. |
| 1 | 13110-90J02-000 | Впускной коллектор - Manifold, Intake (Коллектор впускной) | | под заказ | 82080 руб. |
| 1 | 13110-90J02-000 | Впускной коллектор - Manifold, Intake (MODEL:05~ # ) (Коллектор впускной) | | под заказ | 82080 руб. |
| 2 | 13119-90J00-000 | Прокладка впускного коллектора - Gasket, Intake Manifold (Прокладка коллектора) | | 16 шт | 780 руб. |
| 3 | 13140-90J00-000 | Крышка водяной рубашки - Cover, Water Jacket (Крышка корпуса) | | 3 шт | 16040 руб. |
| 4 | 13145-90J00-000 | Уплотнительное кольцо, Water Jkt Крышка - O Ring, Water Jkt Cover (Кольцо крышки) | | 3 шт | 1370 руб. |
| 5 | 18134-77E00-000 | Прокладка клапана холостого хода (IAC) - Gasket, Iac Valve (Прокладка клапана) | | 4 шт | 360 руб. |
| 6 | 18137-77E00-000 | Клапан холостого хода (IAC) - Valve, Iac (Клапан) | | 11 шт | 37290 руб. |
| 7 | 18141-90J00-000 | Шланг клапана холостого хода (IAC) - Hose, Iac (Шланг) | | под заказ | 1050 руб. |
| 8 | 09329-12004-000 | Подушка - Cushion (Cushion, intake manifold # ) (Cushion) | | под заказ | 190 руб. |
| 8 | 09329-12006-000 | (актуальный код замены) Подушка - Cushion | | под заказ | 190 руб. |
| 9 | 01421-08357-000 | Болт под шпильку - Bolt, Stud (Болт) | | под заказ | 330 руб. |
| 10 | 01421-08507-000 | Болт под шпильку - Bolt, Stud (Bolt, stud # ) (Болт) | | под заказ | 360 руб. |
| 11 | 01550-06207-000 | Болт - Bolt (Bolt (chrome)) | | 17 шт | 220 руб. |
| 12 | 01550-08407-000 | Болт - Bolt (Болт 8 X 40) | | под заказ | 260 руб. |
| 13 | 01550-08757-000 | Болт - Bolt (Bolt) | | под заказ | 290 руб. |
| 14 | 04211-11129-000 | Штифт - Pin (Pin) | | 14 шт | 150 руб. |
| 15 | 08316-10087-000 | Гайка - Nut (Nut (chrome)) | | 14 шт | 170 руб. |
Время выполнения запроса 0.79031896591187 сек. |
|