Комплектующие на подвесной двигатель Suzuki - Блок цилиндра
вконтакте

Контактный телефон: +7 (981) 121-46-93, +7 (800) 200-90-76 , Email: parts-katalog@yandex.ru, где купить

 
 

  Логин:

Пароль:

Регистрация

www.partskatalog.ru Все каталоги Запчасти Mercury Запчасти Suzuki Запчасти Tohatsu Запчасти Honda Контакты



УВАЖАЕМЫЕ КЛИЕНТЫ!
C 19 ДЕКАБРЯ 2025 ПО 02 МАРТА 2026 ГОДА ОТДЕЛ ЗАПЧАСТЕЙ И СЕРВИС РАБОТАТЬ НЕ БУДУТ
ПРОДАЖА ЛОДОЧНЫХ МОТОРОВ В ШТАТНОМ РЕЖИМЕ
ОБ ИЗМЕНЕНИЯХ В ГРАФИКЕ РАБОТЫ ЧИТАЙТЕ НА САЙТА



назад Раздел:   вперёд

Вернуться к выбору узлов мотора


ДЕТАЛИРОВКА ДЛЯ МОДЕЛИ: SUZUKI DF115WZ K10

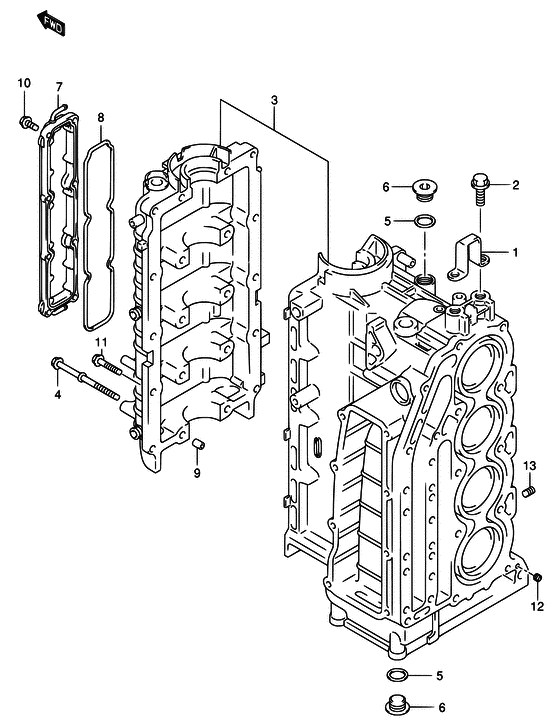
Блок цилиндра


Год выпуска двигателя: 2010

Номер на
рисунке
АртикулНаименованиеQTYКол-во
на складе
Цена
111291-90J00-019

Крюк двигателя - Hook, Engine

под заказ1080 руб.
111291-90J10-000

   (актуальный код замены) Крюк двигателя - Hook, Engine

под заказ1080 руб.
111291-90J10-000

Крюк двигателя - Hook, Engine (Крюк двигателя)

под заказ1080 руб.
111291-90J10-000

Крюк двигателя - Hook, Engine (MODEL:03~ # ) (Крюк двигателя)

под заказ1080 руб.
201550-12307-000

Болт - Bolt

под заказ290 руб.
201550-1230C-000

   (актуальный код замены) Болт - Bolt

под заказ290 руб.
201550-1230C-000

Болт - Bolt (BOLT)

под заказ290 руб.
311300-90J00-000

Блок цилиндра в сборе - Block Assy, Cylinder (<-11300-90J00-019 # ) (Блок цилиндров)

под заказ0 руб.
311300-90J11-000

Блок цилиндра в сборе - Block Assy, Cylinder (MODEL:04~ # ) (Блок цилиндров)

под заказ402240 руб.
411117-90J01-000

Болт картера двигателя - Bolt, Crankcase

под заказ640 руб.
411117-90J10-000

   (актуальный код замены) Болт картера двигателя - Bolt, Crankcase

1 шт640 руб.
411117-90J10-000

Болт картера двигателя - Bolt, Crankcase (Bolt, crankcase)

1 шт640 руб.
511216-77E00-000

Прокладка, M18 Заглушка - Gasket, M18 Plug (Прокладка)

под заказ280 руб.
609248-18011-000

Заглушка (18x8) - Plug (18x8) (Plug, oil gallery # ) (Plug)

под заказ460 руб.
711330-90J00-000

Крышка рубашки охлаждения картера двигателя - Cover, Crankcase Wtr Jkt (Cover, water jacket # ) (Крышка картера)

2 шт16200 руб.
811332-90J00-000

Уплотнение крышки рубашки охлаждения картера двигателя - O Ring, Crankcase Wtr Jkt Cover (O ring, water jacket cover # ) (Кольцо крышки)

2 шт1170 руб.
909206-13019-000

Штифт (10.4x13x16) - Pin (104x13x16) (Стопор)

под заказ180 руб.
1001550-06207-000

Болт - Bolt (Bolt (chrome))

17 шт220 руб.
1109116-08124-000

Болт - Bolt

под заказ260 руб.
1101550-08407-000

   (актуальный код замены) Болт - Bolt

под заказ260 руб.
1101550-08407-000

Болт - Bolt (Болт 8 X 40)

под заказ260 руб.
1211112-90J00-000

Заглушка масляной трубки Вентури - Plug, Oil Venturi (Заглушка)

под заказ440 руб.
1309246-05006-000

Заглушка (1 / 8pt, H: 5.5) - Plug (1/8pt, H:55) (Plug)

под заказ260 руб.


Время выполнения запроса 2.2763149738312 сек.

 
 

данный сайт носит информационный характер и не является публичной офертой

склад запчастей для водомоторной техники