Найти запчасти на подвесной двигатель SUZUKI - Fuel injector
вконтакте

Контактный телефон: +7 (981) 121-46-93, +7 (800) 200-90-76 , Email: parts-katalog@yandex.ru, где купить

 
 

  Логин:

Пароль:

Регистрация

www.partskatalog.ru Все каталоги Запчасти Mercury Запчасти Suzuki Запчасти Tohatsu Запчасти Honda Контакты



УВАЖАЕМЫЕ КЛИЕНТЫ!
C 19 ДЕКАБРЯ 2025 ПО 02 МАРТА 2026 ГОДА ОТДЕЛ ЗАПЧАСТЕЙ И СЕРВИС РАБОТАТЬ НЕ БУДУТ
ПРОДАЖА ЛОДОЧНЫХ МОТОРОВ В ШТАТНОМ РЕЖИМЕ
ОБ ИЗМЕНЕНИЯХ В ГРАФИКЕ РАБОТЫ ЧИТАЙТЕ НА САЙТА



назад Раздел:   вперёд

Вернуться к выбору узлов мотора


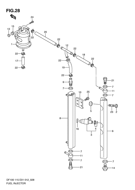
ДЕТАЛИРОВКА ДЛЯ МОДЕЛИ: SUZUKI DF115T(E01) PRD

Топливный инжектор


Год выпуска двигателя: 2011

Номер на
рисунке
АртикулНаименованиеQTYКол-во
на складе
Цена
115440-90J10-000

Топливный фильтр в сборе - Filter Assy, Fuel (Фильтр топливный)

8 шт10900 руб.
1SK-G-5120YT

   (не оригинальный аналог) Фильтр топливный Skipper для Suzuki DF90-140 тонкой очистки

1 шт1094 руб.
208316-10087-000

Гайка - Nut (Nut (chrome))

14 шт170 руб.
315710-82K50-000

Топливный инжектор, в сборе - Injector Assy, Fuel (Injector, fuel; # ) (INJECTOR ASSY, FUEL)

4 шт21780 руб.
415716-65DT0-000

Пыльник топливного инжектора - Grommet Set, Fuel Injector (Набор втулок)

12 шт1880 руб.
515735-58B00-000

Изолятор подающей трубки - Insulator, Delivery Pipe (Insulator, delivery pipe # ) (Изолятор)

под заказ520 руб.
615751-90J10-000

Трубка подачи - Pipe, Delivery (Pipe, delivery)

под заказ16710 руб.
715762-90J00-000

Прокладка, Соединение - Gasket, Union (Gasket, union # Gasket, union; # ) (Gasket (11.8x22x1.2))

под заказ610 руб.
815770-90J02-000

Охладитель топлива - Cooler, Fuel (Охладитель топливный)

под заказ12200 руб.
915773-90J00-000

Соединенине топливного шланга - Union, Fuel Hose (Соединение топливного шланга (H))

под заказ1420 руб.
1015775-90J00-000

Кронштейн охладителя - Bracket, Fuel Cooler (Кронштейн топливного охладителя)

под заказ470 руб.
1115830-90J00-000

Основной топливный соединитель - Joint, Fuel Main (Joint, fuel main # ) (Болт соединяющий)

под заказ1860 руб.
1215830-99E00-000

Соединительный тройник - Union, 3 Way (Union, 3 way fuel hose # Union, 3 way fuel hose; # ) (Соединение топливного шланга, 3-х стороннее)

под заказ1680 руб.
1309169-06062-000

Шайба - Washer (Washer # Washer; # ) (Кольцо/шайба)

под заказ190 руб.
1409247-12013-000

Заглушка (12x16) - Plug (12x16) (Plug, delivery pipe # Plug; # ) (Bolt)

под заказ470 руб.
1509320-08501-000

Подушка - Cushion (Cushion)

под заказ240 руб.
1609320-08062-000

Подушка - Cushion (Cushion)

34 шт1010 руб.
1709343-75001-600

Шланг (7.5x13.5x600) - Hose (75x135x600) (Hose (7.5x13.5x600); L:600->50, separator to filter # ) (Hose, 7.5x13.5x600)

под заказ3870 руб.
1709343-75002-600

   (актуальный код замены) Шланг (7.5x13.5x600) - Hose (7.5x13.5x600)

под заказ3870 руб.
1809343-75001-600

Шланг (7.5x13.5x600) - Hose (75x135x600) (Hose (7.5x13.5x600); L:600->50, 3 way to dlvy pipe # ) (Hose, 7.5x13.5x600)

под заказ3870 руб.
1809343-75002-600

   (актуальный код замены) Шланг (7.5x13.5x600) - Hose (7.5x13.5x600)

под заказ3870 руб.
1909343-75001-600

Шланг (7.5x13.5x600) - Hose (75x135x600) (Hose (7.5x13.5x600); L:600->50, 3 way to cooler # ) (Hose, 7.5x13.5x600)

под заказ3870 руб.
1909343-75002-600

   (актуальный код замены) Шланг (7.5x13.5x600) - Hose (7.5x13.5x600)

под заказ3870 руб.
2009343-75001-600

Шланг (7.5x13.5x600) - Hose (75x135x600) (Hose (7.5x13.5x600); L:600->110, filter to 3 way # ) (Hose, 7.5x13.5x600)

под заказ3870 руб.
2009343-75002-600

   (актуальный код замены) Шланг (7.5x13.5x600) - Hose (7.5x13.5x600)

под заказ3870 руб.
2109360-12013-000

Соединение - Union (Union; # ) (Болт соединяющий)

под заказ790 руб.
2209401-11425-000

Зажим - Clip (Clip)

4 шт370 руб.
2301421-08357-000

Болт под шпильку - Bolt, Stud (Stud bolt; # ) (Болт)

под заказ330 руб.
2409116-06202-000

Болт (6x25) - Bolt (6x25) (Bolt (w/washer) # Bolt (6x25); # ) (Болт (шайба))

под заказ250 руб.
2501550-06167-000

Болт - Bolt (Bolt)

9 шт210 руб.


Время выполнения запроса 1.4096658229828 сек.

 
 

данный сайт носит информационный характер и не является публичной офертой

склад запчастей для водомоторной техники