| |
 |
|
 |
Вернуться к выбору узлов мотора
ДЕТАЛИРОВКА ДЛЯ МОДЕЛИ: SUZUKI DF115Z FROM 11502Z-210001~ (E01,E40)
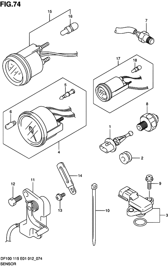
Датчик
Код модели двигателя: DF115(Z)TL/X; DF115W(Z)TL/X
Год выпуска двигателя: 2012
Регион: General Export No.1/Costa Rica ,Код региона: P01/P40
Цвет: Shadow Black Metallic
Номер на рисунке | Артикул | Наименование | QTY | Кол-во на складе | Цена |
| 1 | 13650-52G00-000 | Датчик температуры воздуха на входе - Sensor, Inlet Air Temp (Sensor, inlet air temp # ) (Сенсор температуры воздуха) | | 2 шт | 9030 руб. |
| 2 | 13655-87J00-000 | Втулка датчика температуры воздуха - Grommet, Air Temp Sensor (Grommet, air temp sensor # ) (Втулка воздушного сенсора) | | под заказ | 320 руб. |
| 3 | 18590-68H00-000 | Датчик давления - Sensor, Pressure (Sensor, pressure # ) (Сенсор прессуры) | | 1 шт | 28560 руб. |
| 4 | 34200-93J00-000 | Тахометр с монитором в сборе, черный - Tachometer Assy, With Monitor B (BLACK # ) (Тахометр с монитором) | | под заказ | 27600 руб. |
| 4 | 34200-93J02-000 | (актуальный код замены) Тахометр с монитором в сборе, черный - Tachometer Assy, With Monitor B | | 1 шт | 27600 руб. |
| 4 | 34200-93J11-000 | Тахометр с монитором в сборе, белый - Tachometer Assy, With Monitor W (WHITE # ) | | под заказ | 27600 руб. |
| 4 | 34200-93J14-000 | (актуальный код замены) Тахометр с монитором в сборе, белый - Tachometer Assy, With Monitor W | | 3 шт | 29830 руб. |
| 4 | 34200-93J12-000 | Тахометр с монитором в сборе, белый - Tachometer Assy, With Monitor W (TACHOMETER ASSY, WITH MONITOR W) | | под заказ | 27600 руб. |
| 4 | 34200-93J14-000 | (актуальный код замены) Тахометр с монитором в сборе, белый - Tachometer Assy, With Monitor W | | 3 шт | 29830 руб. |
| 5 | 36615-96300-000 | Клемма - Terminal (Контакт) | | под заказ | 120 руб. |
| 6 | 09471-12077-000 | Лампочка (12v1.7w, T10, Wb121) - Bulb (12v17w, T10, Wb121) (Bulb) | | под заказ | 250 руб. |
| 7 | 34830-87J20-000 | Датчик температуры - Sensor, Temp (Sensor assy, exhaust temp # ) (Сенсор температуры на выходе) | | 5 шт | 7020 руб. |
| 8 | 37820-99E01-000 | Выключатель по давлению масла, в сборе (p1.0) - Switch Assy, Oil Pressure (p10) (Переключатель прессуры масла) | | под заказ | 2570 руб. |
| 8 | 37820-99E02-000 | (актуальный код замены) Выключатель по давлению масла, в сборе - Switch Assy, Oil Pressure | | под заказ | 2890 руб. |
| 9 | 02162-05207-000 | Винт - Screw (Винт сенсора) | | под заказ | 150 руб. |
| 10 | 09407-14403-000 | Струбцина (l: 125) - Clamp (l:125) (Clamp, spark plug cap # ) (Clamp) | | под заказ | 170 руб. |
| 10 | 09407-14407-000 | Струбцина (l: 145) - Clamp (l:145) (Band # ) (Clamp (l:145)) | | 9 шт | 230 руб. |
| 11 | 34801-99E04-000 | Датчик трима - Sender Assy, Trim (Sender assy, trim) | | под заказ | 27360 руб. |
| 11 | 34801-99E05-000 | (актуальный код замены) Датчик трима - Sender Assy, Trim | | 3 шт | 29540 руб. |
| 12 | 09100-06113-000 | Болт (6x16) - Bolt (6x16) (Болт) | | под заказ | 140 руб. |
| 13 | 09125-06063-000 | Винт (6x10) - Screw (6x10) (Винт 6X10 (SUS)) | | 6 шт | 190 руб. |
| 14 | 29404-93J10-000 | Струбцина - Clamp (Струбцина переключателя) | | под заказ | 190 руб. |
| 14 | 29404-93J11-000 | (актуальный код замены) Струбцина - Clamp | | под заказ | 190 руб. |
| 15 | 34800-93J00-000 | Прибор - трим (чёрный) - Meter Assy, Trim (black) (BLACK # ) (Тримметр) | | под заказ | 13110 руб. |
| 15 | 34800-93J02-000 | (актуальный код замены) Прибор - трим (чёрный) - Meter Assy, Trim (black) | | 1 шт | 13110 руб. |
| 15 | 34800-93J11-000 | Прибор - трим W - Meter Assy, Trim W (WHITE # ) (Тримметр) | | 1 шт | 13110 руб. |
| 15 | 34800-93J13-000 | (актуальный код замены) Прибор - трим W - Meter Assy, Trim W | | 3 шт | 15110 руб. |
| 16 | 09471-12103-000 | Лампочка (12v3w, T6.5) - Bulb (12v3w, T65) (Лампочка) | | под заказ | 280 руб. |
| 17 | 34500-93J00-000 | Прибор - счётчик мото-часов (чёрный) - Meter Assy, Hour (black) (BLACK # ) (Meter assy, hour) | | под заказ | 21460 руб. |
| 17 | 34500-93J02-000 | (актуальный код замены) Прибор - счётчик мото-часов (чёрный) - Meter Assy, Hour (black) | | под заказ | 21460 руб. |
| 17 | 34500-93J11-000 | Прибор - счётчик мото-часов (белый) - Meter Assy, Hour (white) (WHITE # ) (Meter assy, hour) | | под заказ | 21460 руб. |
| 17 | 34500-93J13-000 | (актуальный код замены) Прибор - счётчик мото-часов W - Meter Assy, Hour W | | под заказ | 21460 руб. |
| 18 | 09471-12103-000 | Лампочка (12v3w, T6.5) - Bulb (12v3w, T65) (Лампочка) | | под заказ | 280 руб. |
Время выполнения запроса 0.98975396156311 сек. |
|