Оригинальные запчасти на лодочный мотор SUZUKI модель 2012 года - Головка блока цилиндра / Cylinder head
вконтакте

Контактный телефон: +7 (981) 121-46-93, +7 (800) 200-90-76 , Email: parts-katalog@yandex.ru, где купить

 
 

  Логин:

Пароль:

Регистрация

www.partskatalog.ru Все каталоги Запчасти Mercury Запчасти Suzuki Запчасти Tohatsu Запчасти Honda Контакты

Раздел:   вперёд

Вернуться к выбору узлов мотора


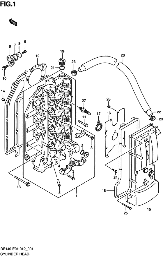
ДЕТАЛИРОВКА ДЛЯ МОДЕЛИ: SUZUKI DF140T FROM 14002F-210001~

Головка блока цилиндра


Год выпуска двигателя: 2012

Номер на
рисунке
АртикулНаименованиеQTYКол-во
на складе
Цена
111100-90J06-000

под заказнет сведений
111100-90J10-000

Головка блока цилиндра - Head Assy, Cylinder (HEAD ASSY, CYLINDER)

под заказ233280 руб.
111100-90J11-000

   (актуальный код замены) Головка блока цилиндра - Head Assy, Cylinder

1 шт233280 руб.
111382-93J00-000

Колпачок масляного фильтра - Cap, Oil Filler (Cap, oil filler)

6 шт630 руб.
211216-90J00-000

Прокладка, M22 Заглушка - Gasket, M22 Plug (Gasket, oil gallery plug)

под заказ330 руб.
309103-06266-000

Болт (6x40) - Bolt (6x40) (Bolt, 6x40 # ) (Bolt)

под заказ170 руб.
409206-08001-000

Штифт (8x11) - Pin (8x11) (Стопор)

5 шт130 руб.
511115-85FA1-001

Направляющая клапана - Guide, Valve (OPT # ) (Направляющая клапана)

32 шт2720 руб.
611261-93J00-000

Крышка защитного анода - Cover, Protection Anode (Крышка протектора)

под заказ1600 руб.
709280-22019-000

Уплотнительное кольцо (d: 1.9, Id: 21.8) - O Ring (d:19, Id:218) (Кольцо уплотнительное)

16 шт210 руб.
7SK09280-22019

   (не оригинальный аналог) Кольцо уплотнительное головки блока цилиндров Skipper для Suzuki Модели техники: 4-stroke 8-350HP

0 шт64 руб.
855321-87J00-000

Защитный анод - Anode, Protection

1 шт750 руб.
855321-87J01-000

   (актуальный код замены) Защитный анод - Anode, Protection

26 шт850 руб.
8SMO-55321-87J01-000

   (не оригинальный аналог) Защитный анод SMO-55321-87J01-000 (оригинал)

под заказ590 руб.
8SMO-55321-87J01-000

  (аналог) Защитный анод SMO-55321-87J01-000 (оригинал) - код 55321-87J01-000

 под заказ шт585 руб.
855321-87J01-000

Защитный анод - Anode, Protection (ANODE, PROTECTION)

26 шт850 руб.
8SMO-55321-87J01-000

  (аналог) Защитный анод SMO-55321-87J01-000 (оригинал) - код 55321-87J01-000

 под заказ шт585 руб.
909103-06281-000

Болт (6x14) - Bolt (6x14) (Bolt, protection anode # ) (Bolt)

5 шт270 руб.
1001550-08207-000

Болт - Bolt (Bolt)

10 шт240 руб.
1111117-89J00-000

Внутренний болт картера двигателя - Bolt, Crankcase Inside (Bolt, cylinder head # ) (Болт головки цилиндра)

под заказ570 руб.
1211141-92J01-000

Прокладка головки блока цилиндра - Gasket, Cylinder Head (Прокладка головки цилиндров)

14 шт9870 руб.
1309116-08125-000

Болт (8x50) - Bolt (8x50) (Bolt (8x50) # ) (Bolt (8x52))

под заказ280 руб.
1404211-13189-000

Штифт - Pin (Pin)

4 шт300 руб.
1511170-90J00-000

Крышка головки цилиндра - Cover, Cylinder Head

под заказ48480 руб.
1511170-90J02-000

   (актуальный код замены) Крышка головки блока цилиндра - Cover Comp, Cylinder Head

под заказ48480 руб.
1511170-90J01-000

Крышка головки цилиндра - Cover, Cylinder Head (Cover, cylinder head)

под заказ48480 руб.
1511170-90J02-000

   (актуальный код замены) Крышка головки блока цилиндра - Cover Comp, Cylinder Head

под заказ48480 руб.
1611173-90J00-000

Пластина сапуна - Plate, Breather (Плата сапуна)

под заказ840 руб.
1711179-90J00-000

Прокладка отверстия свечи зажигания - Gasket, Spark Plug Hole (Прокладка)

68 шт720 руб.
1811189-90J00-000

Прокладка крышки головки блока цилиндра - Gasket, Cylinder Head Cover (Gasket, cylinder head cover # ) (Прокладка крышки)

6 шт3380 руб.
1911382-99E00-000

Колпачок масляного фильтра - Cap, Oil Filler (Крышка масляного бака)

10 шт1110 руб.
2018498-90J20-000

Защита трубки сапуна (l: 590) - Protector, Breather Hose (l:590) (Протектор шланга (450))

под заказ1100 руб.
2018498-90J21-000

   (актуальный код замены) Защита трубки сапуна (l: 590) - Protector, Breather Hose (l:590)

под заказ1100 руб.
2109280-26006-000

Уплотнительное кольцо (d: 3.1, Id: 26.4) - O Ring (d:31, Id:264) (Кольцо уплотнительное)

2 шт220 руб.
2209355-13207-00B

Шланг (13x20x2000) - Hose (13x20x2000) (L:2000->660 # ) (Шланг)

под заказ4470 руб.
2309401-20409-000

Зажим - Clip (Clip)

под заказ320 руб.
2401547-06257-000

Болт - Bolt (Bolt (6x25))

под заказ160 руб.
2501547-06557-000

Болт - Bolt (Bolt)

под заказ180 руб.
2602112-0612A-000

Винт - Screw (Болт)

под заказ120 руб.
2709482-00427-000

Свеча зажигания (ngk Bkr6e) - Plug, Spark (ngk Bkr6e) (Spark plug (ngk, bkr6e))

126 шт920 руб.


Время выполнения запроса 1.8574931621552 сек.

 
 

данный сайт носит информационный характер и не является публичной офертой

склад запчастей для водомоторной техники