Подобрать оригинальные запчасти на подвесной лодочный мотор Сузуки модель 2012 года - Кронштейн транца
вконтакте

Контактный телефон: +7 (981) 121-46-93, +7 (800) 200-90-76 , Email: parts-katalog@yandex.ru, где купить

 
 

  Логин:

Пароль:

Регистрация

www.partskatalog.ru Все каталоги Запчасти Mercury Запчасти Suzuki Запчасти Tohatsu Запчасти Honda Контакты

назад Раздел:   вперёд

Вернуться к выбору узлов мотора


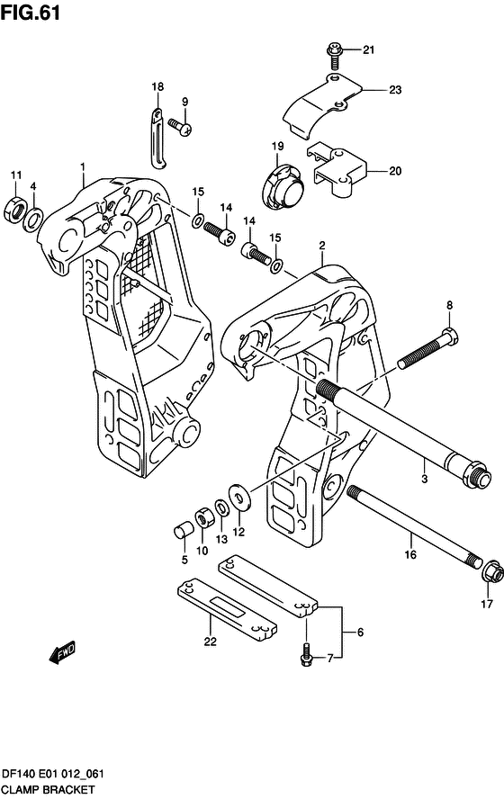
ДЕТАЛИРОВКА ДЛЯ МОДЕЛИ: SUZUKI DF140T FROM 14002F-210001~

Кронштейн транца


Год выпуска двигателя: 2012

Номер на
рисунке
АртикулНаименованиеQTYКол-во
на складе
Цена
141111-92J03-0EP

Кронштейн правого зажима - Bracket, Clamp Stbd (Bracket, clamp stbd)

под заказ54720 руб.
241121-92J04-0EP

Кронштейн левого зажима (чёрный) - Bracket, Clamp Port (black) (Кронштейн (чёрный))

под заказ54720 руб.
341130-92J03-000

Труба кронштейна транца - Shaft, Clamp Bracket (Shaft, clamp bracket)

под заказ17040 руб.
441135-92J00-000

Шайба кронштейна вала транца - Washer, Clamp Bracket Shaft (Шайба вала)

под заказ610 руб.
541153-94500-000

Колпачок транцевого болта - Cap, Transom Bolt (Крышка)

2 шт370 руб.
655320-94900-000

Анод кронштейна транца - Anode Set, Clamp Bracket (Zinc, protection # ) (Комплект анодов)

13 шт4950 руб.
709116-06121-000

Болт (6x25) - Bolt (6x25) (Bolt (6x25) # ) (Bolt)

19 шт260 руб.
809100-12090-000

Болт (12x150) - Bolt (12x150) (Bolt (12x150, pitch:1.25))

14 шт2480 руб.
809100-12091-000

Болт (12x115) - Bolt (12x115) (OPT # ) (Bolt (12x115, pitch:1.25))

21 шт1530 руб.
909125-06063-000

Винт (6x10) - Screw (6x10) (Винт 6X10 (SUS))

6 шт190 руб.
1009159-12014-000

Гайка - Nut (Гайка)

18 шт370 руб.
1109159-22006-000

Гайка - Nut (Гайка)

8 шт1950 руб.
1209160-12044-000

Шайба (12.5x35x3.2) - Washer (125x35x32) (Washer (12.5x35x3.2) # ) (Шайба)

12 шт260 руб.
1309160-12110-000

Шайба (12.5x22x3) - Washer (125x22x3) (Шайба)

6 шт370 руб.
1409106-10065-000

Болт (10x20) - Bolt (10x20) (Bolt)

под заказ430 руб.
1509160-10082-000

Шайба (10.5x19x2) - Washer (105x19x2) (Washer # ) (Gasket (10.5x19x2))

19 шт120 руб.
1645421-87D02-000

Штифт блокировки наклона - Pin, Tilt Lock (Pin, tilt lock)

под заказ2810 руб.
1645421-87D03-000

   (актуальный код замены) Штифт блокировки наклона - Pin, Tilt Lock

под заказ2810 руб.
1709159-14020-000

Гайка - Nut (Гайка 14MM)

под заказ350 руб.
1829404-93J10-000

Струбцина - Clamp (Струбцина переключателя)

под заказ190 руб.
1829404-93J11-000

   (актуальный код замены) Струбцина - Clamp

под заказ190 руб.
1948140-93J01-000

Кулачок переключателя ограничителя наклона - Cam Assy, Tilt Limit Switch (Cam assy, tilt limit switch)

2 шт1330 руб.
2048144-93J00-000

Держатель переключатель ограничителя наклона - Holder, Tilt Limit Switch (Держатель переключателя)

под заказ990 руб.
2109103-06278-000

Болт (6x25) - Bolt (6x25) (Bolt (6x20) # ) (Bolt (6x25))

под заказ170 руб.
2255321-94910-000

Анод (магниевый) - Anode (magnesium) (OPT # ) (Анод)

13 шт5910 руб.
2348145-93J00-000

Крышка выключателя ограничителя наклона - Cover, Tilt Limit Switch (Крышка переключателя)

под заказ970 руб.


Время выполнения запроса 1.3874940872192 сек.

 
 

данный сайт носит информационный характер и не является публичной офертой

склад запчастей для водомоторной техники