Купить запчасти на подвесной двигатель Suzuki модель 2012 года - Opt:harness
вконтакте

Контактный телефон: +7 (981) 121-46-93, +7 (800) 200-90-76 , Email: parts-katalog@yandex.ru, где купить

 
 

  Логин:

Пароль:

Регистрация

www.partskatalog.ru Все каталоги Запчасти Mercury Запчасти Suzuki Запчасти Tohatsu Запчасти Honda Контакты



УВАЖАЕМЫЕ КЛИЕНТЫ!
C 19 ДЕКАБРЯ 2025 ПО 02 МАРТА 2026 ГОДА ОТДЕЛ ЗАПЧАСТЕЙ И СЕРВИС РАБОТАТЬ НЕ БУДУТ
ПРОДАЖА ЛОДОЧНЫХ МОТОРОВ В ШТАТНОМ РЕЖИМЕ
ОБ ИЗМЕНЕНИЯХ В ГРАФИКЕ РАБОТЫ ЧИТАЙТЕ НА САЙТА



назад Раздел:   вперёд

Вернуться к выбору узлов мотора


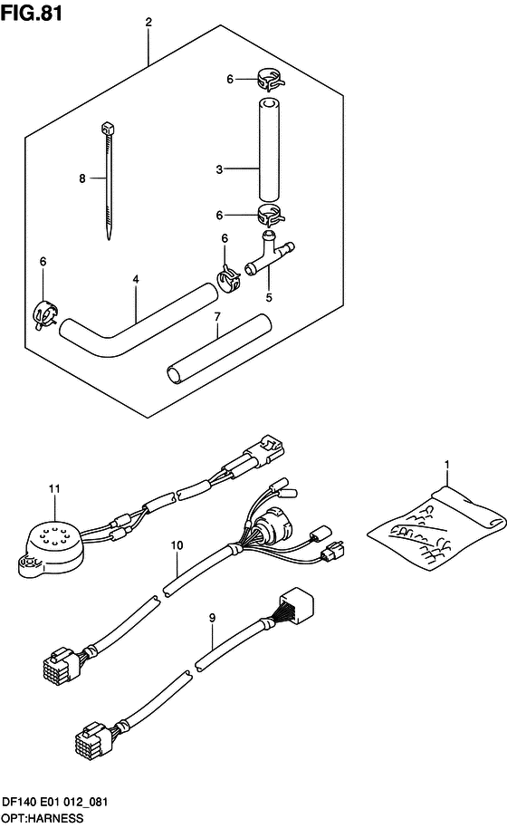
ДЕТАЛИРОВКА ДЛЯ МОДЕЛИ: SUZUKI DF140T FROM 14002F-210001~

Опции: жгут проводов


Год выпуска двигателя: 2012

Номер на
рисунке
АртикулНаименованиеQTYКол-во
на складе
Цена
136990-87D00-000

Клемма / Гильза Set - Terminal / Sleeve Set (Terminal & sleeve set # ) (Стержень и гильза)

1 шт1720 руб.
234660-90J02-000

Измеритель давления воды, установочный комплект Sub - Kit, Water Press Gauge Sub (Kit, water press gauge sub)

под заказ1270 руб.
234660-90J04-000

   (актуальный код замены) Измеритель давления воды, установочный комплект Sub - Kit, Water Press Gauge Sub

под заказ1270 руб.
309352-50903-600

Шланг (5x9x600) - Hose (5x9x600) (L:600->160 # ) (Шланг 5X9X600)

под заказ570 руб.
309352-50006-600

   (актуальный код замены) Шланг (5x9x600) - Hose (5x9x600)

1 шт570 руб.
409352-50903-600

Шланг (5x9x600) - Hose (5x9x600) (L:600->210 # ) (Шланг 5X9X600)

под заказ570 руб.
409352-50006-600

   (актуальный код замены) Шланг (5x9x600) - Hose (5x9x600)

1 шт570 руб.
509367-06006-000

Тройник - 3 Way (Направляющая трубки)

под заказ300 руб.
609401-08413-000

Зажим - Clip (Clip)

под заказ190 руб.
718498-99EA0-000

Защита (l: 80) - Protector (l:80) (Protecto (l:80))

под заказ210 руб.
718498-99EA1-000

   (актуальный код замены) Защита (9.5x11.5x80) - Protector (9.5x11.5x80)

под заказ210 руб.
809407-25402-000

Струбцина (l: 250) - Clamp (l:250) (Clamp, tilt sw # ) (Clamp)

под заказ350 руб.
936620-93J10-000

Удлинитель провода дистанционного управления (l: 2000) - Wire Assy, Remocon Ext (l:2000) (L:2000 # ) (Проводка дистанционного упраления)

под заказ12390 руб.
936620-93J12-000

   (актуальный код замены) Удлинитель провода дистанционного управления (l: 2000) - Wire Assy, Remocon Ext (l:2000)

под заказ13480 руб.
936620-93J40-000

Удлинитель провода дистанционного управления (l: 3000) - Wire Assy, Remocon Ext (l:3000) (L:3000 # ) (Проводка дистанционного упраления)

под заказ15030 руб.
936620-93J42-000

   (актуальный код замены) Удлинитель провода дистанционного управления - Wire Assy, Remote Control Ext

под заказ15030 руб.
1036620-93J30-000

Кабель дистанционного управления (l: 2000) - Wire Assy, Remocon (l:2000) (L:2000 # ) (Проводка дистанционного упраления)

под заказ13010 руб.
1036620-93J32-000

   (актуальный код замены) Кабель дистанционного управления (l: 2000) - Wire Assy, Remocon (l:2000)

под заказ13010 руб.
1138500-93J00-000

Предупреждающий зуммер, в сборе - Buzzer Assy, Warning (Buzzer assy, warning # ) (Звуковой бузер)

под заказ3890 руб.
1138500-93J90-000

   (актуальный код замены) Предупреждающий зуммер - Buzzer, Warning

под заказ3890 руб.


Время выполнения запроса 0.6361927986145 сек.

 
 

данный сайт носит информационный характер и не является публичной офертой

склад запчастей для водомоторной техники