Подобрать оригинальные запчасти на лодочный мотор Suzuki DF140(Z)TL/X модель 2002 года - Swivel bracket - Поворотный кронштейн
вконтакте

Контактный телефон: +7 (981) 121-46-93, +7 (800) 200-90-76 , Email: parts-katalog@yandex.ru, где купить

 
 

  Логин:

Пароль:

Регистрация

www.partskatalog.ru Все каталоги Запчасти Mercury Запчасти Suzuki Запчасти Tohatsu Запчасти Honda Контакты

назад Раздел:   вперёд

Вернуться к выбору узлов мотора


ДЕТАЛИРОВКА ДЛЯ МОДЕЛИ: SUZUKI DF140ZULK2(E1) K2

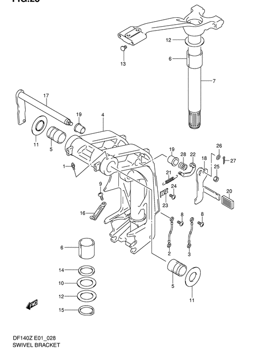
Поворотный кронштейн


Код модели двигателя: DF140(Z)TL/X

Год выпуска двигателя: 2002

Регион: Япония

Цвет: Shadow Black Metallic

Номер на
рисунке
АртикулНаименованиеQTYКол-во
на складе
Цена
122511-99010-000

Ниппель смазки - Nipple, Grease (Nipple, grease; # )

под заказ340 руб.
122511-99011-000

   (актуальный код замены) Ниппель смазки - Nipple, Grease

2 шт400 руб.
122511-99011-000

Ниппель смазки - Nipple, Grease (Ниппель)

2 шт400 руб.
236894-95201-000

Lead (l: 165) - Lead (l:165) (Lead (clamp to swivel); # ) (Провод)

под заказ1170 руб.
336894-87D00-000

Lead (l: 165) - Lead (l:165) (Lead (swivel to mounk brkt); # ) (Провод)

2 шт1350 руб.
443111-92J10-0EP

Поворотный кронштейн (x) (чёрный) - Bracket, Swivel (x) (black) (Bracket, swivel (black); # )

под заказ95040 руб.
443111-92J30-0EP

   (актуальный код замены) Поворотный кронштейн (x) (чёрный) - Bracket, Swivel (x) (black)

под заказ95040 руб.
443111-92J30-0EP

Поворотный кронштейн (x) (чёрный) - Bracket, Swivel (x) (black) (Кронштейн шарнирный)

под заказ95040 руб.
543211-87D00-000

Втулка струбцины поворотного вала - Bush, Clamp Shaft Swivel (Bush, clamp shaft swivel # Bush, clamp shaft swivel; # ) (Втулка вала)

1 шт1030 руб.
643711-97E00-000

Втулка рулевой системы - Bush, Steering (Bush, steering; # )

под заказ870 руб.
643711-97E11-000

   (актуальный код замены) Втулка рулевой системы - Bush, Steering

11 шт970 руб.
6SK43711-97E00

   (не оригинальный аналог) Втулка поворотного механизма Skipper для Suzuki DT40-200/DF40-300

0 шт254 руб.
643711-97E01-000

Втулка рулевой системы - Bush, Steering (Bush, steering)

под заказ870 руб.
643711-97E11-000

   (актуальный код замены) Втулка рулевой системы - Bush, Steering

11 шт970 руб.
743750-90J10-0EP

Кронштейн рулевого управления (x) - Bracket, Steering (x) (Bracket, steering (black); # )

под заказ92160 руб.
743750-90J11-0EP

   (актуальный код замены) Кронштейн рулевого управления (x) - Bracket, Steering (x)

под заказ92160 руб.
743750-90J11-0EP

Кронштейн рулевого управления (x) - Bracket, Steering (x) (Кронштейн управления (чёрный))

под заказ92160 руб.
809125-05050-000

Винт (5x8) - Screw (5x8) (Screw (5x8); # ) (Винт 5X8)

под заказ150 руб.
909125-06063-000

Винт (6x10) - Screw (6x10) (Screw (6x10); # ) (Винт 6X10 (SUS))

6 шт190 руб.
1009160-39001-000

Шайба (39.5x64x1) - Washer (395x64x1) (Washer (39.5x64x1.0) # Washer (39.5x64x1.0); # ) (Шайба 39.5X64X)

6 шт320 руб.
1109169-28003-000

Шайба - Washer (Шайба)

под заказ410 руб.
1209181-39001-000

Регулировочная шайба (39.5x64x0.3) - Shim (395x64x03) (Shim (39.5x64x0.3) # Shim (39.5x64x0.3); # ) (Shim)

4 шт480 руб.
1309250-10001-000

Колпачок (od: 14) - Cap (od:14) (Plug; # ) (Plug)

под заказ130 руб.
1409282-39001-000

Сальник (39x51x5) - Seal, Oil (39x51x5) (Seal, oil # Seal, oil; # ) (Сальник 39X51X)

9 шт720 руб.
1509380-38003-000

Стопорное кольцо - Circlip (Circlip)

4 шт670 руб.
1609404-06432-000

Струбцина (l: 65) - Clamp (l:65) (Clamp (l:80) # ) (Clamp (l:80))

8 шт170 руб.
1609404-06039-000

   (актуальный код замены) Струбцина (l: 65) - Clamp (l:65)

под заказ170 руб.
1741220-95E12-000

Рычаг блокировки наклона - Lever, Tilt Lock

под заказ12440 руб.
1741220-95E13-000

   (актуальный код замены) Рычаг блокировки наклона - Lever, Tilt Lock

под заказ12440 руб.
1741220-95E13-000

Рычаг блокировки наклона - Lever, Tilt Lock (Lever comp, tilt lock)

под заказ12440 руб.
1841221-95E40-000

Левый рычаг блокировки наклона - Lever, Tilt Lock Port (Lever, tilt lock port # ) (Рукоятка управления)

под заказ3510 руб.
1941224-95E01-000

Втулка тяги ограничителя наклона - Bush, Tilt Stopper Rod (Bush, tilt stopper rod # ) (Втулка блокировки)

под заказ570 руб.
2041225-94400-000

Резинка блокировки наклона Рычаг - Rubber, Tilt Lock Arm (Rubber, tilt lock lever # Rubber, tilt lock lever; # ) (Ручка резиновая)

под заказ340 руб.
2141228-90J00-000

Пружина рычага блокировки наклона - Spring, Tilt Lock Lever (Пружина ручки)

под заказ680 руб.
2241230-95E00-000

Соединитель рычага ограничителя наклона - Link, Tilt Lock Lever (Link, tilt lock lever # ) (Сустав управления)

под заказ2280 руб.
2341233-95E10-000

Кронштейн пружины ограничителя наклона - Bracket, Tilt Lock Spring (Bracket, tilt lock spring # ) (Кронштейн блокировки)

1 шт1230 руб.
2409125-06063-000

Винт (6x10) - Screw (6x10) (Screw (6x10); # ) (Винт 6X10 (SUS))

6 шт190 руб.
2509140-10032-000

Гайка - Nut (Гайка)

10 шт160 руб.
2609160-06082-000

Шайба (6.5x13x1.0) - Washer (65x13x10) (Washer (6.5x13x1.0); # ) (Шайба)

6 шт150 руб.
2709204-01006-000

Штифт - Pin (Pin, cotter # Pin, cotter; # ) (Pin)

14 шт150 руб.
2809440-19028-000

Пружина - Spring (Пружина)

7 шт260 руб.


Время выполнения запроса 0.9899468421936 сек.

 
 

данный сайт носит информационный характер и не является публичной офертой

склад запчастей для водомоторной техники