Найти запчасти SUZUKI DF140(Z)TL/X; DF140WTL/X модель 2003 года - Meter
вконтакте

Контактный телефон: +7 (981) 121-46-93, +7 (800) 200-90-76 , Email: parts-katalog@yandex.ru, где купить

 
 

  Логин:

Пароль:

Регистрация

www.partskatalog.ru Все каталоги Запчасти Mercury Запчасти Suzuki Запчасти Tohatsu Запчасти Honda Контакты



УВАЖАЕМЫЕ КЛИЕНТЫ!
C 19 ДЕКАБРЯ 2025 ПО 02 МАРТА 2026 ГОДА ОТДЕЛ ЗАПЧАСТЕЙ И СЕРВИС РАБОТАТЬ НЕ БУДУТ
ПРОДАЖА ЛОДОЧНЫХ МОТОРОВ В ШТАТНОМ РЕЖИМЕ
ОБ ИЗМЕНЕНИЯХ В ГРАФИКЕ РАБОТЫ ЧИТАЙТЕ НА САЙТА



назад Раздел:   вперёд

Вернуться к выбору узлов мотора


ДЕТАЛИРОВКА ДЛЯ МОДЕЛИ: SUZUKI DF140WTLK3(E40) K3

Прибор


Код модели двигателя: DF140(Z)TL/X; DF140WTL/X

Год выпуска двигателя: 2003

Регион: Япония

Цвет: Shadow Black Metallic

Номер на
рисунке
АртикулНаименованиеQTYКол-во
на складе
Цена
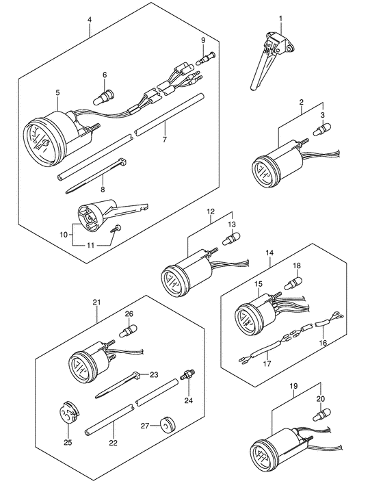
134190-87D00-000

Датчик спидометра - Sender, Speedometer (Sender, speedometer # Sender assy, speedometer; # ) (Сенсор спидометра)

под заказ5810 руб.
234800-90J01-000

Прибор - трим - Meter Assy, Trim

под заказ13780 руб.
234800-90J02-000

   (актуальный код замены) Прибор - трим - Meter Assy, Trim

под заказ13780 руб.
234800-90J02-000

Прибор - трим - Meter Assy, Trim (Meter, trim # ) (Тримметр)

под заказ13780 руб.
309471-12180-000

Лампочка (12v3.4w, T6.5) - Bulb (12v34w, T65) (Bulb)

под заказ0 руб.
434102-92E00-000

Спидометр Set (80m / h) - Speedometer Set (80m/h) (Max 130km/h # ) (Комплект спидометра)

под заказ0 руб.
434102-92E10-000

Запчасть снята с производства - The Spare Part Is Laid Off (Max 80km/h # )

под заказ0 руб.
434102-92E20-000

Спидометр Set (45knot) - Speedometer Set (45knot) (Max 45knots # ) (Комплект спидометра)

под заказ0 руб.
534100-92E00-000

Спидометр (80m / h) - Speedometer (80m/h) (Max 130km/h # ) (СП)

под заказ0 руб.
534100-92E10-000

Спидометр (50m / h) - Speedometer (50m/h) (Max 80km/h # ) (СП)

под заказ0 руб.
534100-92E20-000

Запчасть снята с производства - The Spare Part Is Laid Off (Max 45knots # )

под заказ0 руб.
609471-12179-000

Лампочка (12v3.4w, T10) - Bulb (12v34w, T10) (Bulb)

под заказ570 руб.
734191-92E00-000

Трубка - Tube (Трубка прессуры водной)

под заказ3150 руб.
809407-14407-000

Струбцина (l: 145) - Clamp (l:145) (Band # ) (Clamp (l:145))

9 шт230 руб.
936615-96300-000

Клемма - Terminal (Terminal, resin; # ) (Контакт)

под заказ120 руб.
1034190-95500-000

Датчик спидометра - Sender, Speedometer (Сенсор спидометра)

под заказ8260 руб.
1103112-06303-000

Винт - Screw

под заказ240 руб.
1103112-0630B-000

   (актуальный код замены) Винт - Screw

под заказ240 руб.
1103112-0630B-000

Винт - Screw (SCREW)

под заказ240 руб.
1234600-92E00-000

Прибор - вольтметр - Meter Assy, Voltage (Meter assy, voltage # Meter, voltage; # ) (Вольтметр)

под заказ0 руб.
1309471-12180-000

Лампочка (12v3.4w, T6.5) - Bulb (12v34w, T65) (Bulb)

под заказ0 руб.
1434300-92E00-000

Прибор - измеритель уровня топлива - Gauge Assy, Fuel

под заказ22850 руб.
1434300-92E01-000

   (актуальный код замены) Прибор - измеритель уровня топлива - Gauge Assy, Fuel

под заказ22850 руб.
1434300-92E01-000

Прибор - измеритель уровня топлива - Gauge Assy, Fuel (Датчик топлива)

под заказ22850 руб.
1534320-92E00-000

Gauge, Fuel - Gauge, Fuel

под заказ0 руб.
1534320-92E01-000

   (актуальный код замены) Запчасть снята с производства - The Spare Part Is Laid Off

под заказ0 руб.
1534320-92E01-000

Gauge, Fuel - Gauge, Fuel (Датчик топлива)

под заказ0 руб.
1634310-92E00-000

Lead в сборе, Fuel, Gauge - Lead Assy, Fuel, Gauge (Проводка датчика топлива)

под заказ8640 руб.
1734360-92E00-000

Adapter Comp, Fuel Gauge - Adapter Comp, Fuel Gauge (Adapter, fuel gauge # ) (Адаптер)

под заказ3870 руб.
1809471-12180-000

Лампочка (12v3.4w, T6.5) - Bulb (12v34w, T65) (Bulb)

под заказ0 руб.
1934500-92E00-000

Прибор - счётчик мото-часов - Meter Assy, Hour (Meter assy, hour # ) (Часы)

под заказ0 руб.
2009471-12180-000

Лампочка (12v3.4w, T6.5) - Bulb (12v34w, T65) (Bulb)

под заказ0 руб.
2134650-92E00-000

Gauge, Water Pressure (30psi) - Gauge, Water Pressure (30psi) (Gauge assy, water pressure # 30psi # ) (Направляющая водной прессуры)

под заказ0 руб.
2234191-92E00-000

Трубка - Tube (Трубка прессуры водной)

под заказ3150 руб.
2309407-14407-000

Струбцина (l: 145) - Clamp (l:145) (Band # ) (Clamp (l:145))

9 шт230 руб.
2434652-92E00-000

Соединение - Union (Болт соединяющий)

под заказ0 руб.
2536658-95600-000

Пыльник, Прибор & Sw Кабели - Grommet, Meter & Sw Cable (Втулка измерителя)

под заказ0 руб.
2609471-12180-000

Лампочка (12v3.4w, T6.5) - Bulb (12v34w, T65) (Bulb)

под заказ0 руб.
2709320-08028-000

Подушка - Cushion (Grommet # ) (Cushion)

под заказ230 руб.


Время выполнения запроса 2.8132388591766 сек.

 
 

данный сайт носит информационный характер и не является публичной офертой

склад запчастей для водомоторной техники