Купить запчасти на мотор SUZUKI DF140(Z)TL/X; DF140WTL/X - Опции: жгут проводов
вконтакте

Контактный телефон: +7 (981) 121-46-93, +7 (800) 200-90-76 , Email: parts-katalog@yandex.ru, где купить

 
 

  Логин:

Пароль:

Регистрация

www.partskatalog.ru Все каталоги Запчасти Mercury Запчасти Suzuki Запчасти Tohatsu Запчасти Honda Контакты

назад Раздел:   вперёд

Вернуться к выбору узлов мотора


ДЕТАЛИРОВКА ДЛЯ МОДЕЛИ: SUZUKI DF140WTL K3 (E01)

Опции: жгут проводов


Код модели двигателя: DF140(Z)TL/X; DF140WTL/X

Год выпуска двигателя: 2003

Цвет: Shadow Black Metallic

Номер на
рисунке
АртикулНаименованиеQTYКол-во
на складе
Цена
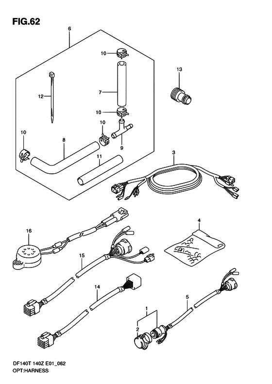
136620-87D20-000

Удлинитель кабеля дистанционного управления (l: 5000) - Wire, Remocon Extension (l:5000) (Wiring harness, extension # L:5000 MODEL:02~04 # ) (Проводка)

под заказ17480 руб.
136620-95302-000

Удлинитель кабеля дистанционного управления (l: 2000) - Wire, Remocon Extension (l:2000) (Wiring harness, extension # L:2000 MODEL:02~04 # ) (Проводка удляняющая)

под заказ12630 руб.
236631-94300-000

Колпачок на дистанционное управление Жгут проводов - Cap, Remote Control Harness (Крышка)

под заказ390 руб.
336660-94400-000

Удлинитель провода датчиков (l: 6500) - Wire, Sender Ext (l:6500) (Wire, sender ext l # L:6500 MODEL:02~04 # ) (Проводка индикатора)

под заказ0 руб.
336660-94480-000

Удлинитель провода датчиков (l: 2000) - Wire, Sender Ext (l:2000) (Wire, sender ext s # L:2000 MODEL:02~04 # ) (Проводка)

под заказ7490 руб.
436990-87D00-000

Клемма / Гильза Set - Terminal / Sleeve Set (Terminal & sleeve set # ) (Стержень и гильза)

1 шт1720 руб.
536620-92E00-000

Удлинитель провода дистанционного управления (l: 6360) - Wire Assy, Remocon Ext (l:6360) (Wiring harness 9 wires # MODEL:02~04 # ) (Проводка дистанционного упраления)

под заказ28560 руб.
634660-90J02-000

Измеритель давления воды, установочный комплект Sub - Kit, Water Press Gauge Sub (Kit, water press gauge sub)

под заказ1270 руб.
634660-90J04-000

   (актуальный код замены) Измеритель давления воды, установочный комплект Sub - Kit, Water Press Gauge Sub

под заказ1270 руб.
709352-50903-600

Шланг (5x9x600) - Hose (5x9x600) (L:600->160 # ) (Шланг 5X9X600)

под заказ570 руб.
709352-50006-600

   (актуальный код замены) Шланг (5x9x600) - Hose (5x9x600)

1 шт570 руб.
809352-50903-600

Шланг (5x9x600) - Hose (5x9x600) (L:600->210 # ) (Шланг 5X9X600)

под заказ570 руб.
809352-50006-600

   (актуальный код замены) Шланг (5x9x600) - Hose (5x9x600)

1 шт570 руб.
909367-06006-000

Тройник - 3 Way (Направляющая трубки)

под заказ300 руб.
1009401-08413-000

Зажим - Clip (Clip)

под заказ190 руб.
1118498-99EA0-000

Защита (l: 80) - Protector (l:80) (NOT FOR DF140 # ) (Protecto (l:80))

под заказ210 руб.
1118498-99EA1-000

   (актуальный код замены) Защита (9.5x11.5x80) - Protector (9.5x11.5x80)

под заказ210 руб.
1209407-25402-000

Струбцина (l: 250) - Clamp (l:250) (Clamp, tilt sw # NOT FOR DF140 # ) (Clamp)

под заказ350 руб.
1317917-87L00-000

Коннектор для промывки водой - Connector, Flush Water (Connector, flush water)

2 шт870 руб.
1436620-93J10-000

Удлинитель провода дистанционного управления (l: 2000) - Wire Assy, Remocon Ext (l:2000) (L:2000 MODEL:05~ # ) (Проводка дистанционного упраления)

под заказ12390 руб.
1436620-93J12-000

   (актуальный код замены) Удлинитель провода дистанционного управления (l: 2000) - Wire Assy, Remocon Ext (l:2000)

под заказ13480 руб.
1436620-93J40-000

Удлинитель провода дистанционного управления (l: 3000) - Wire Assy, Remocon Ext (l:3000) (L:3000 MODEL:05~ # ) (Проводка дистанционного упраления)

под заказ15030 руб.
1436620-93J42-000

   (актуальный код замены) Удлинитель провода дистанционного управления - Wire Assy, Remote Control Ext

под заказ15030 руб.
1536620-93J20-000

Провод дистанционного управления с адаптером №1 - Wire Assy, R/con Adapter No1 (L:2000 MODEL:04 # ) (Проводка дистанционного упраления)

под заказ19160 руб.
1536620-93J22-000

   (актуальный код замены) Провод дистанционного управления с адаптером №1 - Wire Assy, R/con Adapter No.1

под заказ19160 руб.
1536620-93J30-000

Кабель дистанционного управления (l: 2000) - Wire Assy, Remocon (l:2000) (L:2000 MODEL:05~ # ) (Проводка дистанционного упраления)

под заказ13010 руб.
1536620-93J32-000

   (актуальный код замены) Кабель дистанционного управления (l: 2000) - Wire Assy, Remocon (l:2000)

под заказ13010 руб.
1638500-93J00-000

Предупреждающий зуммер, в сборе - Buzzer Assy, Warning (Buzzer assy, warning # MODEL:05~ # ) (Звуковой бузер)

под заказ3890 руб.
1638500-93J90-000

   (актуальный код замены) Предупреждающий зуммер - Buzzer, Warning

под заказ3890 руб.


Время выполнения запроса 0.80053496360779 сек.

 
 

данный сайт носит информационный характер и не является публичной офертой

склад запчастей для водомоторной техники