| |
 |
|
 |
Вернуться к выбору узлов мотора
ДЕТАЛИРОВКА ДЛЯ МОДЕЛИ: SUZUKI DF140WTL K3 (E01)
Опции : Переключатель трима
Код модели двигателя: DF140(Z)TL/X; DF140WTL/X
Год выпуска двигателя: 2003
Цвет: Shadow Black Metallic
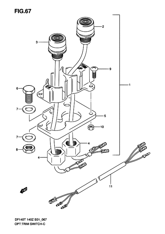
Номер на рисунке | Артикул | Наименование | QTY | Кол-во на складе | Цена |
| 1 | 37850-87D03-000 | Запчасть снята с производства - The Spare Part Is Laid Off (L:5000 # ) | | под заказ | 0 руб. |
| 2 | 37860-95324-000 | Переключатель, Trim - Switch, Trim (Switch trim, up # ) (Переключатель верхний) | | под заказ | 2790 руб. |
| 3 | 37870-95324-000 | Переключатель трима, Dn - Trim Switch, Dn (Переключатель) | | под заказ | 3700 руб. |
| 4 | 09159-14014-000 | Гайка - Nut (Гайка 10MM) | | 16 шт | 320 руб. |
| 5 | 37852-95211-000 | Пластителя переключателя трима - Plate, Trim Switch (Пластина) | | под заказ | 0 руб. |
| 6 | 09100-08232-000 | Болт (8x30) - Bolt (8x30) (Bolt) | | 6 шт | 350 руб. |
| 7 | 09160-08082-000 | Шайба (8.5x16x1.2) - Washer (85x16x12) (Шайба) | | 13 шт | 120 руб. |
| 8 | 09140-08019-000 | Гайка - Nut (Гайка 8MM) | | под заказ | 160 руб. |
| 9 | 02142-04127-000 | Винт - Screw (Винт 4X12 CROS) | | под заказ | 110 руб. |
| 10 | 08310-00047-000 | Гайка - Nut (Гайка) | | под заказ | 140 руб. |
| 11 | 37862-95201-000 | Жгут проводов, Переключатель трима - Harness, Trim Switch (Проводка переключателя) | | под заказ | 0 руб. |
Время выполнения запроса 0.92370891571045 сек. |
|