Найти запчасти на лодочный мотор SUZUKI - Clutch shaft
вконтакте

Контактный телефон: +7 (981) 121-46-93, +7 (800) 200-90-76 , Email: parts-katalog@yandex.ru, где купить

 
 

  Логин:

Пароль:

Регистрация

www.partskatalog.ru Все каталоги Запчасти Mercury Запчасти Suzuki Запчасти Tohatsu Запчасти Honda Контакты



УВАЖАЕМЫЕ КЛИЕНТЫ!
C 19 ДЕКАБРЯ 2025 ПО 02 МАРТА 2026 ГОДА ОТДЕЛ ЗАПЧАСТЕЙ И СЕРВИС РАБОТАТЬ НЕ БУДУТ
ПРОДАЖА ЛОДОЧНЫХ МОТОРОВ В ШТАТНОМ РЕЖИМЕ
ОБ ИЗМЕНЕНИЯХ В ГРАФИКЕ РАБОТЫ ЧИТАЙТЕ НА САЙТА



назад Раздел:   вперёд

Вернуться к выбору узлов мотора


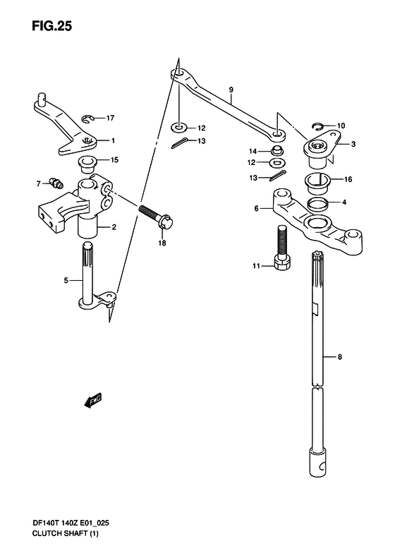
ДЕТАЛИРОВКА ДЛЯ МОДЕЛИ: SUZUKI DF140ZX K6

Сцепление Вал


Год выпуска двигателя: 2006

Номер на
рисунке
АртикулНаименованиеQTYКол-во
на складе
Цена
121110-90J02-000

Рычаг сцепления - Lever, Clutch (Рукоятка муфты)

1 шт4230 руб.
221151-90J01-000

Держатель рычага сцепления - Holder, Clutch Lever (держатель рычага выключения сцепления)

под заказ4080 руб.
321210-90J01-000

Сцепление Вал - Shaft, Clutch (Вал сцепления)

1 шт6630 руб.
421221-90J00-000

Втулка вала сцепления Держатель - Bush, Clutch Shaft Holder (Втулка держателя)

1 шт350 руб.
521230-90J00-000

Крышка вала сцепления - Arm, Clutch Shaft (Рычаг вала сцепления)

2 шт6580 руб.
621311-90J00-000

Держатель вала сцепления - Holder, Clutch Shaft (Держатель вала)

под заказ3600 руб.
722511-99010-000

Ниппель смазки - Nipple, Grease

под заказ340 руб.
722511-99011-000

   (актуальный код замены) Ниппель смазки - Nipple, Grease

9 шт400 руб.
722511-99011-000

Ниппель смазки - Nipple, Grease (Ниппель)

9 шт400 руб.
823111-90J01-000

Тяга сцепления (l) - Rod, Clutch (l)

под заказ7060 руб.
823111-90J02-000

   (актуальный код замены) Тяга сцепления (l) - Rod, Clutch (l)

2 шт7990 руб.
823111-90J02-000

Тяга сцепления (l) - Rod, Clutch (l) (Штанга муфты)

2 шт7990 руб.
823111-90J11-000

Тяга сцепления (x) - Rod, Clutch (x)

под заказ7400 руб.
823111-90J12-000

   (актуальный код замены) Тяга сцепления (x) - Rod, Clutch (x)

под заказ7400 руб.
823111-90J12-000

Тяга сцепления (x) - Rod, Clutch (x) (Штанга муфты)

под заказ7400 руб.
923115-90J00-000

Тяга рычага сцепления - Link, Clutch Lever (Сустав муфты)

под заказ0 руб.
1023117-90J00-000

Запчасть снята с производства - The Spare Part Is Laid Off

под заказ0 руб.
1109117-08071-000

Болт (8x35) - Bolt (8x35) (Болт, 8X35)

под заказ570 руб.
1209160-06094-000

Шайба (6.5x15x1.0) - Washer (65x15x10) (Washer (6.5x15x1.5) # ) (Шайба 6.5X15X1)

5 шт120 руб.
1309204-01006-000

Штифт - Pin (Pin, cotter # ) (Pin)

14 шт150 руб.
1409306-06004-000

Втулка - Bush (Втулка ручки сцепления)

2 шт110 руб.
1509306-10001-000

Втулка - Bush (Bush, clutch lever # ) (Втулка)

10 шт360 руб.
1609306-16004-000

Втулка - Bush (Втулка сцепления)

под заказ400 руб.
1709383-08004-000

Уплотнительное кольцо - E Ring (E ring)

10 шт100 руб.
1801550-06307-000

Болт - Bolt (Bolt (chrome))

8 шт250 руб.


Время выполнения запроса 0.65607595443726 сек.

 
 

данный сайт носит информационный характер и не является публичной офертой

склад запчастей для водомоторной техники