Купить оригинальные запчасти на лодочный мотор Suzuki - Выпрямитель - Rectifier
вконтакте

Контактный телефон: +7 (981) 121-46-93, +7 (800) 200-90-76 , Email: parts-katalog@yandex.ru, где купить

 
 

  Логин:

Пароль:

Регистрация

www.partskatalog.ru Все каталоги Запчасти Mercury Запчасти Suzuki Запчасти Tohatsu Запчасти Honda Контакты



УВАЖАЕМЫЕ КЛИЕНТЫ!
C 19 ДЕКАБРЯ 2025 ПО 02 МАРТА 2026 ГОДА ОТДЕЛ ЗАПЧАСТЕЙ И СЕРВИС РАБОТАТЬ НЕ БУДУТ
ПРОДАЖА ЛОДОЧНЫХ МОТОРОВ В ШТАТНОМ РЕЖИМЕ
ОБ ИЗМЕНЕНИЯХ В ГРАФИКЕ РАБОТЫ ЧИТАЙТЕ НА САЙТА



назад Раздел:   вперёд

Вернуться к выбору узлов мотора


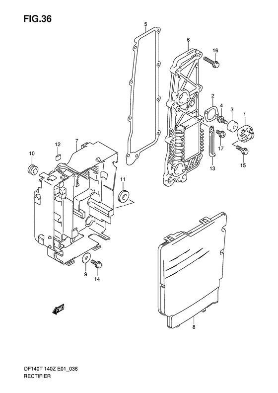
ДЕТАЛИРОВКА ДЛЯ МОДЕЛИ: SUZUKI DF140WTLK7(E1) K7

Выпрямитель


Год выпуска двигателя: 2007

Номер на
рисунке
АртикулНаименованиеQTYКол-во
на складе
Цена
111261-87E10-0EP

Крышка защитного анода - Cover, Protection Anode (Cover, protection anode (black) # Cover, protection anode (black); # ) (Крышка протектора (чёрная))

под заказ2640 руб.
111261-87E10-000

Крышка защитного анода - Cover, Protection Anode (Cover, protection anode # Cover, protection anode (black); Model:03~ # ) (Крышка протектора)

под заказ1510 руб.
211265-87E10-000

Прокладка защитной крышки - Gasket, Protection Cover (Gasket, protection cover; # ) (Прокладка крышки)

4 шт390 руб.
355321-87J00-000

Защитный анод - Anode, Protection

1 шт750 руб.
355321-87J01-000

   (актуальный код замены) Защитный анод - Anode, Protection

под заказ850 руб.
3SMO-55321-87J01-000

   (не оригинальный аналог) Защитный анод SMO-55321-87J01-000 (оригинал)

под заказ590 руб.
3SMO-55321-87J01-000

  (аналог) Защитный анод SMO-55321-87J01-000 (оригинал) - код 55321-87J01-000

 под заказ шт585 руб.
355321-87J01-000

Защитный анод - Anode, Protection (ANODE, PROTECTION)

под заказ850 руб.
3SMO-55321-87J01-000

  (аналог) Защитный анод SMO-55321-87J01-000 (оригинал) - код 55321-87J01-000

 под заказ шт585 руб.
355321-87J10-000

Анод, Magnesium - Anode, Magnesium (Anode (magnesium); Opt # ) (Анод)

под заказ1490 руб.
355321-87J11-000

   (актуальный код замены) Анод (магниевый) - Anode (magnesium)

27 шт1490 руб.
409128-06021-000

Болт (6x14) - Bolt (6x14) (Bolt (6x14); # ) (Bolt (6x14))

под заказ200 руб.
409103-06281-000

Болт (6x14) - Bolt (6x14) (Bolt, protection anode # Bolt (6x14); Model:06~ # ) (Bolt)

6 шт270 руб.
514151-90J00-000

Прокладка выпрямителя - регулятора - Gasket, Rect & Regulator (Прокладка)

3 шт700 руб.
632800-90J00-000

Выпрямитель & Регулятор в сборе - Rectifier & Regulator Assy (Выпрямитель)

под заказ38160 руб.
632800-90J10-000

Выпрямитель & Регулятор - Rectifier & Regulator (Model:03 # ) (Выпрямитель)

под заказ38160 руб.
632800-90J20-000

Выпрямитель & Регулятор в сборе - Rectifier & Regulator Assy (Rectifier & regulator; Model:04, 05 # ) (Выпрямитель и регулятор)

под заказ37920 руб.
632800-90J30-000

Выпрямитель & Регулятор в сборе - Rectifier & Regulator Assy (Rectifier & regulator; Model:06~ # ) (Выпрямитель и регулятор)

1 шт37200 руб.
732890-90J01-000

Держатель электрических частей - Holder, Electric Parts (Корпус)

под заказ3240 руб.
832891-90J00-000

Крышка держателя электрических частей - Cover, Electric Parts Holder (Крышка электрической коробки)

1 шт2570 руб.
909160-06054-000

Шайба (6.5x22x1.6) - Washer (65x22x16) (Washer (6.5x22x1.6) # Washer (6.5x22x1.6); # ) (Шайба)

под заказ120 руб.
1009320-10008-000

Подушка - Cushion (Cushion # ) (Cushion)

под заказ190 руб.
1009320-10075-000

   (актуальный код замены) Подушка - Cushion

под заказ190 руб.
1109320-12011-000

Подушка - Cushion (Cushion # ) (Валик)

под заказ150 руб.
1109320-12090-000

   (актуальный код замены) Подушка (11.8x25x7.5) - Cushion (11.8x25x7.5)

под заказ150 руб.
1209329-01007-000

Подушка - Cushion (Cushion)

под заказ270 руб.
1329404-93J10-000

Струбцина - Clamp (Струбцина переключателя)

под заказ190 руб.
1329404-93J11-000

   (актуальный код замены) Струбцина - Clamp

под заказ190 руб.
1401550-06167-000

Болт - Bolt (Bolt)

9 шт210 руб.
1501550-06207-000

Болт - Bolt (Bolt (chrome))

17 шт220 руб.
1601550-06307-000

Болт - Bolt (Bolt (chrome))

8 шт250 руб.
1702162-06127-000

Винт - Screw (Bolt)

под заказ150 руб.


Время выполнения запроса 1.0222868919373 сек.

 
 

данный сайт носит информационный характер и не является публичной офертой

склад запчастей для водомоторной техники