Подобрать оригинальные запчасти на подвесной лодочный двигатель SUZUKI DF140(Z)TL/X; DF140W(Z)TL/X - Отделитель паров топлива
вконтакте

Контактный телефон: +7 (981) 121-46-93, +7 (800) 200-90-76 , Email: parts-katalog@yandex.ru, где купить

 
 

  Логин:

Пароль:

Регистрация

www.partskatalog.ru Все каталоги Запчасти Mercury Запчасти Suzuki Запчасти Tohatsu Запчасти Honda Контакты



УВАЖАЕМЫЕ КЛИЕНТЫ!
C 19 ДЕКАБРЯ 2025 ПО 02 МАРТА 2026 ГОДА ОТДЕЛ ЗАПЧАСТЕЙ И СЕРВИС РАБОТАТЬ НЕ БУДУТ
ПРОДАЖА ЛОДОЧНЫХ МОТОРОВ В ШТАТНОМ РЕЖИМЕ
ОБ ИЗМЕНЕНИЯХ В ГРАФИКЕ РАБОТЫ ЧИТАЙТЕ НА САЙТА



назад Раздел:   вперёд

Вернуться к выбору узлов мотора


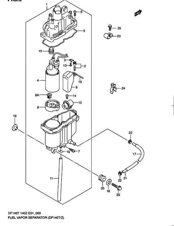
ДЕТАЛИРОВКА ДЛЯ МОДЕЛИ: SUZUKI DF140ZX K8

Отделитель паров топлива


Код модели двигателя: DF140(Z)TL/X; DF140W(Z)TL/X

Год выпуска двигателя: 2008

Регион: General Export No.1 ,Код региона: P01

Цвет: Shadow Black Metallic

Номер на
рисунке
АртикулНаименованиеQTYКол-во
на складе
Цена
115600-90J00-000

Сепаратор-отделитель паров топлива, в сборе - Separator Assy, Fuel Vapor (Сепаратор топливного пара)

под заказ118080 руб.
115600-90J01-000

   (актуальный код замены) Сепаратор-отделитель паров топлива, в сборе - Separator Assy, Fuel Vapor

под заказ118080 руб.
213370-99E00-000

Игольчатый клапан, в сборе - Valve Assy, Needle (Клапан)

3 шт6540 руб.
313373-39110-000

Пластина - Plate (Плата клапана)

под заказ520 руб.
415200-90J00-000

Топливный насос, в сборе - Pump Assy, Fuel (Насос топливный)

2 шт57680 руб.
515626-90J00-000

Сальник - Seal (Валик)

под заказ1690 руб.
615628-99E00-000

Винт (l: 15) - Screw (l:15) (Screw (l:15))

под заказ240 руб.
715629-99E10-000

Винт дренажный - Screw, Drain (Винт дренажный)

под заказ550 руб.
815641-90J00-000

Проставка - Spacer (Прокладка топливного насоса)

4 шт2340 руб.
815642-90J00-000

Фильтр - Filter (Фильтр топливного насоса)

2 шт1110 руб.
915650-99E00-000

Поплавок - Float (Поплавок)

под заказ6870 руб.
1015654-99E00-000

Штифт - Pin (Pin)

под заказ240 руб.
1115683-87J00-000

Шланг - Hose (Hose, drain # ) (Hose)

под заказ330 руб.
1215760-87J00-000

Регулятор - Regulator (Регулятор)

под заказ28560 руб.
1302112-04083-000

Винт - Screw

под заказ90 руб.
1302112-0408A-000

   (актуальный код замены) Винт - Screw

под заказ90 руб.
1302112-0408A-000

Винт - Screw (Болт)

под заказ90 руб.
1402112-0510A-000

Винт - Screw (Болт)

под заказ120 руб.
1515647-93J00-000

Втулка топливного насоса - Bush, Fuel Pump (Втулка топливного насоса)

под заказ990 руб.
1515647-93J10-000

   (актуальный код замены) Втулка топливного насоса - Bush, Fuel Pump

под заказ1320 руб.
1613671-13F00-000

Зажим - Clip (Clip)

под заказ370 руб.
1718498-90J00-000

Защита шланга вентиляции (290) - Protector, Evap Hose (290) (Protector, evap hose # L:290->140 <-18498-90J70 # ) (Protector)

под заказ410 руб.
1718498-90J01-000

   (актуальный код замены) Защита шланга вентиляции (290) - Protector, Evap Hose (290)

под заказ410 руб.
1809160-06084-000

Шайба (6.5x18x1.6) - Washer (65x18x16) (MODEL:02~05 # ) (Шайба 6.5X18X1)

7 шт130 руб.
1909169-06075-000

Шайба - Washer (Шайба)

под заказ240 руб.
2009320-09039-000

Подушка - Cushion (Cushion, silencer cover # ) (Валик)

8 шт320 руб.
2009320-09059-000

   (актуальный код замены) Подушка (9x18x14) - Cushion (9x18x14)

под заказ320 руб.
2109352-50823-600

Шланг (5x8.2x600) - Hose (5x82x600) (Hose, evapotation (5.0x8.2x600) # L:600->340 # ) (Hose (5x8.2x600))

под заказ640 руб.
2109352-50005-600

   (актуальный код замены) Шланг (5x8.2x600) - Hose (5x8.2x600)

под заказ640 руб.
2209401-08412-000

Зажим - Clip (Clip)

под заказ190 руб.
2309403-13408-000

Струбцина - Clamp (Clamp)

под заказ490 руб.
2309403-13413-000

   (актуальный код замены) Струбцина - Clamp

под заказ490 руб.
2409408-00124-000

Зажим - Clip (Clamp)

под заказ290 руб.
2501550-06127-000

Болт - Bolt (Bolt, rect # ) (Bolt)

10 шт180 руб.
2601550-06257-000

Болт - Bolt (Bolt)

под заказ180 руб.
2609116-06202-000

Болт (6x25) - Bolt (6x25) (Bolt (w/washer) # MODEL:06~ # ) (Болт (шайба))

под заказ250 руб.


Время выполнения запроса 0.85705518722534 сек.

 
 

данный сайт носит информационный характер и не является публичной офертой

склад запчастей для водомоторной техники