Купить комплектующие на подвесной двигатель Suzuki DF140(Z)TL/X; DF140W(Z)TL/X - Opt:top mount dual - Опция: сдвоенное ДУ, монтаж сверху
вконтакте

Контактный телефон: +7 (981) 121-46-93, +7 (800) 200-90-76 , Email: parts-katalog@yandex.ru, где купить

 
 

  Логин:

Пароль:

Регистрация

www.partskatalog.ru Все каталоги Запчасти Mercury Запчасти Suzuki Запчасти Tohatsu Запчасти Honda Контакты



УВАЖАЕМЫЕ КЛИЕНТЫ!
C 19 ДЕКАБРЯ 2025 ПО 02 МАРТА 2026 ГОДА ОТДЕЛ ЗАПЧАСТЕЙ И СЕРВИС РАБОТАТЬ НЕ БУДУТ
ПРОДАЖА ЛОДОЧНЫХ МОТОРОВ В ШТАТНОМ РЕЖИМЕ
ОБ ИЗМЕНЕНИЯХ В ГРАФИКЕ РАБОТЫ ЧИТАЙТЕ НА САЙТА



назад Раздел:   вперёд

Вернуться к выбору узлов мотора


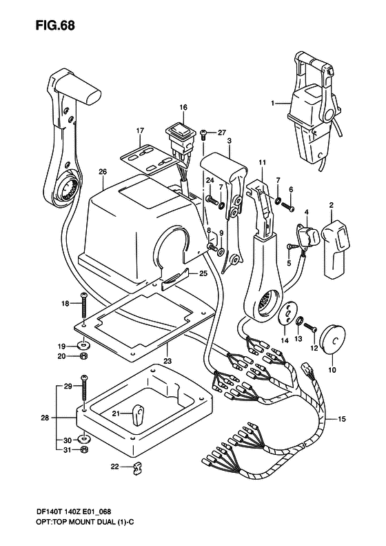
ДЕТАЛИРОВКА ДЛЯ МОДЕЛИ: SUZUKI DF140WZX K8

Опция: сдвоенное ДУ, монтаж сверху


Код модели двигателя: DF140(Z)TL/X; DF140W(Z)TL/X

Год выпуска двигателя: 2008

Регион: General Export No.1 ,Код региона: P01

Цвет: Shadow Black Metallic

Номер на
рисунке
АртикулНаименованиеQTYКол-во
на складе
Цена
167200-92E13-000

Дистанционное управление в сборе, Twin - Remote Control Assy, Twin (->67200-92E14 # )

под заказ0 руб.
167200-92E16-000

   (актуальный код замены) Запчасть снята с производства - The Spare Part Is Laid Off

под заказ0 руб.
167200-92E16-000

Дистанционное управление в сборе, Twin - Remote Control Assy, Twin (Remote control assy, twin)

под заказ0 руб.
167200-92E16-000

Дистанционное управление в сборе, Twin - Remote Control Assy, Twin (Remote control assy, twin)

под заказ0 руб.
167200-92E14-000

Дистанционное управление в сборе, Twin - Remote Control Assy, Twin (->67200-92E15 # )

под заказ0 руб.
167200-92E16-000

   (актуальный код замены) Запчасть снята с производства - The Spare Part Is Laid Off

под заказ0 руб.
167200-92E16-000

Дистанционное управление в сборе, Twin - Remote Control Assy, Twin (Remote control assy, twin)

под заказ0 руб.
167200-92E16-000

Дистанционное управление в сборе, Twin - Remote Control Assy, Twin (Remote control assy, twin)

под заказ0 руб.
167200-92E15-000

Дистанционное управление в сборе, Twin - Remote Control Assy, Twin

под заказ0 руб.
167200-92E16-000

   (актуальный код замены) Запчасть снята с производства - The Spare Part Is Laid Off

под заказ0 руб.
167200-92E16-000

Дистанционное управление в сборе, Twin - Remote Control Assy, Twin (Remote control assy, twin)

под заказ0 руб.
167200-93J21-000

Дистанционное управление в сборе, Twin - Remote Control Assy, Twin (MODEL:05 ->67200-93J22 # )

под заказ122400 руб.
167200-88L11-000

   (актуальный код замены) Сдвоенное дистанционное управление в сборе - Remote Control Assy, Dual

2 шт122400 руб.
167200-93J23-000

Дистанционное управление в сборе, Twin - Remote Control Assy, Twin (Remote control assy, twin)

под заказ122400 руб.
167200-88L11-000

   (актуальный код замены) Сдвоенное дистанционное управление в сборе - Remote Control Assy, Dual

2 шт122400 руб.
167200-93J22-000

Дистанционное управление в сборе, Twin - Remote Control Assy, Twin (MODEL:05~ # )

под заказ122400 руб.
167200-88L11-000

   (актуальный код замены) Сдвоенное дистанционное управление в сборе - Remote Control Assy, Dual

2 шт122400 руб.
267261-92E00-000

Рукоятка, №1 - Grip, No1 (Grip, no.1 # ) (Grip)

под заказ2720 руб.
267261-93J00-000

Рукоятка, №1 - Grip, No1 (FOR 67200-92E14 67200-92E15 67200-93J21 67200-93J22 # ) (Рукоятка №1)

под заказ1200 руб.
367263-92E00-000

Рукоятка, №2 - Grip, No2 (Grip, no.2 # ) (Grip)

под заказ0 руб.
367263-93J00-000

Рукоятка, №2 - Grip, No2 (FOR 67200-92E14 67200-92E15 67200-93J21 67200-93J22 # ) (Рукоятка №2)

под заказ1720 руб.
437850-92E26-000

Переключатель управления гидроподъёмом двигателя - Switch Assy, Ptt

под заказ10080 руб.
437850-92E27-000

   (актуальный код замены) Переключатель управления гидроподъёмом двигателя - Switch Assy, Ptt

под заказ10080 руб.
437850-92E27-000

Переключатель управления гидроподъёмом двигателя - Switch Assy, Ptt (SWITCH ASSY, PTT)

под заказ10080 руб.
437850-93J10-000

Переключатель управления гидроподъёмом двигателя - Switch Assy, Ptt (FOR 67200-92E14 67200-92E15 67200-93J21 67200-93J22 # ) (Переключатель)

под заказ10900 руб.
567295-92E10-000

Винт - Screw (Болт)

под заказ240 руб.
667296-88D10-000

Винт (5x16) - Screw (5x16) (Болт)

под заказ230 руб.
767288-92E20-000

Шайба - Washer (Шайба)

под заказ240 руб.
867296-92E70-000

Винт - Screw (Болт)

под заказ260 руб.
967288-92E40-000

Шайба - Washer (Шайба)

под заказ260 руб.
1067257-92E00-000

Крышка рычага - Cap, Lever (Насадка рукоятки)

под заказ900 руб.
1167251-92E00-000

Рычаг блокировки - Lever, Handle

под заказ10900 руб.
1167251-93J00-000

   (актуальный код замены) Рычаг блокировки - Lever, Handle

под заказ10900 руб.
1167251-93J00-000

Рычаг блокировки - Lever, Handle (Рукоятка)

под заказ10900 руб.
1167251-93J00-000

Рычаг блокировки - Lever, Handle (FOR 67200-92E14 67200-92E15 67200-93J21 67200-93J22 # ) (Рукоятка)

под заказ10900 руб.
1267296-92E60-000

Винт - Screw (Болт)

под заказ300 руб.
1367288-92E30-000

Шайба - Washer (Шайба)

под заказ260 руб.
1467253-92E00-000

Шайба - Washer (Шайба)

под заказ500 руб.
1536890-92E10-000

Жгут проводов нейтрали и переключателя гидроподъема - Wire, Neutral & Ptt Sw (Wire harness # ) (Проводка)

под заказ0 руб.
1536890-93J10-000

Жгут проводов нейтрали и переключателя гидроподъема - Wire, Neutral & Ptt Sw (FOR 67200-93J21 67200-93J22 # ) (Wire harness)

под заказ10660 руб.
1637220-92E00-000

Переключатель в сборе, Mode Changing - Switch Assy, Mode Changing (Switch assy, mode changing # ) (Переключатель)

под заказ12580 руб.
1767282-92E00-000

Наклейка - Decal (Наклейка)

под заказ0 руб.
1767282-93J00-000

Наклейка - Decal (FOR 67200-92E14 67200-92E15 67200-93J21 67200-93J22 # ) (Наклейка)

под заказ1720 руб.
1867296-92E30-000

Винт - Screw (Болт)

под заказ300 руб.
1909160-05024-000

Шайба (5.5x16x1.5) - Washer (55x16x15) (Шайба)

под заказ120 руб.
2067287-92E00-000

Гайка - Nut (Гайка)

под заказ240 руб.
2167275-95600-000

Наконечник кабеля - End, Cable (Наконечник кабеля)

36 шт810 руб.
2267273-95600-000

Проставка - Spacer (Кольцо/шайба)

под заказ460 руб.
2267273-95601-000

   (актуальный код замены) Проставка - Spacer

3 шт630 руб.
2367273-92E10-000

Пыльник - Grommet (Grommet)

под заказ2520 руб.
2467295-92E00-000

Винт - Screw (Болт)

под заказ260 руб.
2567271-92E00-000

Крышка - Cover (Cover)

под заказ710 руб.
2667211-93J10-000

Чехол двигателя, сдвоенное ДУ, монтаж сверху - Body Cover, Top Mount Dual (Cover)

под заказ5380 руб.
2767296-92E70-000

Винт - Screw (FOR 67200-92E15 67200-93J22 # ) (Болт)

под заказ260 руб.
2867500-93J10-000

Комплект крепежа дистанционного управления Проставка Twin - Kit, R/con Spacer Twin (FOR 67200-92E14 67200-92E15 67200-93J21 67200-93J22 # ) (Комплект)

под заказ2230 руб.
2909125-05135-000

Винт (5x65) - Screw (5x65) (Болт)

под заказ230 руб.
3009160-05029-000

Шайба (5.5x12x0.8) - Washer (55x12x08) (Шайба)

14 шт130 руб.
3109140-05005-000

Гайка - Nut (Гайка)

10 шт270 руб.


Время выполнения запроса 1.4517199993134 сек.

 
 

данный сайт носит информационный характер и не является публичной офертой

склад запчастей для водомоторной техники